LEMON Manuals: Even more car manuals for everyone: 1960-2025
Home >> Subaru >> 2005 >> Baja Base, Automatic >> Repair and Diagnosis >> Engine Performance >> System >> Engine Controls - Engine (Diagnostics) (H4SO) >> Diagnostics for Engine Starting Failure >> Control Module Power Supply And Ground Line >> Wiring Diagram:
April 5, 2026: LEMON Manuals is launched! Read the announcement.

Wiring Diagram:

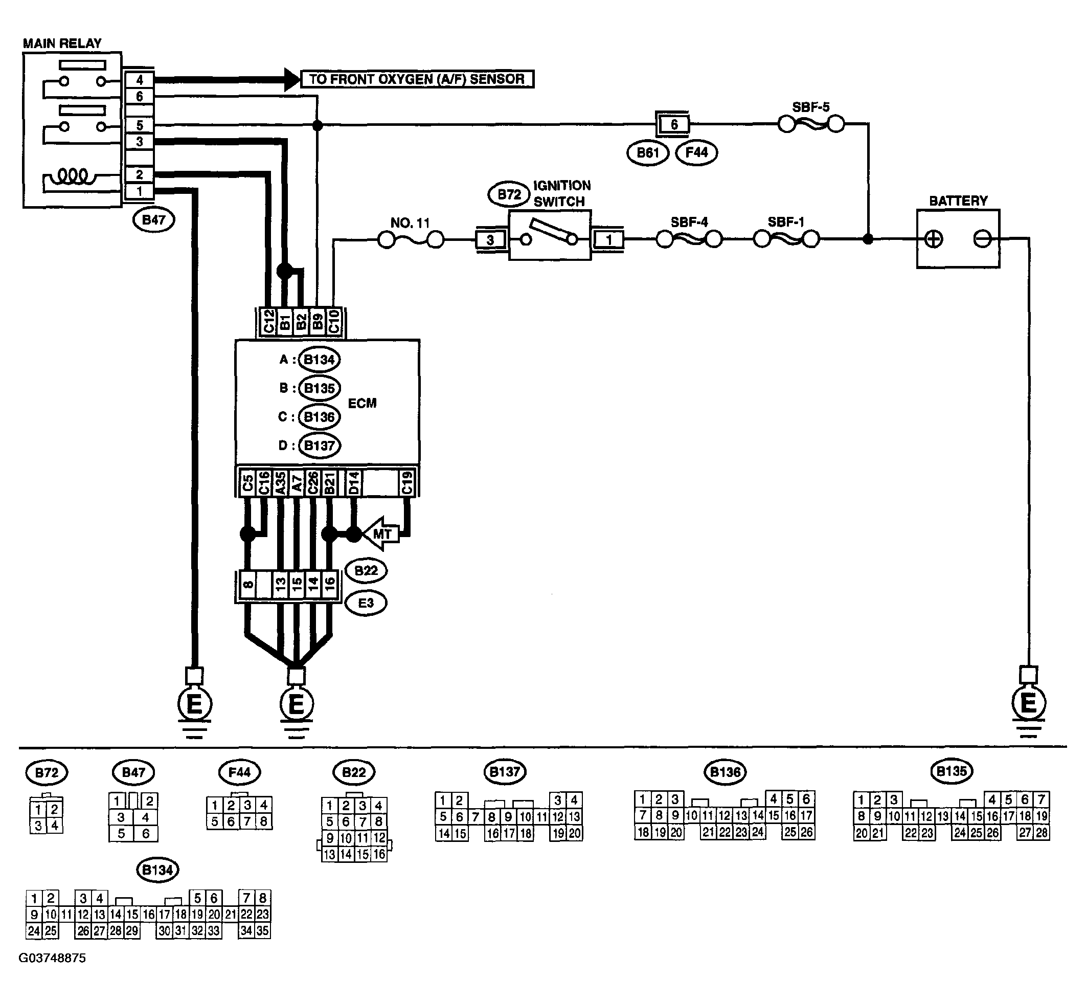
Fig 1: Wiring Diagram - Control Module Power Supply And Ground Line
G03748875Courtesy of SUBARU OF AMERICA, INC.
CONTROL MODULE POWER SUPPLY AND GROUND LINE DIAGNOSTIC STEPS

Step Check Yes No
1. CHECK MAIN RELAY. 
  1. Turn the ignition switch to OFF.
  2. Remove main relay.
  3. Connect battery to main relay terminals No. 1 and No. 2.
  4. Measure resistance between main relay terminals.

Terminals 
No. 3 - No. 5: 
No. 4 - No. 6: 
Is the measured value less than 10 Ω? Go to step 2.  Replace main relay.
2. CHECK GROUND CIRCUIT OF ECM. 
  1. Disconnect connector from ECM.
  2. Measure resistance of harness between ECM and chassis ground.

Connector & terminal 
(B134) No. 7 - Chassis ground: 
(B134) No. 35 - Chassis ground: 
(B135) No. 21 - Chassis ground: 
(B136) No. 5 - Chassis ground: 
(B136) No. 16 - Chassis ground: 
(B136) No. 26 - Chassis ground: 
(B137) No. 14 - Chassis ground: 
(B136) No. 19 - Chassis ground (MT): 
Is the measured value less than 5 Ω? Go to step 3.  Repair open circuit in harness between ECM connector and engine grounding terminal.
3. CHECK INPUT VOLTAGE OF ECM. 
Measure voltage between ECM connector and chassis ground.
Connector & terminal 
(B135) No. 9 (+) - Chassis ground (-): 
Is the measured value more than 10 V? Go to step 4.  Repair ground short circuit of power supply circuit.
4. CHECK INPUT VOLTAGE OF ECM. 
  1. Turn ignition switch to ON.
  2. Measure voltage between ECM connector and chassis ground.

Connector & terminal 
(B136) No. 10 (+) - Chassis ground (-): 
Is the measured value more than 10 V? Go to step 5.  Repair open or ground short circuit of power supply circuit.
5. CHECK HARNESS BETWEEN ECM AND MAIN RELAY CONNECTOR. 
  1. Turn ignition switch to OFF.
  2. Measure resistance between ECM and chassis ground.

Connector & terminal 
(B136) No. 12 - Chassis ground: 
Is the measured value more than 1 MΩ? Go to step 6.  Repair ground short circuit in harness between ECM connector and main relay connector.
6. CHECK OUTPUT VOLTAGE FROM ECM. 
  1. Connect connector to ECM.
  2. Turn ignition switch to ON.
  3. Measure voltage between ECM connector and chassis ground.

Connector & terminal 
(B136) No. 12 (+) - Chassis ground (-): 
Is the measured value more than 10 V? Go to step 7.  Replace ECM. See Figure.
7. CHECK INPUT VOLTAGE OF MAIN RELAY. 
Check voltage between main relay connector and chassis ground.
Connector & terminal 
(B47) No. 2 (+) - Chassis ground (-): 
Is the measured value more than 10 V? Go to step 8.  Repair open circuit in harness between ECM connector and main relay connector.
8. CHECK GROUND CIRCUIT OF MAIN RELAY. 
  1. Turn ignition switch to OFF.
  2. Measure resistance between main relay connector and chassis ground.

Connector & terminal 
(B47) No. 1 - Chassis ground: 
Is the measured value less than 5 Ω? Go to step 9.  Repair open circuit between main relay and chassis ground.
9. CHECK INPUT VOLTAGE OF MAIN RELAY. 
Measure voltage between main relay connector and chassis ground.
Connector & terminal 
(B47) No. 5 (+) - Chassis ground (-): 
(B47) No. 6 (+) - Chassis ground (-): 
Is the measured value more than 10 V? Go to step 10.  Repair open or ground short circuit in harness of power supply circuit.
10. CHECK INPUT VOLTAGE OF ECM. 
  1. Connect main relay connector.
  2. Turn ignition switch to ON.
  3. Measure voltage between ECM connector and chassis ground.

Connector & terminal 
(B135) No. 1 (+) - Chassis ground (-): 
(B135) No. 2 (+) - Chassis ground (-): 
Is the measured value more than 10 V? Check ignition control system. < Ref. to , IGNITION CONTROL SYSTEM , Diagnostics for Engine Starting Failure. > Repair open or ground short circuit in harness between ECM connector and main relay connector.