LEMON Manuals: Even more car manuals for everyone: 1960-2025
Home >> Subaru >> 2005 >> Forester F4-2.5L SOHC >> Repair and Diagnosis >> Powertrain Management >> Computers and Control Systems >> Testing and Inspection >> Symptom Related Diagnostic Procedures >> Diagnostics For Engine Starting Failure >> Control Module Power Supply and Ground Line
April 5, 2026: LEMON Manuals is launched! Read the announcement.

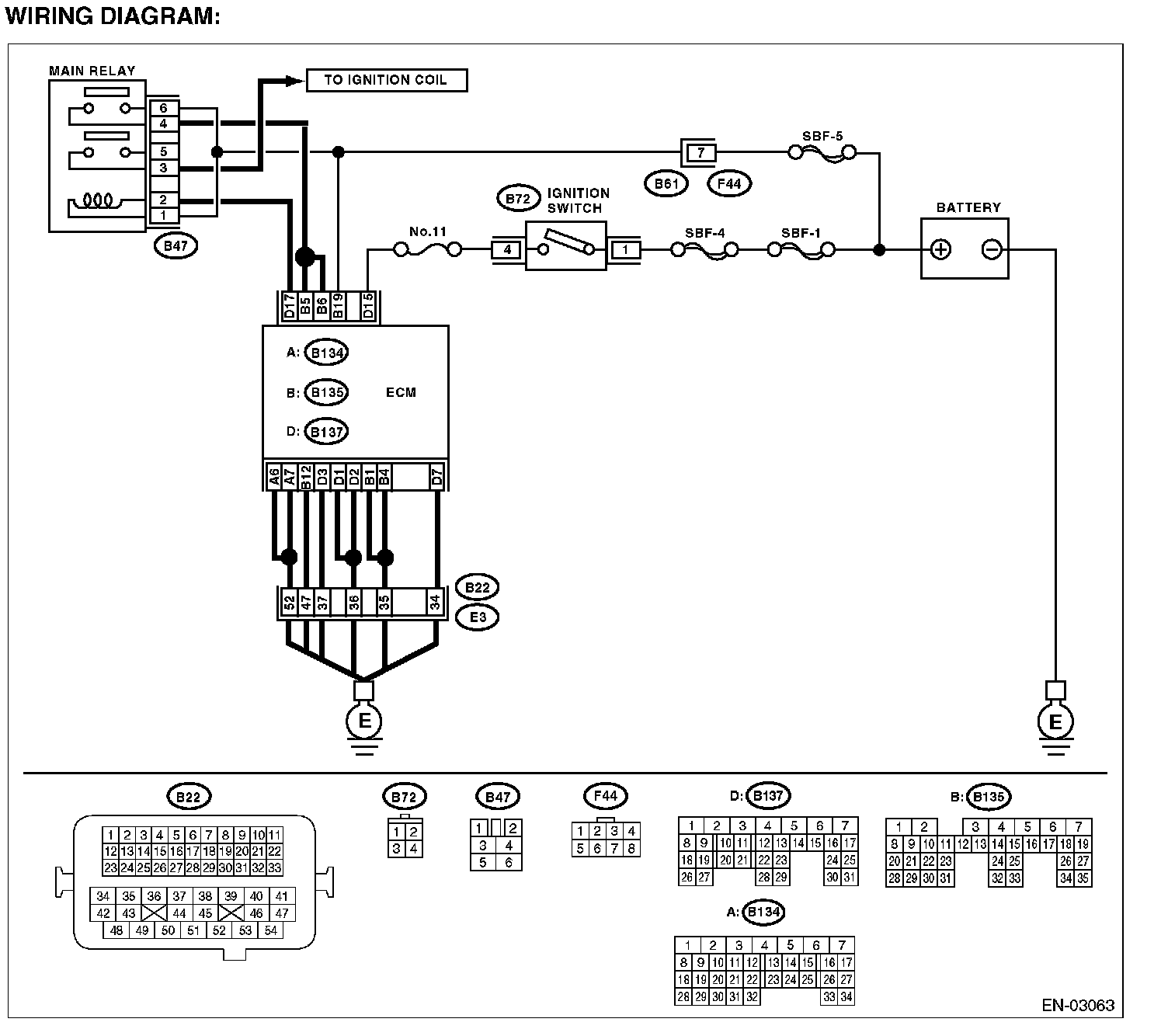
Control Module Power Supply and Ground Line

CHECK POWER SUPPLY AND GROUND LINE OF ENGINE CONTROL MODULE (ECM)

CAUTION: After repair or replacement of faulty parts, conduct Clear Memory Mode and Inspection Mode.
Clearing Diagnostic Trouble Codes
Diagnostic Trouble Code Descriptions

Wiring Diagram:






Step 1 - 5: