LEMON Manuals: Even more car manuals for everyone: 1960-2025
Home >> Subaru >> 2005 >> Forester XT, Automatic >> Repair and Diagnosis >> Engine Performance >> System >> Engine Controls - Engine (Diagnostics) (H4DOTC) >> Diagnostics for Engine Starting Failure >> Check Power Supply And Ground Line Of Engine Control Module (ECM)
April 5, 2026: LEMON Manuals is launched! Read the announcement.

Check Power Supply And Ground Line Of Engine Control Module (ECM)

CAUTION: After repair or replacement of faulty parts, conduct Clear Memory Mode < Ref. to , OPERATION , Clear Memory Mode. > and Inspection Mode < Ref. to , PROCEDURE , Inspection Mode. >.

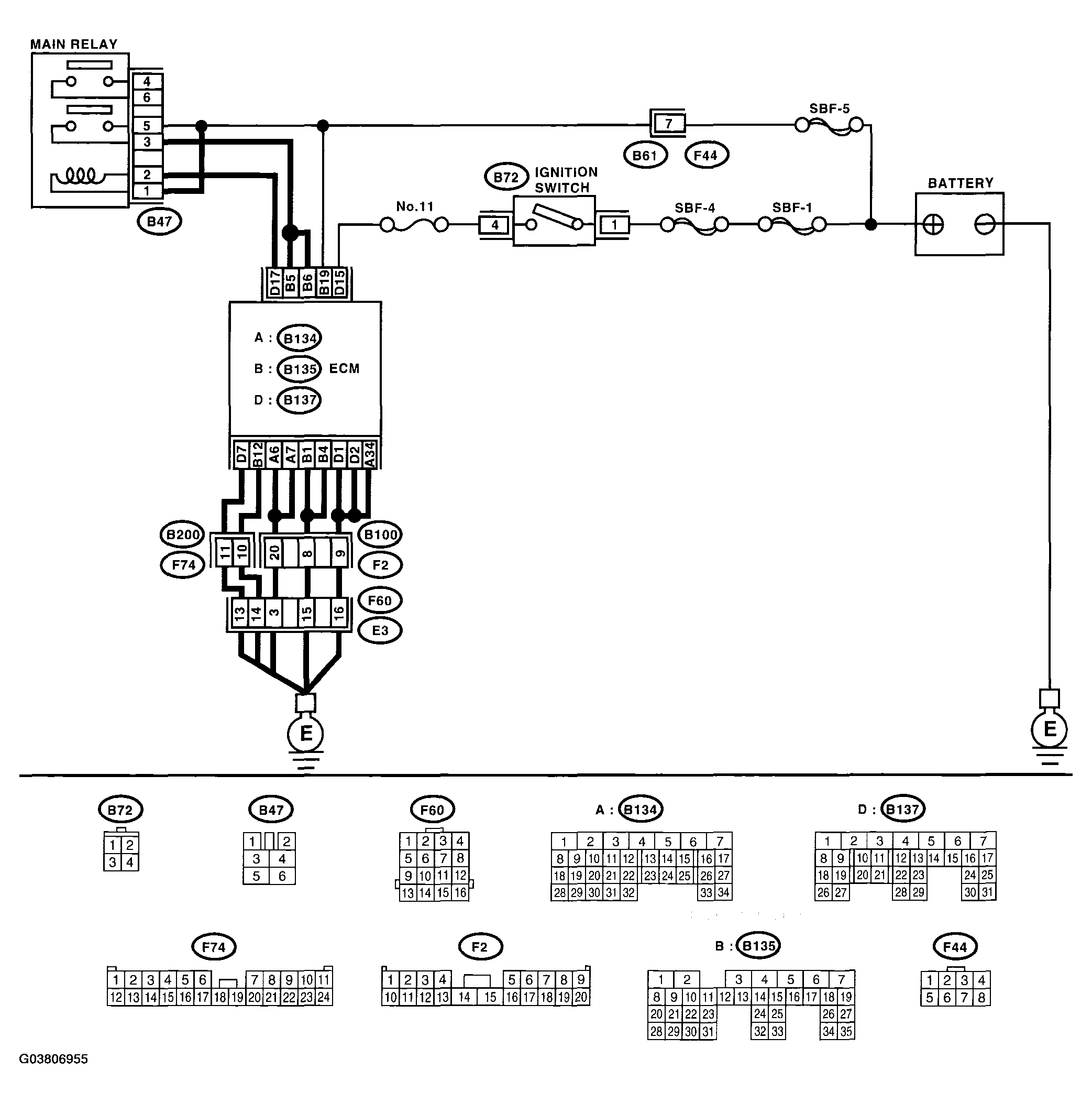
WIRING DIAGRAM: 

Fig 1: Wiring Diagram - Engine Control Module
G03806955Courtesy of SUBARU OF AMERICA, INC.
ENGINE CONTROL MODULE PROBLEM SYMPTOMS

Step Check Yes No
1 CHECK MAIN RELAY. 
  1. Turn the ignition switch to OFF.
  2. Remove the main relay.
  3. Connect the battery to main relay terminals No. 1 and No. 2.
  4. Measure the resistance between main relay terminals.

Terminals 
No. 3 - No. 5: 
No. 4 - No. 6: 
Is the resistance less than 10 Ω? Go to step . Replace the main relay.
2 CHECK GROUND CIRCUIT OF ECM. 
  1. Disconnect the connector from ECM.
  2. Measure the resistance of harness between ECM and chassis ground.

Connector & terminal 
(B134) No. 6 - Chassis ground: 
(B134) No. 7- Chassis ground: 
(B134) No. 34 - Chassis ground: 
(B135) No. 1 - Chassis ground: 
(B135) No. 4 - Chassis ground: 
(B135) No. 12 - Chassis ground: 
(B137) No. 1 - Chassis ground: 
(B137) No. 2 - Chassis ground: 
(B137) No. 7-Chassis ground: 
Is the resistance less than 5 Ω? Go to step . Repair the open circuit in harness between ECM connector and engine grounding terminal.
3 CHECK INPUT VOLTAGE OF ECM. 
Measure the voltage between ECM connector and chassis ground.
Connector & terminal 
(B135) No. 19 (+) - Chassis ground (-): 
(B137) No. 15 (+) - Chassis ground (-): 
Is the voltage more than 10 V? Go to step . Repair the open or ground short circuit of power supply circuit.
4 CHECK INPUT VOLTAGE OF MAIN RELAY. 
Measure the voltage between main relay connector and chassis ground.
Connector & terminal 
(B47) No. 1 (+) - Chassis ground (-): 
(B47) No. 5 (+) - Chassis ground (-): 
(B47) No. 6 (+) - Chassis ground (-): 
Is the voltage more than 10 V? Go to step . Repair the open or ground short circuit in harness of power supply circuit.
5 CHECK INPUT VOLTAGE OF ECM. 
  1. Connect the main relay connector.
  2. Turn the ignition switch to ON.
  3. Measure the voltage between ECM connector and chassis ground.

Connector & terminal 
(B135) No. 5 (+) - Chassis ground (-): 
(B135) No. 6 (+) - Chassis ground (-): 
(B137) No. 17(+) - Chassis ground (-): 
Is the voltage more than 10 V? Check the ignition control system.
< Ref. to , IGNITION CONTROL SYSTEM , Diagnostics for Engine Starting Failure. >
Repair the open or ground short circuit in harness between ECM connector and main relay connector.