LEMON Manuals: Even more car manuals for everyone: 1960-2025
Home >> Subaru >> 2005 >> Outback R >> Repair and Diagnosis >> Engine Performance >> System >> Engine Controls - Engine (Diagnostics) (H6DO) >> Diagnostics for Engine Starting Failure >> Ignition Control System
April 5, 2026: LEMON Manuals is launched! Read the announcement.

Ignition Control System

CAUTION: After repair or replacement of faulty parts, conduct Clear Memory Mode < Ref. to , CLEAR MEMORY MODE , Clear Memory Mode.> and Inspection Mode < Ref. to , INSPECTION MODE , Inspection Mode.>.

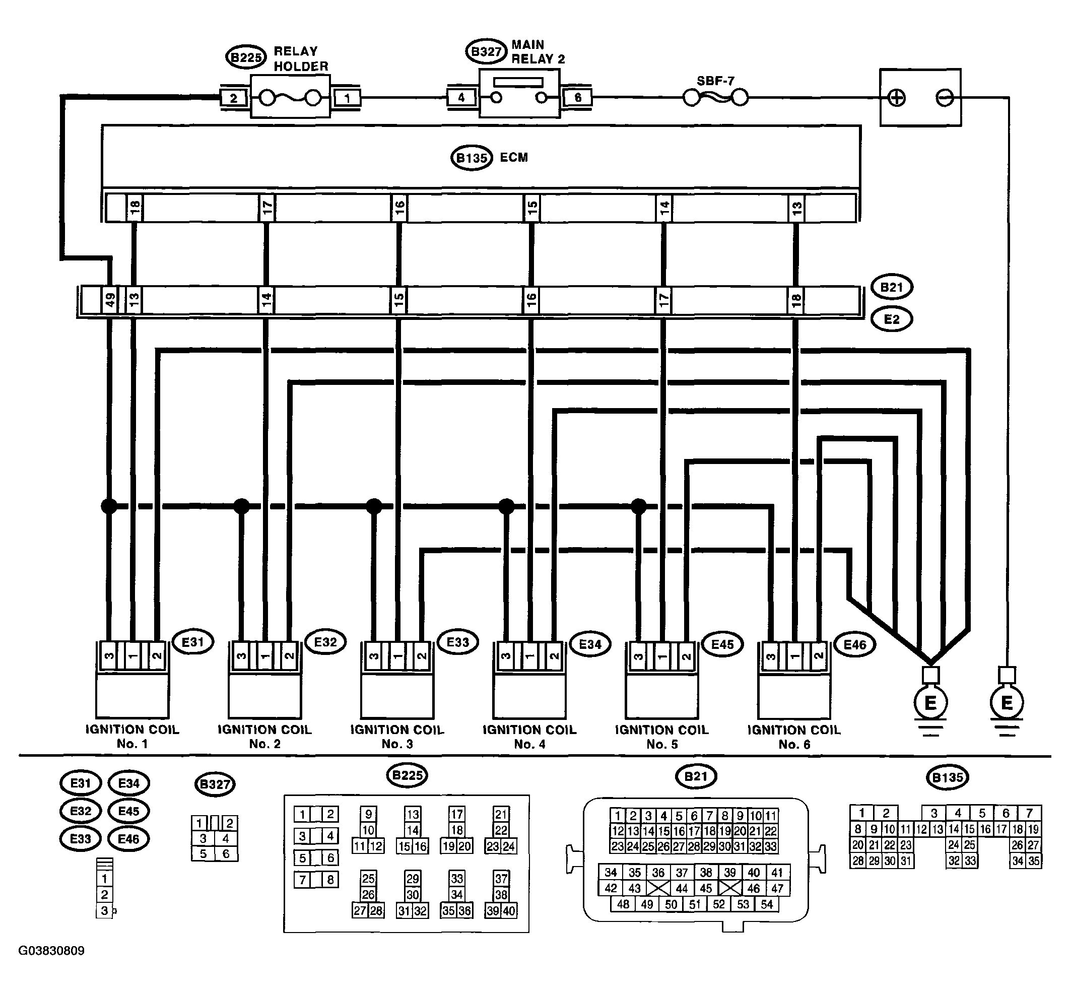
WIRING DIAGRAM: 

Fig 1: Identifying Ignition Control System Wiring Diagram
G03830809Courtesy of SUBARU OF AMERICA, INC.
DIAGNOSIS PROCEDURE - IGNITION CONTROL SYSTEM

Step Check Yes No

CHECK SPARK PLUG CONDITION. 
  1. Remove the spark plug. < Ref. to , REMOVAL , Spark Plug. >
  2. Check the spark plug condition. < Ref. to , INSPECTION , Spark Plug. >
Is the spark plug's status OK? Go to step 2.  Replace the spark plug.

CHECK IGNITION SYSTEM FOR SPARKS. 
  1. Connect the spark plug to ignition coil.
  2. Release the fuel pressure.
  3. Contact the spark plug's thread portion on engine.
  4. While opening the throttle valve fully, start the engine to check that spark occurs at each cylinder.
Does spark occur at each cylinder? Check fuel pump system. < Ref. to , FUEL PUMP CIRCUIT  Diagnostics for Engine Starting Failure. > Go to step .

CHECK POWER SUPPLY CIRCUIT FOR IGNITION COIL AND IGNITOR ASSEMBLY. 
  1. Turn the ignition switch to OFF.
  2. Disconnect the connector from ignition coil and ignitor assembly.
  3. Turn the ignition switch to ON.
  4. Measure the power supply voltage between ignition coil and ignitor assembly connector and engine ground.

    Connector & terminal 

    (E31) No. 3 (+) - Engine ground (-): 

    (E32) No. 3 (+) - Engine ground (-): 

    (E33) No. 3 (+) - Engine ground (-): 

    (E34) No. 3 (+) - Engine ground (-): 

    (E45) No. 3 (+) - Engine ground (-): 

    (E46) No. 3 (+) - Engine ground (-): 

Is the voltage more than 10 V? Go to step 4.  Repair the harness and connector.
NOTE: In this case repair the following:
  • Open circuit in harness between ignition coil and ignitor assembly, and ignition switch connector
  • Poor contact in coupling connector

CHECK HARNESS OF IGNITION COIL AND IGNITOR ASSEMBLY GROUND CIRCUIT. 
  1. Turn the ignition switch to OFF.
  2. Measure the resistance between ignition coil and ignitor assembly connector and engine ground.

    Connector & terminal 

    (E31) No. 2 - Engine ground: 

    (E32) No. 2 - Engine ground: 

    (E33) No. 2 - Engine ground: 

    (E34) No. 2 - Engine ground: 

    (E45) No. 2 - Engine ground: 

    (E46) No. 2 - Engine ground: 

Is the resistance less than 5 ? Go to step 5.  Repair the harness and connector.
NOTE: In this case repair the following:
  • Open circuit in harness between ignition coil and ignitor assembly connector and engine grounding terminal

CHECK HARNESS BETWEEN ECM AND IGNITION COIL AND IGNITOR ASSEMBLY CONNECTOR. 
  1. Turn the ignition switch to OFF.
  2. Disconnect the connector from ECM.
  3. Disconnect the connector from ignition coil and ignitor assembly.
  4. Measure the resistance of harness between ECM and ignition coil and ignitor assembly connector.

    Connector & terminal 

    (B135) No. 18 - (E31) No. 1: 

    (B135) No. 17 - (E32) No. 1: 

    (B135) No. 16 - (E33) No. 1: 

    (B135) No. 15 - (E34) No. 1: 

    (B135) No. 14 - (E45) No. 1: 

    (B135) No. 13 - (E46) No. 1: 

Is the resistance less than 1 ? Go to step 6.  Repair the harness and connector.
NOTE: In this case repair the following:
  • Open circuit in harness between ECM and ignition coil and ignitor assembly connector.
  • Poor contact in coupling connector

CHECK HARNESS BETWEEN ECM AND IGNITION COIL AND IGNITOR ASSEMBLY CONNECTOR. 
Measure the resistance of harness between ECM and engine ground.
Connector & terminal: 
(B135) No. 18 - Engine ground: 
(B135) No. 17 - Engine ground: 
(B135) No. 16 - Engine ground: 
(B135) No. 15 - Engine ground: 
(B135) No. 14 - Engine ground: 
(B135) No. 13 - Engine ground: 
Is the resistance more than 1 M? Go to step 7.  Repair the ground short circuit in harness between ECM and ignition coil and ignitor assembly connector.

CHECK POOR CONTACT. 
Check poor contact in ECM connector.
Is the poor contact in ECM connector? Repair the poor contact in ECM connector. Check fuel pump circuit. < Ref. to , FUEL PUMP CIRCUIT , Diagnostics for Engine Starting Failure. >