LEMON Manuals: Even more car manuals for everyone: 1960-2025
Home >> Subaru >> 2005 >> Outback R >> Repair and Diagnosis >> Engine Performance >> System >> Engine Controls - Engine (Diagnostics) (H6DO) >> Electrical Component Location >> Location >> Engine
April 5, 2026: LEMON Manuals is launched! Read the announcement.

Engine Controls - Engine (Diagnostics) (H6DO): Electrical Component Location: Location: Engine

Fig 2: Locating Sensors (1 Of 4)
G03830770Courtesy of SUBARU OF AMERICA, INC.
Fig 3: Locating Sensors (2 Of 4)
G03830771Courtesy of SUBARU OF AMERICA, INC.
Fig 4: Locating Sensors (3 Of 4)
G03830772Courtesy of SUBARU OF AMERICA, INC.
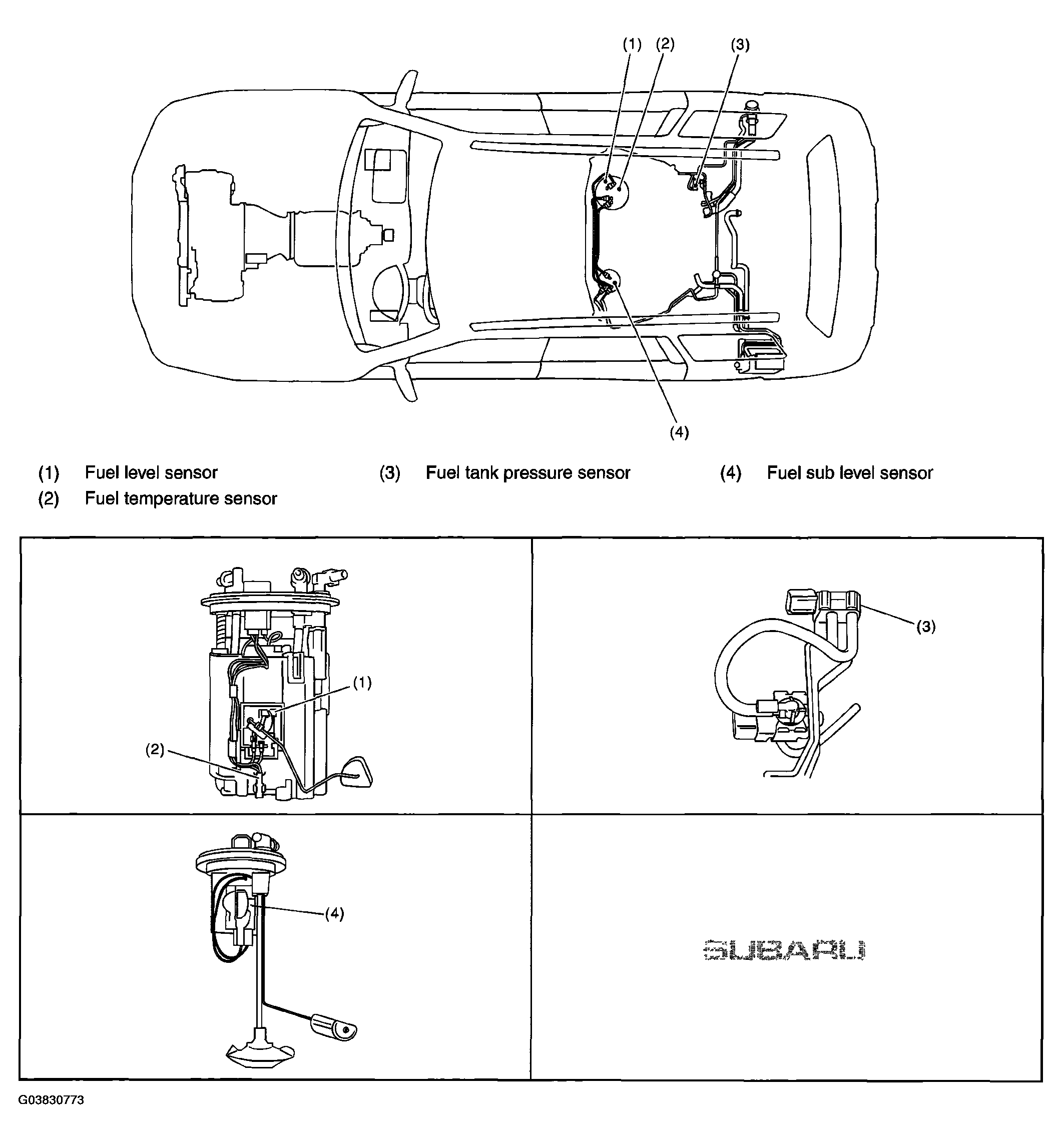
Fig 5: Locating Sensors (4 Of 4)
G03830773Courtesy of SUBARU OF AMERICA, INC.
Fig 6: Identifying Solenoid Valve, Actuator, Emission Control System Parts And Ignition System (1 Of 3)
G03830774Courtesy of SUBARU OF AMERICA, INC.
Fig 7: Identifying Solenoid Valve, Actuator, Emission Control System Parts And Ignition System (2 Of 3)
G03830775Courtesy of SUBARU OF AMERICA, INC.
Fig 8: Identifying Solenoid Valve, Actuator, Emission Control System Parts And Ignition System (3 Of 3)
G03830776Courtesy of SUBARU OF AMERICA, INC.