LEMON Manuals: Even more car manuals for everyone: 1960-2025
Home >> Subaru >> 2005 >> Outback XT, Automatic >> Repair and Diagnosis >> Engine Performance >> System >> Engine Controls - Engine (Diagnostics) (H4DOTC) >> Diagnostic Procedure with Diagnostic Trouble Code (DTC) >> DTC P0139 O2 Sensor Circuit Slow Response (Bank 1 Sensor 2)
April 5, 2026: LEMON Manuals is launched! Read the announcement.

DTC P0139 O2 Sensor Circuit Slow Response (Bank 1 Sensor 2)

DTC DETECTING CONDITION: 

CAUTION: After repair or replacement of faulty parts, conduct Clear Memory Mode < Ref. to , OPERATION , Clear Memory Mode.> and Inspection Mode < Ref. to , PROCEDURE , Inspection Mode.>.

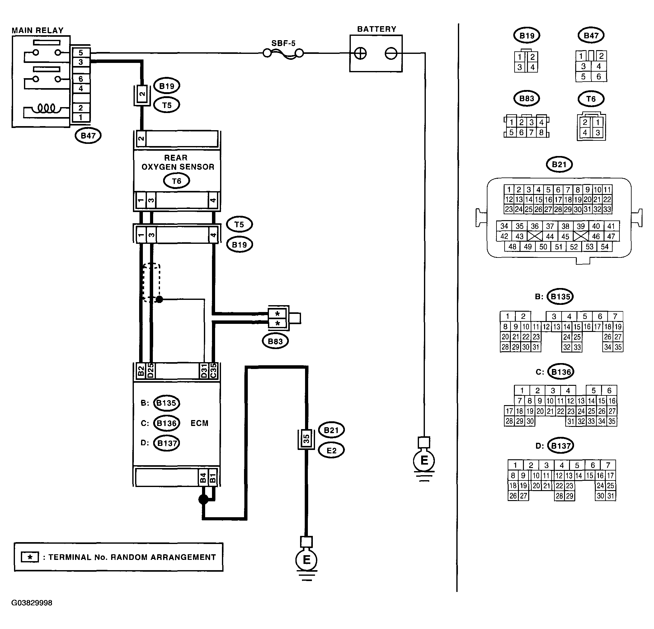
WIRING DIAGRAM: 

Fig 1: Wiring Diagram - DTC P0139 O2 Sensor Circuit Slow Response (Bank 1 Sensor 2)
G03829998Courtesy of SUBARU OF AMERICA, INC.
DIAGNOSTIC PROCEDURE (DTC P0139)

Step Check Yes No

CHECK ANY OTHER DTC ON DISPLAY. 
Is any other DTC displayed? Check DTC using "List of Diagnostic Trouble Code (DTC)". < Ref. to , LIST OF DIAGNOSTIC TROUBLE CODE (DTC) . >
NOTE: In this case, it is not necessary to inspect DTC P0139.
Go to step 2.

CHECK HARNESS BETWEEN ECM AND REAR OXYGEN SENSOR CONNECTOR. 
  1. Turn the ignition switch to OFF.
  2. Disconnect the connectors from ECM and rear oxygen sensor.
  3. Measure the resistance of harness between ECM and rear oxygen sensor connector.

    Connector & terminal 

    (B137) No. 25 - (T6) No. 3: 

Is the resistance less than 1 ? Go to step 3.  Repair harness and connector.
NOTE: In this case, repair the following:
  • Open circuit in harness between rear oxygen sensor and ECM connector

CHECK HARNESS BETWEEN REAR OXYGEN SENSOR AND ECM CONNECTOR. 
Measure the resistance between rear oxygen sensor harness connector and chassis ground.

Connector & terminal 

(T6) No. 3 - Chassis ground: 

Is the resistance more than 1 M? Go to step 4.  Repair short circuit to ground in harness between rear oxygen sensor and ECM connector.

CHECK REAR OXYGEN SENSOR DATA. 
Measure the resistance between connector terminals of rear oxygen sensor.

Terminals 

No. 3 - No. 4: 

Is the resistance less than 1 ? Replace the rear oxygen sensor.
< Ref. to REAR OXYGEN SENSOR . >
Repair connector. Poor contact in rear oxygen sensor connector.