LEMON Manuals: Even more car manuals for everyone: 1960-2025
Home >> Subaru >> 2005 >> Outback i, Automatic >> Repair and Diagnosis (Single Page) >> Engine Performance >> System >> Engine Controls - Engine (Diagnostics) (H4SO) >> Diagnostic Procedure with Diagnostic Trouble Code (DTC) >> DTC P0607 Control Module Performance
April 5, 2026: LEMON Manuals is launched! Read the announcement.

DTC P0607 Control Module Performance

DTC DETECTING CONDITION: 

TROUBLE SYMPTOM: 

CAUTION: After repair or replacement of faulty parts, conduct Clear Memory Mode < Ref. to , OPERATION , Clear Memory Mode.> and Inspection Mode < Ref. to , PROCEDURE , Inspection Mode.>.

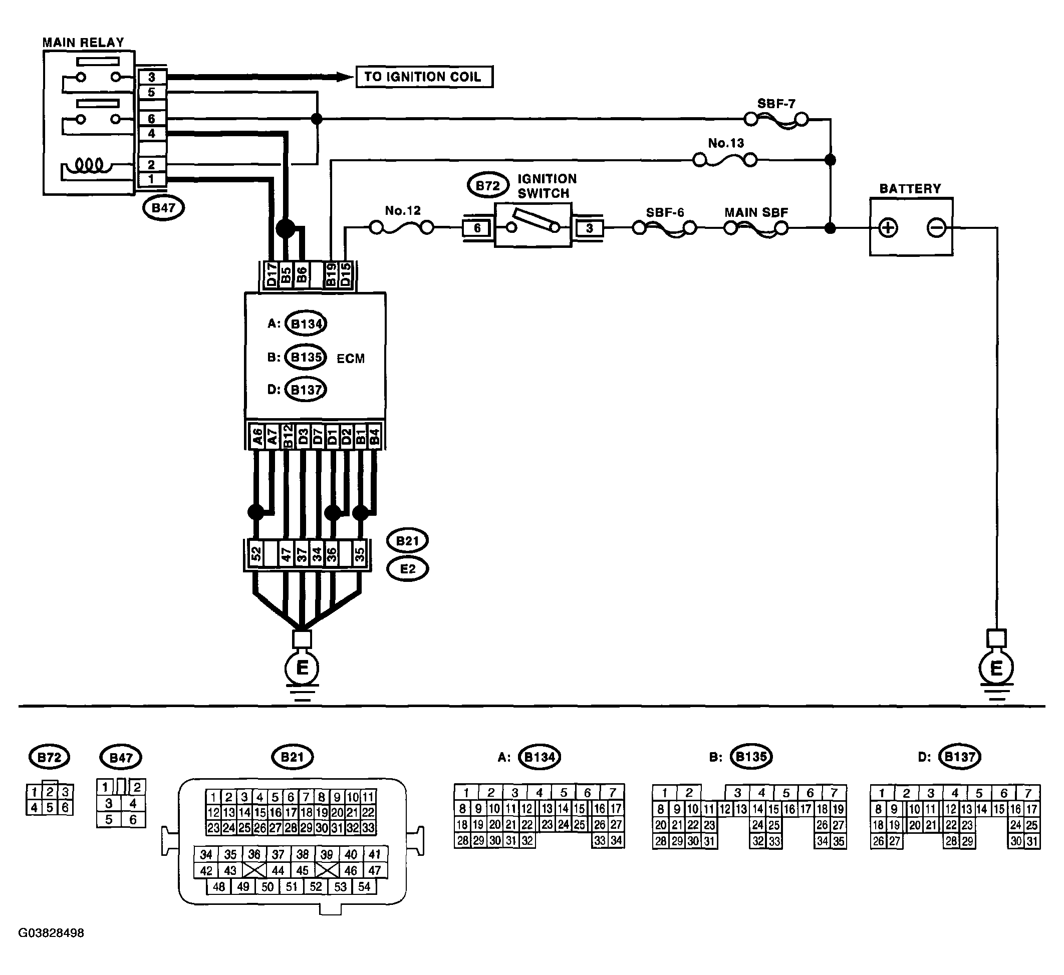
WIRING DIAGRAM: 

Fig 1: DTC P0607 Circuit
G03828498Courtesy of SUBARU OF AMERICA, INC.
DTC P0607 DIAGNOSIS

Step Check Yes No
1. CHECK INPUT VOLTAGE OF ECM 
  1. Turn the ignition switch to ON.
  2. Measure the voltage between ECM connector and ground.

    Connector & terminal 

    (B135) No. 5 (+) - Chassis ground (-): (B135) No. 6 (+) - Chassis ground (-): 

Is the measured value 10 -13 V? Go to step 2.  Repair the open circuit or ground short of power supply circuit.
2. CHECK INPUT VOLTAGE OF ECM 
  1. Start the engine.
  2. Measure the voltage between ECM connector and ground.

    Connector & terminal 

    (B135) No. 5 (+) - Chassis ground (-): (B135) No. 6 (+) - Chassis ground (-): 

Is the measured value 13 - 15 V? Go to step 3.  Repair the open circuit or ground short of power supply circuit.
3. CHECK GROUND HARNESS OF ECM 

Measure the voltage between ECM connector and ground.

Connector & terminal 

(B137) No. 1 (+) - Chassis ground (-): 

(B137) No. 2 (+) - Chassis ground (-): 

(B137) No. 3 (+) - Chassis ground (-): 

Is the measured value less than 1 V? Repair poor contact of ECM connector. If poor contact occur, replace the ECM. Retighten the engine ground terminal.