LEMON Manuals: Even more car manuals for everyone: 1960-2025
Home >> Subaru >> 2006 >> B9 Tribeca Base >> Repair and Diagnosis >> Engine Performance >> System >> Engine Controls - Engine (Diagnostics) (H6DO) >> Diagnostic Procedure with Diagnostic Trouble Code (DTC) >> DTC P0607 Control Module Performance
April 5, 2026: LEMON Manuals is launched! Read the announcement.

DTC P0607 Control Module Performance

DTC DETECTING CONDITION: 

TROUBLE SYMPTOM: 

CAUTION: After repair or replacement of faulty parts, perform Clear Memory Mode < Refer to OPERATION , CLEAR MEMORY MODE > and Inspection Mode < Refer to PROCEDURE , INSPECTION MODE >.

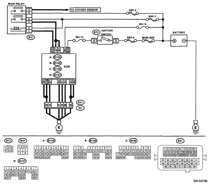
WIRING DIAGRAM: 

Fig 1: Engine Control Module (ECM) - Wiring Diagram
G05031693Courtesy of SUBARU OF AMERICA, INC.
DIAGNOSTIC CHART

Step Check Yes No
1 CHECK INPUT VOLTAGE FROM ECM. 
  1. Turn the ignition switch to ON.
  2. Measure the voltage between ECM connector and chassis ground.

    Connector & terminal 

    (B134) No. 7 (+) - Chassis ground (-): 

    (B135) No. 2 (+) - Chassis ground (-): 

Is the voltage 10 - 13 V? Go to step 2.  Repair the open or ground short circuit of power supply circuit.
2 CHECK INPUT VOLTAGE FROM ECM. 
  1. Start the engine.
  2. Measure the voltage between ECM connector and chassis ground.

    Connector & terminal 

    (B134) No. 7 (+) - Chassis ground (-): 

    (B135) No. 2 (+) - Chassis ground (-): 

Is the voltage 13 - 15 V? Go to step 3.  Repair the open or ground short circuit of power supply circuit.
3 CHECK ECM GROUND HARNESS. 
Measure the voltage between ECM connector and chassis ground.

Connector & terminal 

(B134) No. 3 (+) - Chassis ground (-): 

(B134) No. 5 (+) - Chassis ground (-): 

(B137) No. 1 (+) - Chassis ground (-): 

(B137) No. 2 (+) - Chassis ground (-): 

(B137) No. 3 (+) - Chassis ground (-): 

(B137) No. 7 (+) - Chassis ground (-): 

Is the voltage less than 1 V? Repair poor contact in ECM connector. Replace the ECM if defective. < Refer to ENGINE CONTROL MODULE (ECM) . > Further tighten the engine ground terminal.