LEMON Manuals: Even more car manuals for everyone: 1960-2025
Home >> Subaru >> 2006 >> Forester X, Automatic >> Repair and Diagnosis >> Engine Performance >> System >> Engine Controls - Engine (Diagnostics) (H4SO) >> Diagnostic Procedure with Diagnostic Trouble Code (DTC) >> DTC P0607 Control Module Performance
April 5, 2026: LEMON Manuals is launched! Read the announcement.

DTC P0607 Control Module Performance

DTC DETECTING CONDITION: 

TROUBLE SYMPTOM: 

CAUTION: After repairing or replacing the defective part, carry out the Clear Memory Mode <Ref. to OPERATION , CLEAR MEMORY MODE. > and Inspection Mode <Ref. to PROCEDURE , INSPECTION MODE. >.

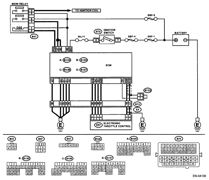
WIRING DIAGRAM: 

Fig 1: Control Module Performance - Wiring Diagram
G04993114
DIAGNOSTICS PROCEDURE CHART

Step Check Yes No
1 CHECK INPUT VOLTAGE OF ECM. 
  1. Turn the ignition switch to ON.
  2. Measure the voltage between ECM connector and chassis ground.

    Connector & terminal 

    (B134) No. 7 (+) - Chassis ground (-): 

    (B135) No. 2 (+) - Chassis ground (-): 

Is the voltage 10 - 13 V? Go to step 2.  Repair the open or ground short circuit of power supply circuit.
2 CHECK INPUT VOLTAGE OF ECM. 
  1. Start the engine.
  2. Measure the voltage between ECM connector and chassis ground.

    Connector & terminal 

    (B134) No. 7 (+) - Chassis ground (-): 

    (B135) No. 2 (+) - Chassis ground (-): 

Is the voltage 13-15 V? Go to step 3.  Repair the open or ground short circuit of power supply circuit.
3 CHECK HARNESS BETWEEN ECM AND ELECTRONIC THROTTLE CONTROL. 
  1. Turn the ignition switch to OFF.
  2. Disconnect the connectors from ECM and electronic throttle control.
  3. Measure the resistance of harness between ECM and electronic throttle control connector.

    Connector & terminal 

    (E57) No. 5 - (B134) No. 19: 

    (E57) No. 3 - (B134) No. 29: 

Is the resistance less than 1 Ω? Go to step 4.  Repair the open circuit of harness between ECM and electronic throttle control connector.
4 CHECK ECM GROUND HARNESS. 
Measure the voltage between ECM connector and chassis ground.

Connector & terminal 

(B134) No. 5 (+) - Chassis ground (-): 

(B137) No. 7 (+) - Chassis ground (-): 

(B137) No. 1 (+) - Chassis ground (-): 

(B137) No. 2 (+) - Chassis ground (-): 

(B137) No. 3 (+) - Chassis ground (-): 

Is the voltage less than 1 V? Repair poor contact in ECM connector. Replace the ECM if defective. <Ref. to ENGINE CONTROL MODULE (ECM) . > Further tighten the engine ground terminal.