LEMON Manuals: Even more car manuals for everyone: 1960-2025
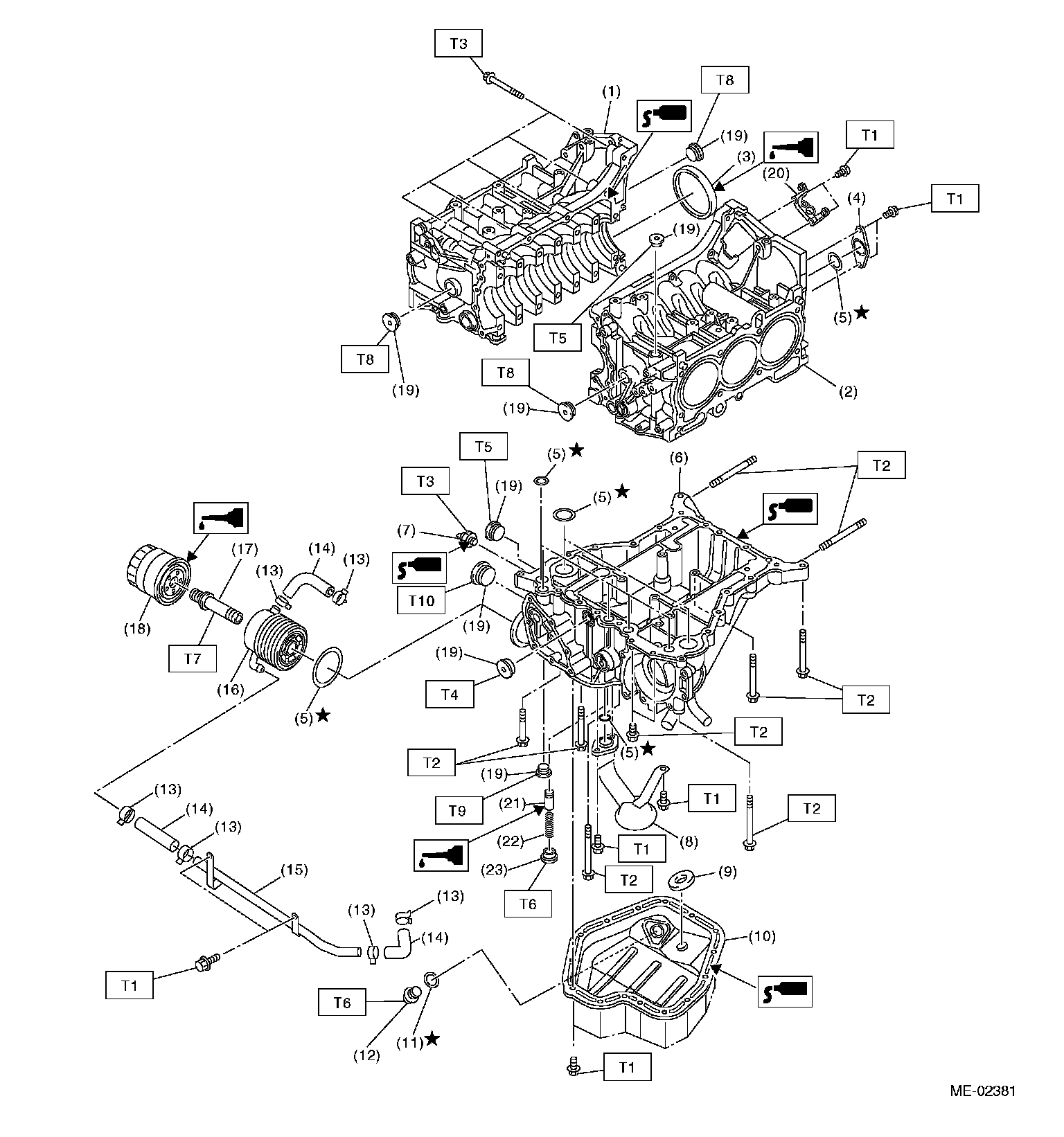
Home >> Subaru >> 2006 >> Outback F6-3.0L DOHC >> Repair and Diagnosis >> Diagrams >> Exploded Views >> Engine >> System Diagram >> Cylinder Block
April 5, 2026: LEMON Manuals is launched! Read the announcement.

Cylinder Block