LEMON Manuals: Even more car manuals for everyone: 1960-2025
Home >> Subaru >> 2006 >> Outback XT, Automatic >> Repair and Diagnosis >> Engine Performance >> System >> Engine Controls - Engine (Diagnostics) (H4DOTC) >> Diagnostic Procedure with Diagnostic Trouble Code (DTC) >> DTC P0607 Control Module Performance
April 5, 2026: LEMON Manuals is launched! Read the announcement.

DTC P0607 Control Module Performance

DTC DETECTING CONDITION: 

TROUBLE SYMPTOM: 

CAUTION: After repairing or replacing the defective part, perform the Clear Memory Mode < Ref. to OPERATION , Clear Memory Mode. > and Inspection Mode < Ref. to PROCEDURE , Inspection Mode. >.

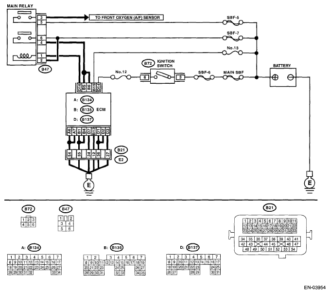
WIRING DIAGRAM: 

Fig 1: Control Module Performance - Wiring Diagram
G05021621
DIAGNOSTIC PROCEDURE

Step Check Yes No
1 CHECK INPUT VOLTAGE OF ECM. 
  1. Turn the ignition switch to ON.
  2. Measure the voltage between ECM connector and chassis ground.

    Connector & terminal 

    (B135) No. 5 (+) - Chassis ground (-): 

    (B135) No. 6 (+) - Chassis ground (-): 

Is the voltage 10 - 13 V? Go to step 2.  Repair the open or ground short circuit of power supply circuit.
2 CHECK INPUT VOLTAGE OF ECM. 
  1. Start the engine.
  2. Measure the voltage between ECM connector and chassis ground.

    Connector & terminal 

    (B135) No. 5 (+) - Chassis ground (-): 

    (B135) No. 6 (+) - Chassis ground (-): 

Is the voltage 13 - 15 V? Go to step 3.  Repair the open or ground short circuit of power supply circuit.
3 CHECK ECM GROUND HARNESS. 
Measure the voltage between ECM connector and chassis ground.
Connector & terminal 
(B137) No. 1 (+) - Chassis ground (-): 
(B137) No. 2 (+) - Chassis ground (-): 
Is the voltage less than 1 V? Repair the poor contact of ECM connector. Replace the ECM if defective. < Ref. to ENGINE CONTROL MODULE (ECM) . > Further tighten the engine ground terminal.