LEMON Manuals: Even more car manuals for everyone: 1960-2025
Home >> Subaru >> 2006 >> Outback i, Automatic >> Repair and Diagnosis >> Engine Performance >> System >> Engine Controls - Engine (Diagnostics) (H4SO) >> Diagnostic Procedure with Diagnostic Trouble Code (DTC) >> DTC P0140 O2 Sensor Circuit No Activity Detected (Bank 1 Sensor2)
April 5, 2026: LEMON Manuals is launched! Read the announcement.

DTC P0140 O2 Sensor Circuit No Activity Detected (Bank 1 Sensor2)

DTC DETECTING CONDITION: 

CAUTION: After repairing or replacing the defective part, perform the Clear Memory Mode < Ref. to OPERATION , Clear Memory Mode. > and Inspection Mode < Ref. to PROCEDURE , Inspection Mode. >.

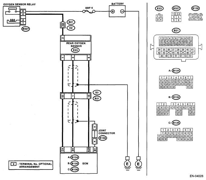
WIRING DIAGRAM: 

Fig 1: O2 Sensor Circuit No Activity Detected (Bank 1 Sensor2) - Wiring Diagram
G05017538
DIAGNOSIS PROCEDURE

Step Check Yes No
1 CHECK ANY OTHER DTC ON DISPLAY.  Is any other DTC displayed? Check DTC using "List of Diagnostic Trouble Code (DTC)". < Ref. to LIST OF DIAGNOSTIC TROUBLE CODE (DTC) . >
NOTE: In this case, it is not necessary to inspect DTC P0139.
Go to step 2. 
2 CHECK HARNESS BETWEEN ECM AND REAR OXYGEN SENSOR CONNECTOR. 
  1. Turn the ignition switch to OFF.
  2. Disconnect the connector from ECM and rear oxygen sensor.
  3. Measure the resistance of harness between ECM and rear oxygen sensor connector.

    Connector & terminal 

    (B135) No. 4 - (E23) No. 3: 

Is the resistance less than 1 Ω? Go to step 3.  Repair the open circuit of harness between ECM and rear oxygen sensor connector.
3 CHECK HARNESS BETWEEN ECM AND REAR OXYGEN SENSOR CONNECTOR. 
Measure the resistance between rear oxygen sensor harness connector and chassis ground.
Connector & terminal 
(E23) No. 3 - Chassis ground: 
Is the resistance more than 1 MΩ? Go to step 4.  Repair the chassis short circuit of harness.
4 CHECK REAR OXYGEN SENSOR. 
Measure the resistance between the rear oxygen sensor connectors.
Terminals No. 3 - No. 4: 
Is the resistance less than 1 Ω Replace the rear oxygen sensor. < Ref. to REAR OXYGEN SENSOR . > Temporary poor contact occurs. Check poor contact of connector.