LEMON Manuals: Even more car manuals for everyone: 1960-2025
Home >> Subaru >> 2007 >> B9 Tribeca Base >> Repair and Diagnosis >> Transmission >> Transmission Control Systems >> A/T Control Systems >> AT Shift Lock Control System >> Inspection >> Key Interlock Does Not Lock Or Release
April 5, 2026: LEMON Manuals is launched! Read the announcement.

Key Interlock Does Not Lock Or Release

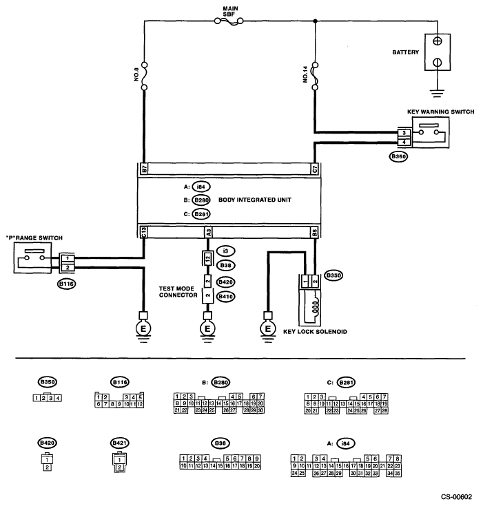
Fig 1: Key Interlock Does Not Lock Or Release - Wiring Diagram
G05031895Courtesy of SUBARU OF AMERICA, INC.
DIAGNOSIS PROCEDURE

Step Check Yes No
1 CHECK INPUT SIGNAL OF BODY INTEGRATED UNIT USING SUBARU SELECT MONITOR. 
  1. Turn the ignition switch to OFF.
  2. Connect the Subaru Select Monitor to data link connector.
  3. Turn the ignition switch and Subaru Select Monitor to ON.
  4. Read the input signal of the key warning switch from the Subaru Select Monitor.

< Refer to OPERATION , Subaru Select Monitor. >
Is "ON" displayed? Go to step 2.  Go to step 4. 
2 CHECK INPUT SIGNAL OF BODY INTEGRATED UNIT USING SUBARU SELECT MONITOR. 
  1. Shift the select lever to "P" range.
  2. Read the input signal of "P" range switch from Subaru Select Monitor.

< Refer to OPERATION , Subaru Select Monitor. >
Is "ON" displayed? Go to step 3.  Go to step 8. 
3 CHECK DTC OF BODY INTEGRATED UNIT. 
Check DTC of the body integrated unit.
< Refer to OPERATION , Read Diagnostic Trouble Code (DTC). >
Is DTC (B0105) displayed? Repair or replace it according to the DTC. Check the body integrated unit.
4 CHECK HARNESS BETWEEN BATTERY AND KEY WARNING SWITCH. 
  1. Disconnect the connector of key warning switch.
  2. Measure the voltage of harness between key warning switch and chassis ground.

Connector & terminal 

(B350) No. 3 (+) - Chassis ground (-): 

Is the voltage 9 - 16 V? Go to step 5.  Repair the open or short circuit of harness between battery and key warning switch.
5 CHECK KEY WARNING SWITCH. 
Measure the resistance between connector terminals of key warning switch.

Terminals 

No. 3 - No. 4: 

Is the resistance more than 1 MΩ? Replace the key warning switch. Go to step 6. 
6 CHECK KEY WARNING SWITCH. 
  1. Remove the key.
  2. Measure the resistance between connector terminals of key warning switch.

Terminals 

No. 3 - No. 4: 

Is the resistance more than 1 MΩ? Go to step 7.  Replace the key warning switch.
7 CHECK HARNESS BETWEEN AT SHIFT LOCK CONTROL MODULE AND KEY WARNING SWITCH. 
  1. Disconnect the connector of body integrated unit.
  2. Measure the voltage between body integrated unit and chassis ground.

Connector & terminal 

(B281) No. 7 (+) - Chassis ground (-): 

Is the voltage more than 9 V? Go to step 8.  Repair the open circuit of harness between body integrated unit and key warning switch.
8 CHECK HARNESS BETWEEN "P" RANGE SWITCH AND CHASSIS GROUND. 
Measure the resistance of harness between "P" range switch and chassis ground.

Connector & terminal 

(B116) No. 1 - Chassis ground: 

Is the resistance less than 1 Ω? Go to step 9.  Repair the short circuit of harness between "P" range switch and body integrated unit.
9 CHECK HARNESS BETWEEN BODY INTEGRATED UNIT AND "P" RANGE SWITCH. 
  1. Disconnect the connector of the "P" range switch.
  2. Measure the resistance of harness between the body integrated unit and the "P" range switch.

Connector & terminal 

(B116) No. 1 - (B281) No. 13: 

Is the resistance more than 1 MΩ? Repair the open circuit of harness between the body integrated unit and the "P" range switch. Go to step 10. 
10 CHECK HARNESS BETWEEN "P" RANGE SWITCH AND CHASSIS GROUND. 
Measure the resistance of harness between "P" range switch and chassis ground.

Connector & terminal 

(B116) No. 2 - Chassis ground: 

Is the resistance more than 1 MΩ? Repair the open circuit of harness between "P" range switch and chassis ground. Go to step 11. 
11 CHECK "P" RANGE SWITCH. 
  1. Shift the select lever to "P" range.
  2. Measure the resistance between "P" range switch connector terminals.

Terminals 

No. 2 - No. 1: 

Is the resistance less than 1 Ω? Go to step 12.  Replace the "P" range switch.
12 CHECK "P" RANGE SWITCH. 
  1. Shift the select lever to other than "P" range.
  2. Measure the resistance between "P" range switch connector terminals.

Terminals 

No. 2 - No. 1: 

Is the resistance more than 1 MΩ? Go to step 13.  Replace the "P" range switch.
13 CHECK OPERATION. 
Inspect the backup power supply circuit. < Refer to BODY INTEGRATED UNIT POWER SUPPLY AND GROUND CIRCUIT , INSPECTION, AT SHIFT LOCK CONTROL SYSTEM. >
Is the backup power supply circuit operating properly? Go to step 14.  Check the body integrated unit.
14 CHECK TEST MODE CONNECTOR. 
  1. Check that the test mode connector is disconnected.
  2. Measure the resistance between body integrated unit and chassis ground.

Connector & terminal 

(B281) No. 11 - Chassis ground: 

Is the resistance more than 1 MΩ? Go to step 15.  Repair the short circuit of the harness between body integrated unit and test mode connector.
15 CHECK OPERATION. 
  1. Connect all the connectors.
  2. Operate the key lock solenoid.
Does the key lock solenoid operate normally? A temporary poor contact of connector or harness may be the cause. Check the body integrated unit.