LEMON Manuals: Even more car manuals for everyone: 1960-2025
Home >> Subaru >> 2007 >> B9 Tribeca Base >> Repair and Diagnosis >> Transmission >> Transmission Control Systems >> A/T Control Systems >> AT Shift Lock Control System >> Inspection >> Shift Lock Of Select Lever Cannot Be Released
April 5, 2026: LEMON Manuals is launched! Read the announcement.

Shift Lock Of Select Lever Cannot Be Released

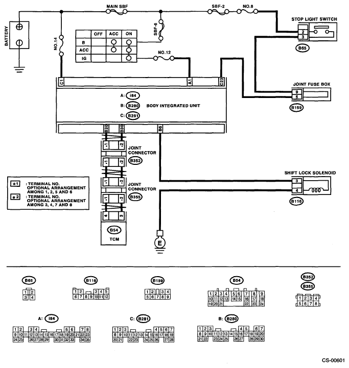
Fig 1: Shift Lock Of Select Lever Cannot Be Released - Wiring Diagram
G05031894Courtesy of SUBARU OF AMERICA, INC.
DIAGNOSIS PROCEDURE

Step Check Yes No
1 CHECK INPUT SIGNAL OF BODY INTEGRATED UNIT USING SUBARU SELECT MONITOR. 
  1. Turn the ignition switch to OFF.
  2. Connect the Subaru Select Monitor to data link connector.
  3. Turn the ignition switch and Subaru Select Monitor to ON.
  4. Read the input signal of shift position from Subaru Select Monitor.

    < Refer to OPERATION , Subaru Select Monitor. >

Is "7" displayed? Go to step 2.  Check the TCM and body integrated unit.
2 CHECK INPUT SIGNAL OF BODY INTEGRATED UNIT USING SUBARU SELECT MONITOR. 
Read the input signal of stop light switch from Subaru Select Monitor.
< Refer to OPERATION , Subaru Select Monitor. >
Is "ON" displayed? Go to step 5.  Go to step 3. 
3 CHECK STOP LIGHT SWITCH. 
Depress the brake pedal.
Does the stop light illuminate? Go to step 4.  Check the stop light system.
4 CHECK HARNESS BETWEEN STOP LIGHT SWITCH AND BODY INTEGRATED UNIT. 
  1. Depress the brake pedal.
  2. Measure the voltage between body integrated unit and chassis ground.

Connector & terminal 

(B281) No. 23 (+) - Chassis ground (-): 

Is the voltage more than 9 V? Go to step 5.  Repair the open or short circuit of harness between the body integrated unit and stop light switch.
5 CHECK DTC OF BODY INTEGRATED UNIT. 
Check DTC of the body integrated unit.
< Refer to OPERATION , Read Diagnostic Trouble Code (DTC). >
Is DTC (B0106) displayed? Repair or replace it according to the DTC. Go to step 6. 
6 CHECK SHIFT LOCK SOLENOID. 
  1. Turn the ignition switch to OFF.
  2. Disconnect the connector of shift lock solenoid.
  3. Connect the battery to connector terminal of shift lock solenoid, and operate the solenoid.

Terminals 

No. 3 (+) - No. 4 (-): 

Is the shift lock solenoid operating properly? Go to step 7.  Replace the shift lock solenoid.
7 CHECK OPERATION. 
  1. Connect all the connectors.
  2. Turn the ignition switch ON. (Engine OFF)
  3. Shift the select lever to "P" range.
  4. Depress the brake pedal.
  5. Shift the select lever from "P" range to "R" range.
Can the select lever shift from "P" range to "R" range? A temporary poor contact of connector or harness may be the cause. Check the body integrated unit.