LEMON Manuals: Even more car manuals for everyone: 1960-2025
Home >> Subaru >> 2007 >> Forester X, Automatic >> Repair and Diagnosis >> Engine Performance >> System >> Engine Controls (Diagnostics) (H4SO) >> Diagnostic Procedure with Diagnostic Trouble Code (DTC) >> DTC P1602 Control Module Programming Error >> Wiring Diagram
April 5, 2026: LEMON Manuals is launched! Read the announcement.

DTC P1602 Control Module Programming Error: Wiring Diagram

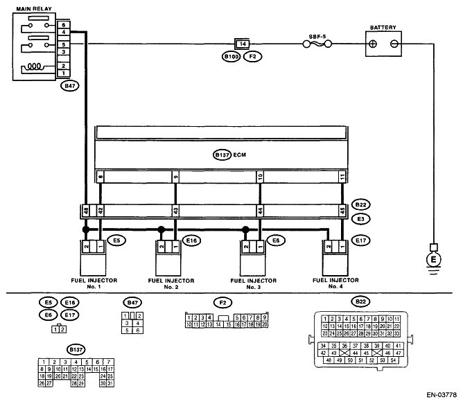
Fig 1: Control Module Programming Error - Wiring Diagram (1 Of 2)
G04993064Courtesy of SUBARU OF AMERICA, INC.
Fig 2: Control Module Programming Error - Wiring Diagram (2 Of 2)
G04993041Courtesy of SUBARU OF AMERICA, INC.
DIAGNOSIS PROCEDURE

Step Check Yes No
1 CHECK ANY OTHER DTC ON DISPLAY.  Is any other DTC displayed? Check the appropriate DTC using the "List of Diagnostic Trouble Code (DTC)". <Ref. to LIST OF DIAGNOSTIC TROUBLE CODE (DTC) . > Go to step 2. 
2 CHECK ENGINE OIL.  Is the engine oil filled to the specified amount? Go to step 3.  Replace the engine oil. <Ref. to REPLACEMENT , Engine Oil. >
3 CHECK EXHAUST SYSTEM.  Are there holes or loose bolts on exhaust system? Repair the exhaust system. Go to step 4. 
4 CHECK AIR INTAKE SYSTEM.  Are there holes, loose bolts or disconnection of hose on air intake system? Repair the air intake system. Go to step 5. 
5 CHECK FUEL PRESSURE. 
WARNING:
  • Place "NO FIRE" signs near the working area.
  • Be careful not to spill fuel.

Measure the fuel pressure. <Ref. to INSPECTION , Fuel Pressure. >
WARNING: Release fuel pressure before removing the fuel pressure gauge.
Is the fuel pressure 339.5 - 360.5 kPa (3.5 - 3.7 kgf/cm2 , 49 - 52 psi)? Go to step 6.  Repair the following item. Fuel pressure is too high:
  • Clogged fuel line or bent hose Fuel pressure is too low:
  • Improper fuel pump discharge
  • Clogged fuel line
6 CHECK ENGINE COOLANT TEMPERATURE SENSOR. 
  1. Start the engine and warm-up completely.
  2. Read the data of engine coolant temperature sensor signal using Subaru Select Monitor or general scan tool.
NOTE:
  • Subaru Select Monitor

    For detailed operation procedure, refer to "READ CURRENT DATA FOR ENGINE". <Ref. to SUBARU SELECT MONITOR . >

  • General scan tool

    For detailed operation procedures, refer to the General Scan Tool Instruction Manual.

Is the engine coolant temperature above 60°C (140°F) ? Go to step 7.  Replace the engine coolant temperature sensor. <Ref. to ENGINE COOLANT TEMPERATURE SENSOR . >
7 CHECK MASS AIR FLOW AND INTAKE AIR TEMPERATURE SENSOR. 
  1. Start the engine and warm-up engine until coolant temperature is greater than 60°C (140°F).
  2. Place the select lever in "N" or "P" position.
  3. Turn the A/C switch to OFF.
  4. Turn all the accessory switches to OFF.
  5. Read the data of mass airflow and intake air temperature sensor signal using Subaru Select Monitor or general scan tool.
NOTE:
  • Subaru Select Monitor

    For detailed operation procedure, refer to "READ CURRENT DATA FOR ENGINE". <Ref. to SUBARU SELECT MONITOR . >

  • General scan tool

    For detailed operation procedures, refer to the General Scan Tool Instruction Manual.

Is the measured value 2.1 - 3.4 g/s (0.28 - 0.45 lb/m) Go to step 8.  Replace the mass air flow and intake air temperature sensor. <Ref. to MASS AIR FLOW AND INTAKE AIR TEMPERATURE SENSOR . >
8 CHECK MASS AIR FLOW AND INTAKE AIR TEMPERATURE SENSOR. 
  1. Start the engine and warm-up engine until coolant temperature is greater than 60°C (140°F).
  2. Place the shift lever in neutral position.
  3. Turn the A/C switch to OFF.
  4. Turn all the accessory switches to OFF.
  5. Open the front hood.
  6. Measure the ambient temperature.
  7. Read the data of mass airflow and intake air temperature sensor signal using Subaru Select Monitor or general scan tool.
NOTE:
  • Subaru Select Monitor

    For detailed operation procedure, refer to "READ CURRENT DATA FOR ENGINE". <Ref. to SUBARU SELECT MONITOR . >

  • General scan tool

    For detailed operation procedures, refer to the General Scan Tool Instruction Manual.

Subtract the ambient temperature from intake air temperature. Is the obtained value -10 - 50°C(-18 - 90°F)? Go to step 9.  Check the mass air flow and intake air temperature sensor. <Ref. to MASS AIR FLOW AND INTAKE AIR TEMPERATURE SENSOR . >
9 CHECK OUTPUT SIGNAL OF ECM. 
  1. Turn the ignition switch to ON.
  2. Measure the voltage between ECM connector and chassis ground.

    Connector & terminal 

    #1 (B137) No. 8 (+) - Chassis ground (-): 

    #2 (B137) No. 9 (+) - Chassis ground (-): 

    #3 (B137) No. 10 (+) - Chassis ground (-): 

    #4 (B137) No. 11(+) - Chassis ground (-): 

Is the voltage 10 V or more? Go to step 14.  Go to step 10. 
10 CHECK HARNESS BETWEEN FUEL INJECTOR AND ECM CONNECTOR. 
  1. Turn the ignition switch to OFF.
  2. Disconnect the connector from fuel injector on faulty cylinders.
  3. Measure the resistance between ECM connector and engine ground on faulty cylinders.

    Connector & terminal 

    #1 (E5) No. 1 - Engine ground: 

    #2 (E16) No. 1 - Engine ground: 

    #3 (E6) No. 1 - Engine ground: 

    #4 (E17) No. 1 - Engine ground: 

Is the resistance 1 MΩ or more? Go to step 11.  Repair the ground short circuit of harness between fuel injector and ECM connector.
11 CHECK HARNESS BETWEEN FUEL INJECTOR AND ECM CONNECTOR. 
Measure the resistance of harness connector between ECM connector and fuel injector on faulty cylinders.
Connector & terminal 
#1 (B137) No. 8 - (E5) No. 1: 
#2 (B137) No. 9 - (E16) No. 1: 
#3 (B137) No. 10 - (E6) No. 1: 
#4 (B137) No. 11- (E17) No. 1: 
Is the resistance less than 1 Ω? Go to step 12.  Repair the harness and connector.
NOTE: In this case, repair the following item:
  • Open circuit in harness between ECM and fuel injector connector
  • Poor contact in coupling connector
12 CHECK FUEL INJECTOR. 
Measure the resistance between fuel injector terminals on faulty cylinder.
Terminals 
No. 1 - NO.2: 
Is the resistance between 5 and 20 Ω? Go to step 13.  Replace the faulty fuel injector. <Ref. to FUEL INJECTOR . >
13 CHECK POWER SUPPLY LINE. 
  1. Turn the ignition switch to ON.
  2. Measure the voltage between fuel injector and engine ground on faulty cylinders.

    Connector & terminal 

    #1 (E5) No. 2 (+) - Engine ground (-): 

    #2 (E16) No. 2 (+) - Engine ground (-): 

    #3 (E6) No. 2 (+) - Engine ground (-): 

    #4 (E17) No. 2 (+) - Engine ground (-): 

Is the voltage 10 V or more? Repair the poor contact of all connectors in fuel injector circuit. Repair the harness and connector.
NOTE: In this case, repair the following item:
  • Open circuit in harness between main relay and fuel injector connector on faulty cylinders
  • Poor contact in coupling connector
  • Poor contact in main relay connector
  • Poor contact in fuel injector connector on faulty cylinders
14 CHECK HARNESS BETWEEN FUEL INJECTOR AND ECM CONNECTOR. 
  1. Turn the ignition switch to OFF.
  2. Disconnect the connector from fuel injector on faulty cylinders.
  3. Turn the ignition switch to ON.
  4. Measure the voltage between ECM connector and chassis ground on faulty cylinders.

    Connector & terminal 

    #1 (B137) No. 8 (+) - Chassis ground (-): 

    #2 (B137) No. 9 (+) - Chassis ground (-): 

    #3 (B137) No. 10 (+) - Chassis ground (-): 

    #4 (B137) No. 11(+) - Chassis ground (-): 

Is the voltage 10 V or more? Repair the battery short circuit of harness between ECM connector and fuel injector. After repair, replace the ECM. <Ref. to ENGINE CONTROL MODULE (ECM) . > Go to step 15. 
15 CHECK FUEL INJECTOR. 
  1. Turn the ignition switch to OFF.
  2. Measure the resistance between fuel injector terminals on faulty cylinder.

    Terminals 

    No. 1 - No.2: 

Is the resistance less than 1 Ω? Replace the faulty fuel injector <Ref. to FUEL INJECTOR . > and ECM. <Ref. to ENGINE CONTROL MODULE (ECM) . > Go to step 16. 
16 CHECK INSTALLATION OF CAMSHAFT POSITION SENSOR/CRANKSHAFT POSITION SENSOR.  Is the camshaft position sensor or crankshaft position sensor loosely installed? Tighten the camshaft position sensor or crankshaft position sensor. Go to step 17. 
17 CHECK CRANK SPROCKET. 
Remove the timing belt cover.
Is the crank sprocket rusted or does it have broken teeth? Replace the crank sprocket. <Ref. to CRANK SPROCKET . > Go to step 18. 
18 CHECK INSTALLATION CONDITION OF TIMING BELT. 
Turn the crankshaft, and align alignment mark on crank sprocket with alignment mark on cylinder block.
Is the timing belt dislocated from its proper position? Repair the installation condition of timing belt. <Ref. to TIMING BELT . > Go to step 19. 
19 CHECK ELECTRONIC THROTTLE CONTROL RELAY. 
  1. Turn the ignition switch to OFF.
  2. Remove the electronic throttle control relay.
  3. Connect the battery to terminals No. 5 and No. 6 of electronic throttle control relay.
  4. Measure the resistance between electronic throttle control relay terminals.

    Terminals 

    No. 2 - No. 4: 

Is the resistance less than 1 Ω? Go to step 20.  Replace the electronic throttle control relay.
20 CHECK POWER SUPPLY OF ELECTRONIC THROTTLE CONTROL RELAY. 
Measure the voltage between electronic throttle control relay connector and chassis ground.
Connector & terminal 
(B309) No. 2 (+) - Chassis ground (-): 
(B309) No. 1 (+) - Chassis ground (-): 
Is the voltage 5 V or more? Go to step 21.  Repair the open or ground short circuit of power supply circuit.
21 CHECK HARNESS BETWEEN ECM AND ELECTRONIC THROTTLE CONTROL RELAY. 
  1. Disconnect the connectors from ECM.
  2. Turn the ignition switch to ON.
  3. Measure the voltage between electronic throttle control relay connector and chassis ground.

    Connector & terminal 

    (B309) No. 3 (+) - Chassis ground (-): 

Is the voltage less than 5 V? Go to step 22.  Repair the power supply short circuit of harness between ECM and electronic throttle control.
22 CHECK HARNESS BETWEEN ECM AND ELECTRONIC THROTTLE CONTROL RELAY. 
  1. Turn the ignition switch to OFF.
  2. Measure the resistance between electronic throttle control relay connector and chassis ground.

    Connector & terminal 

    (B309) No. 3 - Chassis ground: 

    (B309) No. 4 - Chassis ground: 

Is the resistance 1 MΩ or more? Go to step 23.  Repair the ground short circuit of harness between ECM and electronic throttle control relay.
23 CHECK HARNESS BETWEEN ECM AND ELECTRONIC THROTTLE CONTROL RELAY. 
Measure the resistance between ECM connector and electronic throttle control relay connector.
Connector & terminal 
(B136) No. 21 - (B309) No. 3: 
(B136) No. 1 - (B309) No. 4: 
Is the resistance less than 1 Ω? Go to step 24.  Repair the open circuit of harness between ECM and electronic throttle control relay.
24 CHECK SENSOR OUTPUT. 
  1. Connect all connectors.
  2. Turn the ignition switch to ON.
  3. Read the data of main throttle sensor signal using Subaru Select Monitor.
NOTE: Subaru Select Monitor
For detailed operation procedure, refer to "READ CURRENT DATA FOR ENGINE". <Ref. to SUBARU SELECT MONITOR . >
Is the voltage 0.4 V or more? Go to step 25.  Go to step 27. 
25 CHECK SENSOR OUTPUT. 
  1. Connect all connectors.
  2. Turn the ignition switch to ON.
  3. Read the data of sub throttle sensor signal using Subaru Select Monitor.
NOTE: Subaru Select Monitor
For detailed operation procedure, refer to "READ CURRENT DATA FOR ENGINE". <Ref. to SUBARU SELECT MONITOR . >
Is the voltage 0.8 V or more? Go to step 26.  Go to step 27. 
26 CHECK POOR CONTACT. 
Check poor contact in connector between ECM and electronic throttle control.
Is there poor contact? Repair the poor contact. Go to step 31. 
27 CHECK HARNESS BETWEEN ECM AND ELECTRONIC THROTTLE CONTROL. 
  1. Turn the ignition switch to OFF.
  2. Disconnect the connectors from ECM.
  3. Disconnect the connectors from electronic throttle control.
  4. Measure the resistance between ECM connector and electronic throttle control connector.

    Connector & terminal 

    (B134) No. 18 - (E57) No. 6: 

    (B134) No. 28 - (E57) No. 4: 

    (B134) No. 19 - (E57) No. 5: 

Is the resistance less than 1 Ω? Go to step 28.  Repair the open circuit of harness connector.
28 CHECK HARNESS BETWEEN ECM AND ELECTRONIC THROTTLE CONTROL. 
Measure the resistance between ECM connector and chassis ground.
Connector & terminal 
(B134) No. 18 - Chassis ground: 
(B134) No. 19 - Chassis ground: 
(B134) No. 28 - Chassis ground: 
Is the resistance 1 MΩ or more? Go to step 29.  Repair the ground short circuit of harness.
29 CHECK SENSOR POWER SUPPLY. 
  1. Connect the ECM connector.
  2. Turn the ignition switch to ON.
  3. Measure the voltage between electronic throttle control connector and engine ground.

    Connector & terminal 

    (E57) No. 5 (+) - Engine ground (-): 

Is the voltage 4.5 - 5.5 V? Go to step 30.  Repair poor contact in ECM connector. Replace the ECM if defective. <Ref. to ENGINE CONTROL MODULE (ECM) . >
30 CHECK SHORT CIRCUIT IN ECM. 
  1. Turn the ignition switch to OFF.
  2. Measure the resistance between electronic throttle control connector and engine ground.

    Connector & terminal 

    (E57) No. 6 - Engine ground: 

    (E57) No. 4 - Engine ground: 

Is the resistance 10 Ω or more? Go to step 31.  Repair poor contact in ECM connector. Replace the ECM if defective. <Ref. to ENGINE CONTROL MODULE (ECM) . >
31 CHECK SENSOR OUTPUT. 
  1. Connect all connectors.
  2. Turn the ignition switch to ON.
  3. Read the data of main throttle sensor signal using Subaru Select Monitor.
NOTE: Subaru Select Monitor
For detailed operation procedure, refer to "READ CURRENT DATA FOR ENGINE". <Ref. to SUBARU SELECT MONITOR . >
Is the voltage less than 4.63 V? Go to step 32.  Go to step 34. 
32 CHECK SENSOR OUTPUT. 
Read the data of sub throttle sensor signal using Subaru Select Monitor.
NOTE: Subaru Select Monitor
For detailed operation procedure, refer to "READ CURRENT DATA FOR ENGINE". <Ref. to SUBARU SELECT MONITOR . >
Is the voltage less than 4.73 V? Go to step 33.  Go to step 34. 
33 CHECK POOR CONTACT. 
Check poor contact in connector between ECM and electronic throttle control.
Is there poor contact? Repair the poor contact. Go to step 39. 
34 CHECK HARNESS BETWEEN ECM AND ELECTRONIC THROTTLE CONTROL. 
  1. Turn the ignition switch to OFF.
  2. Disconnect the connectors from ECM.
  3. Disconnect the connectors from electronic throttle control.
  4. Measure the resistance between ECM connector and electronic throttle control connector.

    Connector & terminal 

    (B134) No. 29 - (E57) No. 3: 

    (B134) No. 18 - (E57) No. 6: 

    (B134) No. 28 - (E57) No. 4: 

Is the resistance less than 1 Ω? Go to step 35.  Repair the open circuit of harness connector.
35 CHECK HARNESS BETWEEN ECM AND ELECTRONIC THROTTLE CONTROL. 
  1. Connect the ECM connector.
  2. Measure the resistance between electronic throttle control connector and engine ground.

    Connector & terminal 

    (E57) No. 3 - Engine ground: 

Is the resistance less than 5 Ω? Go to step 36.  Repair poor contact in ECM connector. Replace the ECM if defective.
36 CHECK HARNESS BETWEEN ECM AND ELECTRONIC THROTTLE CONTROL. 
  1. Turn the ignition switch to ON.
  2. Measure the voltage between electronic throttle control connector and engine ground.

    Connector & terminal 

    (E57) No. 5 (+) - Engine ground (-): 

Is the voltage 10 V or more? Go to step 37.  Repair the battery short circuit of harness between ECM connector and electronic throttle control connector.
37 CHECK HARNESS BETWEEN ECM AND ELECTRONIC THROTTLE CONTROL. 
Measure the voltage between electronic throttle control connector and engine ground.
Connector & terminal 
(E57) No. 6 (+) - Engine ground (-): 
(E57) No. 4 (+) - Engine ground (-): 
Is the voltage less than 10 V? Go to step 38.  Repair the short circuit of harness between ECM connector and electronic throttle control connector.
38 CHECK HARNESS BETWEEN ECM AND ELECTRONIC THROTTLE CONTROL. 
  1. Turn the ignition switch to OFF.
  2. Remove the ECM.
  3. Measure the resistance between ECM connectors.

    Connector & terminal 

    (B134)No. 18 - (B134)No. 19: 

    (B134) No. 28 - (B134) No. 19: 

Is the resistance 1 MΩ or more? Go to step 39.  Repair the short circuit to sensor power supply.
39 CHECK SENSOR OUTPUT. 
  1. Turn the ignition switch to OFF.
  2. Connect the connectors except for electric throttle control relay.
  3. Turn the ignition switch to ON.
  4. Read the data of main throttle sensor signal using Subaru Select Monitor.
NOTE: Subaru Select Monitor
For detailed operation procedure, refer to "READ CURRENT DATA FOR ENGINE". <Ref. to SUBARU SELECT MONITOR . >
Is the voltage 0.81 - 0.87 V? Go to step 40.  Repair the poor contact of electronic throttle control connector. Replace the electronic throttle control if defective.
40 CHECK SENSOR OUTPUT. 
Read the data of sub throttle sensor signal using Subaru Select Monitor.
NOTE: Subaru Select Monitor
For detailed operation procedure, refer to "READ CURRENT DATA FOR ENGINE". <Ref. to SUBARU SELECT MONITOR . >
Is the voltage 1.64 - 1.70 V? Go to step 41.  Repair poor contact in ECM connector. Replace the electronic throttle control if defective.
41 CHECK HARNESS BETWEEN ECM AND ELECTRONIC THROTTLE CONTROL MOTOR. 
  1. Turn the ignition switch to OFF.
  2. Disconnect the connectors from ECM.
  3. Disconnect the connectors from electronic throttle control.
  4. Measure the resistance between ECM connector and electronic throttle control connector.

    Connector & terminal 

    (B137) No. 5 - (E57) No. 2: 

    (B137) No. 4 - (E57) No. 1: 

Is the resistance less than 1 Ω? Go to step 42.  Repair the open circuit of harness connector.
42 CHECK HARNESS BETWEEN ECM AND ELECTRONIC THROTTLE CONTROL MOTOR. 
  1. Connect the connector to ECM.
  2. Turn the ignition switch to ON.
  3. Measure the voltage between electronic throttle control connector and engine ground.

    Connector & terminal 

    (E57) No. 2 (+) - Engine ground (-): 

    (E57) No. 1 (+) - Engine ground (-): 

Is the voltage less than 5 V? Go to step 43.  Repair the power supply short circuit of harness between ECM and electronic throttle control.
43 CHECK HARNESS BETWEEN ECM AND ELECTRONIC THROTTLE CONTROL MOTOR. 
  1. Turn the ignition switch to OFF.
  2. Disconnect the connectors from ECM.
  3. Measure the resistance between electronic throttle control connector and engine ground.

    Connector & terminal 

    (E57) No. 2 - Engine ground: 

    (E57) No. 1 - Engine ground: 

Is the resistance 1 MΩ or more? Go to step 44.  Repair the short circuit of harness.
44 CHECK ELECTRONIC THROTTLE CONTROL MOTOR HARNESS. 
Measure the resistance between electronic throttle control connector terminals.
Connector & terminal 
(E57) No. 2 - (E57) No. 1: 
Is the resistance 1 MΩ or more? Go to step 45.  Repair the short circuit of harness.
45 CHECK ELECTRONIC THROTTLE CONTROL GROUND CIRCUIT. 
Measure the resistance between ECM connector and chassis ground.
Connector & terminal 
(B134) No. 5 - Chassis ground: 
(B136) No. 15 - Chassis ground: 
(B137) No. 1 - Chassis ground: 
(B137) No. 2 - Chassis ground: 
(B137) No. 3 - Chassis ground: 
(B137) No. 7 - Chassis ground: 
Is the resistance less than 10 Ω? Go to step 46.  Repair the open circuit of harness.
46 CHECK ELECTRONIC THROTTLE CONTROL. 
Measure the resistance between electronic throttle control terminals.
Terminals 
No. 1 - No. 2: 
Is the resistance 50 Ω or less? Go to step 47.  Replace the electronic throttle control.
47 CHECK ELECTRONIC THROTTLE CONTROL. 
Move the throttle valve to the fully opened and fully closed positions with fingers. Check that the valve returns to the specified position when releasing fingers.
Does the valve return to the specified position? Standard value: 3 mm (0.12 in) from fully closed position Repair poor contact in ECM connector. Replace the ECM if defective. <Ref. to ENGINE CONTROL MODULE (ECM) . > Replace the electronic throttle control.