LEMON Manuals: Even more car manuals for everyone: 1960-2025
Home >> Subaru >> 2007 >> Forester XT Limited, Automatic >> Repair and Diagnosis >> Engine Performance >> System >> Engine Controls (Diagnostics) (H4DOTC) >> Diagnostic Procedure with Diagnostic Trouble Code (DTC) >> DTC P0604 Internal Control Module Random Access Memory (Ram) Error >> Wiring Diagram
April 5, 2026: LEMON Manuals is launched! Read the announcement.

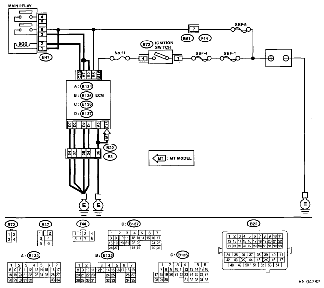
DTC P0604 Internal Control Module Random Access Memory (Ram) Error: Wiring Diagram

Fig 1: Internal Control Module Random Access Memory (RAM) Error - Wiring Diagram
G05326239Courtesy of SUBARU OF AMERICA, INC.
DIAGNOSIS PROCEDURE CHART

Step Check Yes No
1 CHECK ANY OTHER DTC ON DISPLAY.  Is DTC P0604 displayed on the Subaru Select Monitor or general scan tool? Replace the ECM. <Ref. to ENGINE CONTROL MODULE (ECM) . > Temporary poor contact occurs.