LEMON Manuals: Even more car manuals for everyone: 1960-2025
Home >> Subaru >> 2007 >> Impreza Base, 4D Sedan, Automatic >> Repair and Diagnosis >> Transmission >> Transmission Control Systems >> A/T Control Systems >> AT Shift Lock Control System >> Inspection >> Body Integrated Unit Power Supply And Ground Circuit
April 5, 2026: LEMON Manuals is launched! Read the announcement.

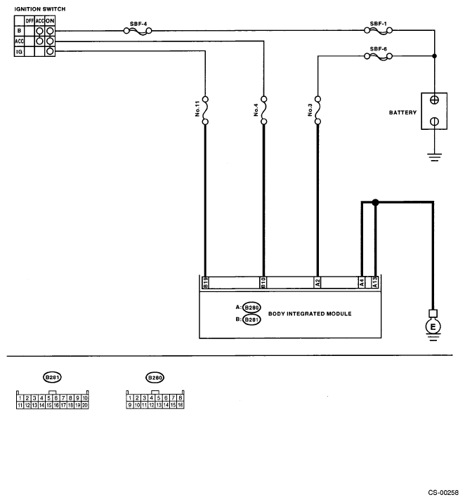
Body Integrated Unit Power Supply And Ground Circuit

Fig 1: Identifying Body Integrated Unit Power Supply And Ground Circuit Diagram
G05002282Courtesy of SUBARU OF AMERICA, INC.
DIAGNOSTIC CHART

Step Check Yes No
1 CHECK FUSE. 
Remove the fuses No. 3, 4 and 11.
Are the fuses No. 3, 4 and 11 blown? Replace the fuses No. 3, 4 and 11. If the replaced fuse No. 3, 4 or 11 blows out easily, repair the short circuit of harness between the fuse and body integrated unit. Go to step .
2 CHECK HARNESS CONNECTOR BETWEEN BODY INTEGRATED UNIT AND CHASSIS GROUND. 
  1. Turn the ignition switch to OFF.
  2. Measure the harness resistance between the body integrated unit and chassis ground.

    Connector & terminal 

    (B280) No. 4 - Chassis ground: 

    (B280) No. 13 - Chassis ground: 

Is the resistance less than 1 Ω? Go to step . Repair the open circuit of harness between the body integrated unit and chassis ground.
3 CHECK BATTERY POWER SUPPLY. 
  1. Turn the ignition switch to ON. (engine OFF)
  2. Check the voltage between body integrated unit and chassis ground.

    Connector & terminal 

    (B280) No. 2 (+) - Chassis ground (-): 

Is the voltage 9 V or more? Go to step . Repair open circuit of the harness between battery and body integrated unit, and any poor contact in connectors.
4 CHECK IGNITION POWER SUPPLY CIRCUIT. 
  1. Turn the ignition switch to ACC.
  2. Check the voltage between body integrated unit and chassis ground.

    Connector & terminal 

    (B281) No. 10 (+) - Chassis ground (-): 

Is the voltage 9 V or more? Go to step . Repair open circuit of the harness between battery and body integrated unit, and any poor contact in connectors.
5 CHECK IGNITION POWER SUPPLY CIRCUIT. 
  1. Turn the ignition switch to ON. (engine OFF)
  2. Measure the voltage between body integrated unit and chassis ground.

    Connector & terminal 

    (B281) No. 19 (+) - Chassis ground (-): 

Is the voltage 9 V or more? Go to step . Repair open circuit of the harness between battery and body integrated unit, and any poor contact in connectors.
6 CHECK POOR CONTACT.  Is there poor contact in connector? Repair the poor contact. Replace the body integrated unit.