LEMON Manuals: Even more car manuals for everyone: 1960-2025
Home >> Subaru >> 2007 >> Outback i, Automatic >> Repair and Diagnosis (Single Page) >> Engine Performance >> System >> Engine Controls (Diagnostics) (H4SO) >> Diagnostic Procedure with Diagnostic Trouble Code (DTC) >> DTC P0607 Control Module Performance >> Wiring Diagram
April 5, 2026: LEMON Manuals is launched! Read the announcement.

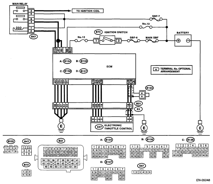
DTC P0607 Control Module Performance: Wiring Diagram

Fig 1: Control Module Performance - Wiring Diagram
G05339926Courtesy of SUBARU OF AMERICA, INC.
DIAGNOSTIC PROCEDURE CHART

Step Check Yes No
1 CHECK INPUT VOLTAGE OF ECM. 
  1. Turn the ignition switch to ON.
  2. Measure the voltage between ECM and chassis ground.

    Connector & terminal 

    (B134) No. 7 (+) - Chassis ground (-): 

    (B135) No. 2 (+) - Chassis ground (-): 

Is the voltage 10 - 13 V? Go to step 2.  Repair the open or ground short circuit of power supply circuit.
2 CHECK INPUT VOLTAGE OF ECM. 
  1. Start the engine.
  2. Measure the voltage between ECM and chassis ground.

    Connector & terminal 

    (B134) No. 7 (+) - Chassis ground (-): 

    (B135) No. 2 (+) - Chassis ground (-): 

Is the voltage 13 - 15 V? Go to step 3.  Repair the open or ground short circuit of power supply circuit.
3 CHECK HARNESS BETWEEN ECM AND ELECTRONIC THROTTLE CONTROL. 
  1. Turn the ignition switch to OFF.
  2. Disconnect the connectors from ECM and electronic throttle control.
  3. Measure the resistance of harness between ECM and electronic throttle control connector.

    Connector & terminal 

    (B134) No. 19 - (E57) No. 5: 

    (B134) No. 29 - (E57) No. 3: 

Is the resistance less than 1 Ω? Go to step 4.  Repair the open circuit of harness between ECM and electronic throttle control connector.
4 CHECK ECM GROUND HARNESS. 
Measure the voltage between ECM and chassis ground.
Connector & terminal 
(B134) No. 5 (+) - Chassis ground (-): 
(B137) No. 1 (+) - Chassis ground (-): 
(B137) No. 2 (+) - Chassis ground (-): 
(B137) No. 3 (+) - Chassis ground (-): 
(B137) No. 7 (+) - Chassis ground (-): 
Is the voltage less than 1 V? Contact your SOA service center. Repair the following item.
  • Retightening of engine ground terminals
  • Poor contact in ECM connector
  • Poor contact of coupling connector