LEMON Manuals: Even more car manuals for everyone: 1960-2025
Home >> Subaru >> 2008 >> Forester X, Automatic >> Repair and Diagnosis >> Engine Performance >> System >> Engine Controls - Engine (Diagnostics) (H4SO) >> Engine Control Module (ECM) I/O Signal >> Electrical Specification
April 5, 2026: LEMON Manuals is launched! Read the announcement.

Electrical Specification

Fig 1: Identifying Engine Control Module (ECM) Connector Terminals
G05334606Courtesy of SUBARU OF AMERICA, INC.
ENGINE CONTROL MODULE (ECM) SPECIFICATION CHART U5 MODEL

Contents Connector No. Terminal No. Signal (V) Note
Ignition SW ON (engine OFF) Engine ON (idling)
Crankshaft position sensor Signal (+) B134 13 0 -7 - +7 Sensor output waveform
Signal (-) B134 14 0 0 -
Shield B134 24 0 0 -
Rear oxygen sensor Signal B135 4 0 0 - 0.9 -
Shield B135 1 0 0 -
Front oxygen (A/F) sensor heater Signal 1 B136 3 10 - 13 1 - 14 Waveform
Signal 2 B136 2 10 - 13 1 - 14 Waveform
Rear oxygen sensor heater signal B136 4 10 - 13 1 - 14 Waveform
Engine coolant temperature sensor B134 34 1.0 - 1.4 1.0 - 1.4 After engine is warmed-up.
Vehicle speed signal B136 12 0 or 5 0 or 5 "5" and "0" are repeatedly displayed when vehicle is driven.
Air flow sensor Signal B135 26 - 0.3 - 4.5 -
Shield B135 35 0 0 -
GND B135 34 0 0 -
Intake air temperature sensor signal B135 18 0.3 - 4.6 0.3 - 4.6 -
Camshaft position sensor Signal (+) B134 12 0 -7 - +7 Sensor output waveform
Signal (-) B134 22 0 0 -
Shield B134 24 0 0 -
Starter switch B136 32 0 0 Cranking: 8 - 14
A/C switch B136 23 ON: 10 - 13
OFF: 0
ON: 12 - 14
OFF: 0
-
A/C middle pressure switch B136 33 ON: 0
OFF: 10 - 13
ON: 0
OFF: 12 - 14
-
Ignition switch B135 27 10 - 13 12 - 14 -
Neutral position switch B136 31 ON: 0
OFF: 10 - 13
ON: 0
OFF: 12 - 14
-
Test mode connector B135 19 10 - 13 13 - 14 When connected: 0
Knock sensor Signal B134 15 2.5 2.5 -
Shield B134 25 0 0 -
Back-up power supply B135 5 10 - 13 12 - 14 Ignition switch "OFF: 10 - 13
Control module power supply B134 7 10 - 13 12 - 14 -
B135 2 10 - 13 12 - 14 -
Ignition control #1, #2 B137 18 0 1 - 3.4 Waveform
#3, #4 B137 19 0 1 - 3.4 Waveform
Fuel injector #1 B137 8 10 - 13 1 - 14 Waveform
#2 B137 9 10 - 13 1 - 14 Waveform
#3 B137 10 10 - 13 1 - 14 Waveform
#4 B137 11 10 - 13 1 - 14 Waveform
Fuel pump relay control B136 13 ON: 0.5 or less
OFF: 10 - 13
ON: 0.5 or less
OFF: 12 - 14
-
A/C relay control B136 9 ON: 0.5 or less
OFF: 10 - 13
ON: 0.5 or less
OFF: 12 - 14
-
Radiator fan relay 1 control B136 18 ON: 0.5 or less
OFF: 10 - 13
ON: 0.5 or less
OFF: 12 - 14
-
Radiator fan relay 2 control B136 29 ON: 0.5 or less
OFF: 10 - 13
ON: 0.5 or less
OFF: 12 - 14
Model with A/C only
Starter relay control B136 20 ON: 0.5 or less
OFF: 10 - 13
ON: 0.5 or less
OFF: 12 - 14
-
Self-shutoff control B136 24 0.5 or less 0.5 or less -
Malfunction indicator light B136 11 - - Light "ON": 1 or less
Light "OFF": 10 - 14
Engine speed output B136 22 - 0 - 13 Waveform
Purge control solenoid valve B137 29 ON: 1 or less
OFF: 10 - 13
ON: 1 or less
OFF: 12 - 14
Sensor output waveform
Manifold absolute pressure sensor B134 6 3.4 - 3.8 1.4 - 1.8 -
Fuel tank pressure sensor Signal B135 32 2.3 - 2.7 2.3 - 2.7 The valve operates when fuel filler cap is removed and reinstalled.
GND (sensor) B135 30 0 0 -
Pressure control solenoid valve B136 28 ON: 1 or less
OFF: 10 - 13
ON: 1 or less
OFF: 12 - 14
-
Drain valve B136 17 ON: 1 or less
OFF: 10 - 13
ON: 1 or less
OFF: 12 - 14
-
Fuel level sensor B135 10 0.3 - 4.5 0.3 - 4.5 -
Fuel temperature sensor signal B135 17 1 - 4 1 - 4 -
Small light switch B135 33 ON: 0
OFF: 10 - 13
ON: 0
OFF: 12 - 14
-
Blower fan switch B135 11 ON: 0
OFF: 10 - 13
ON: 0
OFF: 12 - 14
-
Rear defogger switch B135 13 ON: 0
OFF: 10 - 13
ON: 0
OFF: 12 - 14
-
Power steering oil pressure switch B134 33 ON: 1 or less
OFF: 10 - 13
ON: 0
OFF: 12 - 14
-
Front oxygen (A/F) sensor Signal (+) B135 9 - 2.7 - 2.9 -
Signal (-) B135 8 - 2.35 - 2.55 -
Shield B135 1 0 0 -
SSM communication line B136 16 1 or less ←→ 4 or more 1 or less ←→ 4 or more -
Electronic throttle control Main B134 18 0.64 - 0.72
Fully opened: 3.96
0.64 - 0.72 (After engine is warmed-up.) Fully closed: 0.6
Fully opened: 3.96
Sub B134 28 1.51 - 1.58
Fully opened: 4.17
1.51 - 1.58 (After engine is warmed-up.) Fully closed: 1.48
Fully opened: 4.17
Power supply B134 19 5 5 -
GND (sensor) B134 29 0 0 -
Electronic throttle control motor (+) B137 5 Duty waveform Duty waveform Drive frequency: 500 Hz
Electronic throttle control motor (-) B137 4 Duty waveform Duty waveform Drive frequency: 500 Hz
Electronic throttle control motor power supply B136 1 10 - 13 12 - 14 -
Electronic throttle control motor relay B136 21 0 0 When ignition switch is turned to ON: ON
Accelerator pedal position sensor Main sensor signal B135 23 Fully closed: 0.7
Fully opened: 3.0
Fully closed: 0.7
Fully opened: 3.0
-
Main power supply B135 21 5 5 -
GND (main sensor) B135 29 0 0 -
Sub sensor signal B135 31 Fully closed: 0.7
Fully opened: 3.0
Fully closed: 0.7
Fully opened: 3.0
-
Sub power supply B135 22 5 5 -
GND (Sub sensor) B135 30 0 0 -
Cruise control set light B136 19 ON: 0
OFF: 10 - 13
ON: 0
OFF: 12 - 14
-
Main light B135 3 ON: 0
OFF: 10 - 13
ON: 0
OFF: 12 - 14
-
Clutch switch B136 25 When clutch pedal is depressed: 0
When brake pedal is released: 10 - 13
When clutch pedal is depressed: 0
When brake pedal is released: 12 - 14
-
Brake switch 1 B135 20 When brake pedal is depressed: 0
When brake pedal is released: 10 - 13
When brake pedal is depressed: 0
When brake pedal is released: 12 - 14
-
Brake switch 2 B135 28 When brake pedal is depressed: 10 - 13
When brake pedal is released: 0
When brake pedal is depressed: 12 - 14
When brake pedal is released: 0
-
Cruise control command switch B135 24 When operating nothing: 3.5 - 4.5 When operating
RES/ACC: 2.5 - 3.5 When operating SET/COAST: 0.5 - 1.5 When operating cancel: 0 - 0.5
When operating nothing: 3.5 - 4.5 When operating
RES/ACC: 2.5 - 3.5 When operating SET/COAST: 0.5 - 1.5 When operating cancel: 0 - 0.5
-
Cruise control main switch B135 12 ON: 0
OFF: 5
ON: 0
OFF: 5
-
Oil temperature sensor signal B134 23 1.0 - 1.4 1.0 - 1.4 After engine is warmed-up.
Variable valve lift diagnosis Oil pressure switch RH B134 31 0 0 -
Variable valve lift diagnosis Oil pressure switch LH B134 32 0 0 -
Oil switching solenoid valve RH Signal (+) B137 25 0 Duty waveform Drive frequency: 300 Hz
Signal (-) B137 24 0 0 -
Oil switching solenoid valve LH Signal (+) B137 31 0 Duty waveform Drive frequency: 300 Hz
Signal (-) B137 30 0 0 -
Blow-by leak diagnosis signal B134 30 0 0 When there is an open circuit (malfunction): 10 - 14
Serial Communication Link Signal (+) B136 27 Pulse signal -
Signal (-) B136 35 Pulse signal -
EGR valve Signal 1 B134 8 10 - 13 0 or 12 - 14 -
Signal 2 B134 9 10 - 13 0 or 12 - 14 -
Signal 3 B134 10 10 - 13 0 or 12 - 14 -
Signal 4 B134 20 10 - 13 0 or 12 - 14 -
GND (Engine 1) B134 5 0 0 -
(Engine 2) B137 7 0 0 -
(Engine 3) B137 2 0 0 -
(Engine 4) B137 1 0 0 -
(Engine 5) B137 3 0 0 -
(Ignition 1) B137 26 0 0 -
(ignition 2) B137 6 0 0 -
(Body) B136 6 0 0 -
ENGINE CONTROL MODULE (ECM) SPECIFICATION CHART U6 MODEL

Contents Connector No. Terminal No. Signal (V) Note
Ignition SW ON (engine OFF) Engine ON (idling)
Crankshaft position sensor Signal (+) B134 13 0 -7 - +7 Sensor output waveform
Signal (-) B134 14 0 0 -
Shield B134 24 0 0 -
Rear oxygen sensor Signal B135 4 0 0 - 0.9 -
Shield B135 1 0 0 -
Front oxygen (A/F) sensor heater Signal 1 B136 3 10 - 13 1 - 14 Waveform
Signal 2 B136 2 10 - 13 1 - 14 Waveform
Rear oxygen sensor heater signal B136 4 10 - 13 1 - 14 Waveform
Engine coolant temperature sensor B134 34 1.0 - 1.4 1.0 - 1.4 After engine is warmed-up.
Vehicle speed signal B136 12 0 or 5 0 or 5 "5" and "0" are repeatedly displayed when vehicle is driven.
Air flow sensor Signal B135 26 - 0.3 - 4.5 -
Shield B135 35 0 0 -
GND B135 34 0 0 -
Intake air temperature sensor signal B135 18 0.3 - 4.6 0.3 - 4.6 -
Camshaft position sensor Signal (+) B134 12 0 -7 - +7 Sensor output waveform
Signal (-) B134 22 0 0 -
Shield B134 24 0 0 -
Starter switch B136 32 0 0 Cranking: 8 - 14
A/C switch B136 23 ON: 10 - 13
OFF: 0
ON: 12 - 14
OFF: 0
-
A/C middle pressure switch B136 33 ON: 0
OFF: 10 - 13
ON: 0
OFF: 12 - 14
-
Ignition switch B135 27 10 - 13 12 - 14 -
Neutral position switch B136 31 ON: 0
OFF: 10 - 13
ON: 0
OFF: 12 - 14
-
Test mode connector B135 19 10 - 13 13 - 14 When connected: 0
Knock sensor Signal B134 15 2.5 2.5 -
Shield B134 25 0 0 -
Back-up power supply B135 5 10 - 13 12 - 14 Ignition switch "OFF: 10 - 13
Control module power supply B134 7 10 - 13 12 - 14 -
B135 2 10 - 13 12 - 14 -
Ignition control #1, #2 B137 18 0 1 - 3.4 Waveform
#3, #4 B137 19 0 1 - 3.4 Waveform
Fuel injector #1 B137 8 10 - 13 1 - 14 Waveform
#2 B137 9 10 - 13 1 - 14 Waveform
#3 B137 10 10 - 13 1 - 14 Waveform
#4 B137 11 10 - 13 1 - 14 Waveform
Fuel pump relay control B136 13 ON: 0.5 or less
OFF: 10 - 13
ON: 0.5 or less
OFF: 12 - 14
-
A/C relay control B136 9 ON: 0.5 or less
OFF: 10 - 13
ON: 0.5 or less
OFF: 12 - 14
-
Radiator fan relay 1 control B136 18 ON: 0.5 or less
OFF: 10 - 13
ON: 0.5 or less
OFF: 12 - 14
-
Radiator fan relay 2 control B136 29 ON: 0.5 or less
OFF: 10 - 13
ON: 0.5 or less
OFF: 12 - 14
Model with A/C only
Starter relay control B136 20 ON: 0.5 or less
OFF: 10 - 13
ON: 0.5 or less
OFF: 12 - 14
-
Self-shutoff control B136 24 0.5 or less 0.5 or less -
Malfunction indicator light B136 11 - - Light "ON": 1 or less
Light "OFF": 10 - 14
Engine speed output B136 22 - 0 - 13 Waveform
Purge control solenoid valve B137 29 ON: 1 or less
OFF: 10 - 13
ON: 1 or less
OFF: 12 - 14
Sensor output waveform
Manifold absolute pressure sensor B134 6 3.4 - 3.8 1.4 - 1.8 -
Fuel tank pressure sensor Signal B135 32 2.3 - 2.7 2.3 - 2.7 The valve operates when fuel filler cap is removed and reinstalled.
GND (sensor) B135 30 0 0 -
Pressure control solenoid valve B136 28 ON: 1 or less
OFF: 10 - 13
ON: 1 or less
OFF: 12 - 14
-
Drain valve B136 17 ON: 1 or less
OFF: 10 - 13
ON: 1 or less
OFF: 12 - 14
-
Fuel level sensor B135 10 0.3 - 4.5 0.3 - 4.5 -
Fuel temperature sensor signal B135 17 1 - 4 1 - 4 -
Small light switch B135 15 ON: 0
OFF: 10 - 13
ON: 0
OFF: 12 - 14
-
Blower fan switch B135 16 ON: 0
OFF: 10 - 13
ON: 0
OFF: 12 - 14
-
Rear defogger switch B135 14 ON: 0
OFF: 10 - 13
ON: 0
OFF: 12 - 14
-
Power steering oil pressure switch B134 33 ON: 1 or less
OFF: 10 - 13
ON: 0
OFF: 12 - 14
-
Front oxygen (A/F) sensor Signal (+) B135 9 - 2.7 - 2.9 -
Signal (-) B135 8 - 2.35 - 2.55 -
Shield B135 1 0 0 -
SSM communication line B136 16 1 or less ←→ 4 or more 1 or less ←→ 4 or more -
Electronic throttle control Main B134 18 0.64 - 0.72
Fully opened: 3.96
0.64 - 0.72 (After engine is warmed-up.) Fully closed: 0.6
Fully opened: 3.96
Sub B134 28 1.51 - 1.58
Fully opened: 4.17
1.51 - 1.58 (After engine is warmed-up.) Fully closed: 1.48
Fully opened: 4.17
Power supply B134 19 5 5 -
GND (sensor) B134 29 0 0 -
Electronic throttle control motor (+) B137 5 Duty waveform Duty waveform Drive frequency: 500 Hz
Electronic throttle control motor (-) B137 4 Duty waveform Duty waveform Drive frequency: 500 Hz
Electronic throttle control motor power supply B136 1 10 - 13 12 - 14 -
Electronic throttle control motor relay B136 21 0 0 When ignition switch is turned to ON: ON
Accelerator pedal position sensor Main sensor signal B135 23 Fully closed: 0.7
Fully opened: 3.0
Fully closed: 0.7
Fully opened: 3.0
-
Main power supply B135 21 5 5 -
GND (main sensor) B135 29 0 0 -
Sub sensor signal B135 31 Fully closed: 0.7
Fully opened: 3.0
Fully closed: 0.7
Fully opened: 3.0
-
Sub power supply B135 22 5 5 -
GND (Sub sensor) B135 30 0 0 -
Cruise control set light B135 3 ON: 0
OFF: 10 - 13
ON: 0
OFF: 12 - 14
-
Main light B135 6 ON: 0
OFF: 10 - 13
ON: 0
OFF: 12 - 14
-
Clutch switch B136 25 When clutch pedal is depressed: 0
When brake pedal is released: 10 - 13
When clutch pedal is depressed: 0
When brake pedal is released: 12 - 14
-
Brake switch 1 B135 20 When brake pedal is depressed: 0
When brake pedal is released: 10 - 13
When brake pedal is depressed: 0
When brake pedal is released: 12 - 14
-
Brake switch 2 B135 28 When brake pedal is depressed: 10 - 13
When brake pedal is released: 0
When brake pedal is depressed: 12 - 14
When brake pedal is released: 0
-
Cruise control command switch B135 24 When operating nothing: 3.5 - 4.5
When operating RES/ACC: 2.5 - 3.5 When operating
SET/COAST: 0.5 - 1.5
When operating cancel: 0 - 0.5
When operating nothing: 3.5 - 4.5
When operating RES/ACC: 2.5 - 3.5 When operating
SET/COAST: 0.5 - 1.5 When operating cancel: 0 - 0.5
-
Cruise control main switch B135 12 ON: 0
OFF: 5
ON: 0
OFF: 5
-
Oil temperature sensor signal B134 23 1.0 - 1.4 1.0 - 1.4 After engine is warmed-up.
Variable valve lift diagnosis
Oil pressure switch RH
B134 31 0 0 -
Variable valve lift diagnosis
Oil pressure switch LH
B134 32 0 0 -
Oil switching solenoid valve RH Signal (+) B137 25 0 Duty waveform Drive frequency: 300 Hz
Signal (-) B137 24 0 0 -
Oil switching solenoid valve LH Signal (+) B137 31 0 Duty waveform Drive frequency: 300 Hz
Signal (-) B137 30 0 0 -
Blow-by leak diagnosis signal B134 30 0 0 When there is an open circuit (malfunction): 10 - 14
Serial Communication Link Signal (+) B136 27 Pulse signal -
Signal (-) B136 35 Pulse signal -
EGR valve Signal 1 B134 8 10 - 13 0 or 12 - 14 -
Signal 2 B134 9 10 - 13 0 or 12 - 14 -
Signal 3 B134 10 10 - 13 0 or 12 - 14 -
Signal 4 B134 20 10 - 13 0 or 12 - 14 -
GND (Engine 1) B134 5 0 0 -
(Engine 2) B137 7 0 0 -
(Engine 3) B137 2 0 0 -
(Engine 4) B137 1 0 0 -
(Engine 5) B137 3 0 0 -
(Ignition 1) B137 26 0 0 -
(Ignition 2) B137 6 0 0 -
(Body) B136 6 0 0 -
ENGINE CONTROL MODULE (ECM) SPECIFICATION CHART CO MODEL

Contents Connector No. Terminal No. Signal (V) Note
Ignition SW ON (engine OFF) Engine ON (idling)
Crankshaft position sensor Signal (+) B134 13 0 -7 - +7 Sensor output waveform
Signal (-) B134 14 0 0 -
Shield B134 24 0 0 -
Rear oxygen sensor Signal B135 4 0 0 - 0.9 -
Shield B135 1 0 0 -
Front oxygen (A/F) sensor heater Signal 1 B136 3 10 - 13 1 - 14 Waveform
Signal 2 B136 2 10 - 13 1 - 14 Waveform
Rear oxygen sensor heater signal B136 4 10 - 13 1 - 14 Waveform
Engine coolant temperature sensor B134 34 1.0 - 1.4 1.0 - 1.4 After engine is warmed-up.
Vehicle speed signal B136 13 0 or 5 0 or 5 "5" and "0" are repeatedly displayed when vehicle is driven.
Air flow sensor Signal B135 26 - 0.3 - 4.5 -
Shield B135 35 0 0 -
GND B135 34 0 0 -
Intake air temperature sensor signal B135 18 0.3 - 4.6 0.3 - 4.6 -
Camshaft position sensor Signal (+) B134 12 0 -7 - +7 Sensor output waveform
Signal (-) B134 22 0 0 -
Shield B134 24 0 0 -
Starter switch B136 32 0 0 Cranking: 8 - 14
A/C switch B136 24 ON: 10 - 13
OFF: 0
ON: 12 - 14
OFF: 0
-
A/C middle pressure switch B136 33 ON: 0
OFF: 10 - 13
ON: 0
OFF: 12 - 14
-
Ignition switch B135 19 10 - 13 12 - 14 -
Neutral position switch B136 31 ON: 0
OFF: 10 - 13
ON: 0
OFF: 12 - 14
-
Test mode connector B135 27 10 - 13 13 - 14 When connected: 0
Knock sensor Signal B134 15 2.5 2.5 -
Shield B134 25 0 0 -
Back-up power supply B135 5 10 - 13 12 - 14 Ignition switch "OFF": 10 - 13
Control module power supply B134 7 10 - 13 12 - 14 -
B135 2 10 - 13 12 - 14 -
Ignition control #1, #2 B137 18 0 1 - 3.4 Waveform
#3, #4 B137 19 0 1 - 3.4 Waveform
Fuel injector #1 B137 8 10 - 13 1 - 14 Waveform
#2 B137 9 10 - 13 1 - 14 Waveform
#3 B137 10 10 - 13 1 - 14 Waveform
#4 B137 11 10 - 13 1 - 14 Waveform
Fuel pump relay control B136 12 ON: 0.5 or less
OFF: 10 - 13
ON: 0.5 or less
OFF: 12 - 14
-
A/C relay control B136 9 ON: 0.5 or less
OFF: 10 - 13
ON: 0.5 or less
OFF: 12 - 14
-
Radiator fan relay 1 control B136 18 ON: 0.5 or less
OFF: 10 - 13
ON: 0.5 or less
OFF: 12 - 14
-
Radiator fan relay 2 control B136 29 ON: 0.5 or less
OFF: 10 - 13
ON: 0.5 or less
OFF: 12 - 14
Model with A/C only
Starter relay control B136 20 ON: 0.5 or less
OFF: 10 - 13
ON: 0.5 or less
OFF: 12 - 14
-
Self-shutoff control B136 23 0.5 or less 0.5 or less -
Malfunction indicator light B136 11 - - Light "ON": 1 or less Light "OFF": 10 - 14
Engine speed output B136 22 - 0 - 13 Waveform
Purge control solenoid valve B137 29 ON: 1 or less
OFF: 10 - 13
ON: 1 or less
OFF: 12 - 14
Sensor output waveform
Manifold absolute pressure sensor B134 6 3.4 - 3.8 1.4 - 1.8 -
Fuel tank pressure sensor Signal B135 32 2.3 - 2.7 2.3 - 2.7 The valve operates when fuel filler cap is removed and reinstalled.
GND (sensor) B135 30 0 0 -
Pressure control solenoid valve B136 28 ON: 1 or less
OFF: 10 - 13
ON: 1 or less
OFF: 12 - 14
-
Drain valve B136 17 ON: 1 or less
OFF: 10 - 13
ON: 1 or less
OFF: 12 - 14
-
Fuel level sensor B135 10 0.3 - 4.5 0.3 - 4.5 -
Fuel temperature sensor signal B135 17 1 - 4 1 - 4 -
Small light switch B135 15 ON: 0
OFF: 10 - 13
ON: 0
OFF: 12 - 14
-
Blower fan switch B135 16 ON: 0
OFF: 10 - 13
ON: 0
OFF: 12 - 14
-
Rear defogger switch B135 14 ON: 0
OFF: 10 - 13
ON: 0
OFF: 12 - 14
-
Power steering oil pressure switch B134 33 ON: 1 or less
OFF: 10 - 13
ON: 0
OFF: 12 - 14
-
Front oxygen (A/F) sensor Signal (+) B135 9 - 2.7 - 2.9 -
Signal (-) B135 8 - 2.35 - 2.55 -
Shield B135 1 0 0 -
SSM communication line B136 16 1 or less ←→ 4 or more 1 or less ←→ 4 or more -
Electronic throttle control Main B134 18 0.64 - 0.72
Fully opened: 3.96
0.64 - 0.72 (After engine is warmed-up.) Fully closed: 0.6
Fully opened: 3.96
Sub B134 28 1.51 - 1.58
Fully opened: 4.17
1.51 - 1.58 (After engine is warmed-up.) Fully closed: 1.48
Fully opened: 4.17
Power supply B134 19 5 5 -
GND (sensor) B134 29 0 0 -
Electronic throttle control motor (+) B137 5 Duty waveform Duty waveform Drive frequency: 500 Hz
Electronic throttle control motor (-) B137 4 Duty waveform Duty waveform Drive frequency: 500 Hz
Electronic throttle control motor power supply B136 1 10 - 13 12 - 14 -
Electronic throttle control motor relay B136 21 0 0 When ignition switch is turned to ON: ON
Accelerator pedal position sensor Main sensor signal B135 23 Fully closed: 0.7
Fully opened: 3.0
Fully closed: 0.7
Fully opened: 3.0
-
Main power supply B135 21 5 5 -
GND (main sensor) B135 29 0 0 -
Sub sensor signal B135 31 Fully closed: 0.7
Fully opened: 3.0
Fully closed: 0.7
Fully opened: 3.0
-
Sub power supply B135 22 5 5 -
GND (Sub sensor) B135 30 0 0 -
Cruise control set light B135 3 ON: 0
OFF: 10 - 13
ON: 0
OFF: 12 - 14
-
Main light B135 6 ON: 0
OFF: 10 - 13
ON: 0
OFF: 12 - 14
-
Clutch switch B136 25 When clutch pedal is depressed: 0
When brake pedal is released: 10 - 13
When clutch pedal is depressed: 0
When brake pedal is released: 12 - 14
-
Brake switch 1 B135 20 When brake pedal is depressed: 0
When brake pedal is released: 10 - 13
When brake pedal is depressed: 0
When brake pedal is released: 12 - 14
-
Brake switch 2 B135 28 When brake pedal is depressed: 10 - 13
When brake pedal is released: 0
When brake pedal is depressed: 12 - 14
When brake pedal is released: 0
-
Cruise control command switch B135 24 When operating nothing: 3.5 - 4.5
When operating RES/ACC: 2.5 - 3.5
When operating SET/COAST: 0.5 - 1.5
When operating cancel: 0 - 0.5
When operating nothing: 3.5 - 4.5
When operating RES/ACC: 2.5 - 3.5
When operating SET/COAST: 0.5 - 1.5
When operating cancel: 0 - 0.5
-
Cruise control main switch B135 12 ON: 0
OFF: 5
ON: 0
OFF: 5
-
Oil temperature sensor signal B134 23 1.0 - 1.4 1.0 - 1.4 After engine is warmed-up.
Variable valve lift diagnosis
Oil pressure switch RH
B134 31 0 0 -
Variable valve lift diagnosis
Oil pressure switch LH
B134 32 0 0 -
Oil switching solenoid valve RH Signal (+) B137 25 0 Duty waveform Drive frequency: 300 Hz
Signal (-) B137 24 0 0 -
Oil switching solenoid valve LH Signal (+) B137 31 0 Duty waveform Drive frequency: 300 Hz
Signal (-) B137 30 0 0 -
Blow-by leak diagnosis signal B134 30 0 0 When there is an open circuit (malfunction): 10 - 14
Serial Communication Link Signal (+) B136 27 Pulse signal -
Signal (-) B136 35 Pulse signal -
EGR valve Signal 1 B134 8 10 - 13 0 or 12 - 14 -
Signal 2 B134 9 10 - 13 0 or 12 - 14 -
Signal 3 B134 10 10 - 13 0 or 12 - 14 -
Signal 4 B134 20 10 - 13 0 or 12 - 14 -
GND (Engine 1) B134 5 0 0 -
(Engine 2) B137 7 0 0 -
(Engine 3) B137 2 0 0 -
(Engine 4) B137 1 0 0 -
(Engine 5) B137 3 0 0 -
(Ignition 1) B137 26 0 0 -
(Ignition 2) B137 6 0 0 -
(Body) B136 6 0 0 -
MEASURING CONDITION AND WAVEFORM REFERENCE

Input/output name Measuring condition Waveform
1. Crankshaft position sensor During idling
G05334607Courtesy of SUBARU OF AMERICA, INC.
2. Camshaft position sensor During idling
G05339827Courtesy of SUBARU OF AMERICA, INC.
Fig 2: Engine Control Module (ECM) I/O Signal - Wiring Diagram (1 Of 5)
G05658475Courtesy of SUBARU OF AMERICA, INC.
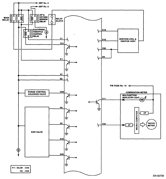
Fig 3: Engine Control Module (ECM) I/O Signal - Wiring Diagram (2 Of 5)
G05658476Courtesy of SUBARU OF AMERICA, INC.
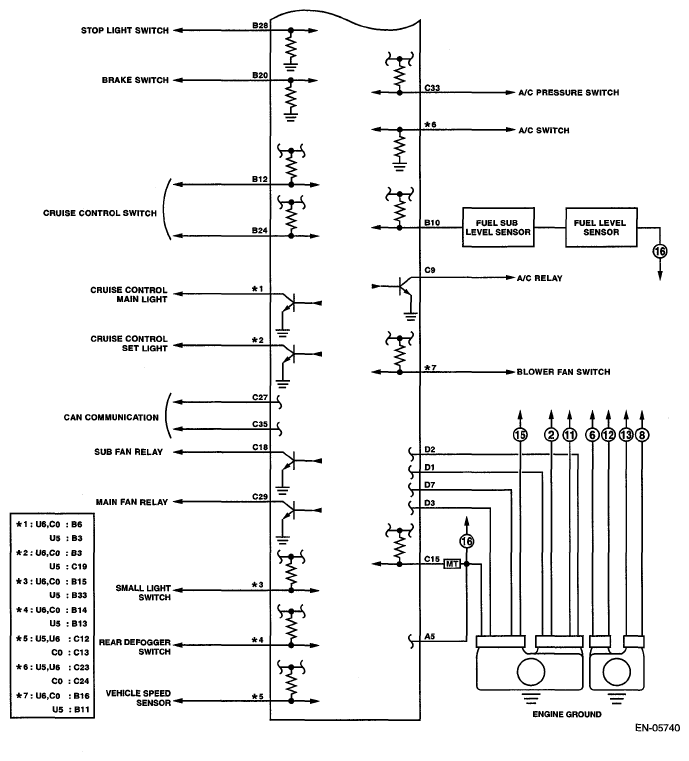
Fig 4: Engine Control Module (ECM) I/O Signal - Wiring Diagram (3 Of 5)
G05333216Courtesy of SUBARU OF AMERICA, INC.
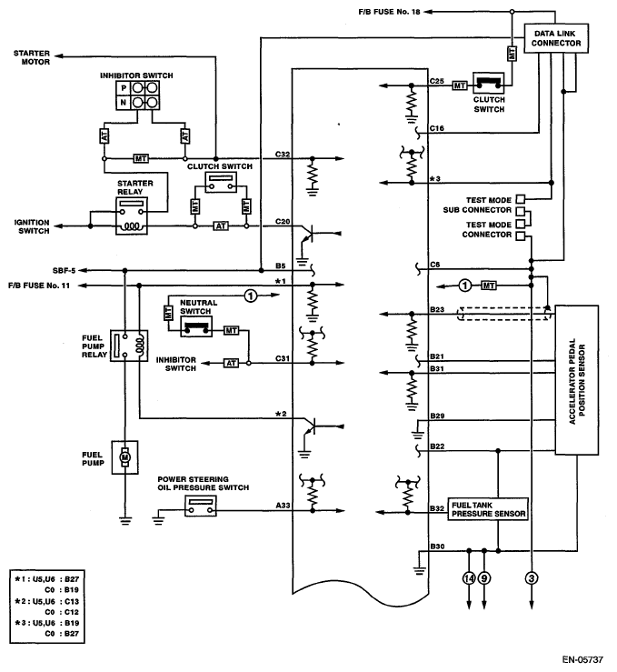
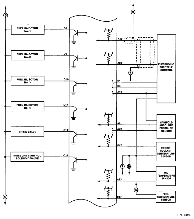
Fig 5: Engine Control Module (ECM) I/O Signal - Wiring Diagram (4 Of 5)
G05658478Courtesy of SUBARU OF AMERICA, INC.
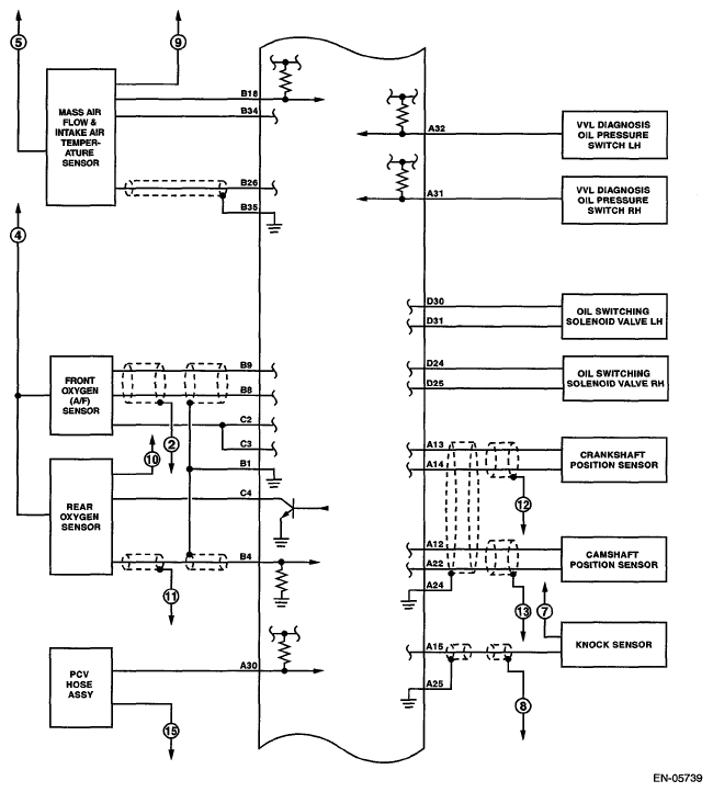
Fig 6: Engine Control Module (ECM) I/O Signal - Wiring Diagram (5 Of 5)
G05658479Courtesy of SUBARU OF AMERICA, INC.