LEMON Manuals: Even more car manuals for everyone: 1960-2025
Home >> Subaru >> 2008 >> Outback Base, Automatic >> Repair and Diagnosis >> Transmission >> Transmission Control Systems >> A/T & M/T Control Systems >> AT Shift Lock Control System >> Inspection >> Shift Lock Of Select Lever Cannot Be Released
April 5, 2026: LEMON Manuals is launched! Read the announcement.

Shift Lock Of Select Lever Cannot Be Released

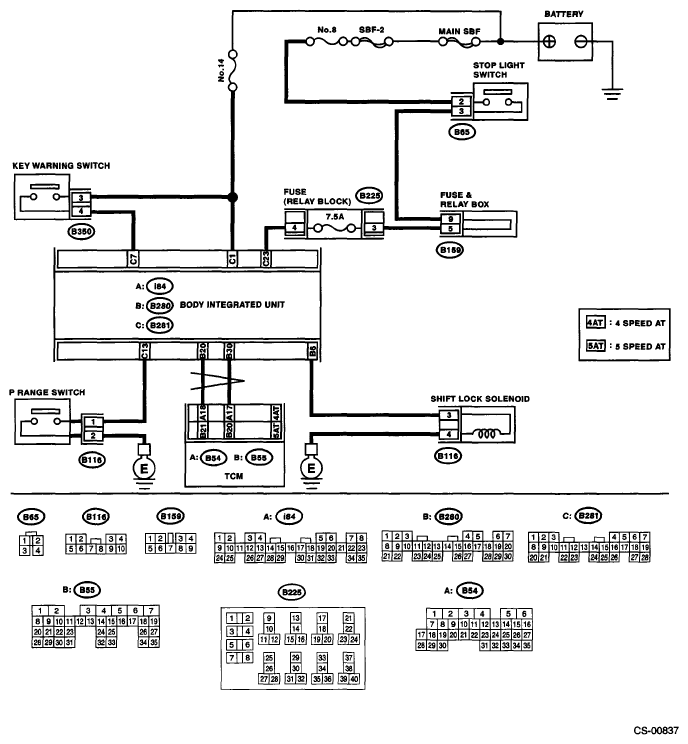
Fig 1: Shift Lock Of Select Lever - Wiring Diagram
G05666103Courtesy of SUBARU OF AMERICA, INC.
SHIFT LOCK OF SELECT LEVER OPERATION CHART

Step Check Yes No
1 CHECK IGNITION POWER.  Is the voltage 9 V or more? Go to step 2.  Check the ignition switch harness.
2 CHECK DTC OF BODY INTEGRATED UNIT. 
  1. Turn the ignition switch to ON.
  2. Read the DTC of body integrated unit using Subaru Select Monitor.
Is B1106 current malfunction? Repair or replace it according to the DTC. Go to step 3. 
3 CHECK DTC OF BODY INTEGRATED UNIT.  Are U1213 and U1223 current malfunction? Check the CAN communication system. Go to step 4. 
4 CHECK DTC OF BODY INTEGRATED UNIT.  Are U1212 and U1222 current malfunction? Check the CAN communication system. Go to step 5. 
5 CHECK INPUT SIGNAL OF BODY INTEGRATED UNIT USING SUBARU SELECT MONITOR. 
Read the input signal of front wheel speed from Subaru Select Monitor.
Is the front wheel speed 10 km/h or more? Check the VDC/ABS CM. Go to step 6. 
6 CHECK INPUT SIGNAL OF BODY INTEGRATED UNIT USING SUBARU SELECT MONITOR. 
Read the input signal of shift position from Subaru Select Monitor. < Ref. to OPERATION , Subaru Select Monitor . >
Is "7" displayed in the "P" range and displayed other than "7" except in the "P" range? Inspect the inhibitor switch and TCM. Go to step 7. 
7 CHECK INPUT SIGNAL OF BODY INTEGRATED UNIT USING SUBARU SELECT MONITOR. 
Read the input signal of "P" range switch from the Subaru Select Monitor. < Ref. to OPERATION , Subaru Select Monitor . >
Is "ON" displayed in the "P" range and displayed "OFF' except in the "P" range? Go to step 3.  Go to step 8. 
8 CHECK HARNESS BETWEEN BODY INTEGRATED UNIT AND "P" RANGE SWITCH. 
  1. Disconnect the connector of the "P" range switch.
  2. Measure the resistance of harness between the body integrated unit and the "P" range switch.

    Connector & terminal 

    (B116) No. 1 (+) - (B281) No. 13 (-): 

Is the resistance 1 MΩ or more? Repair the open circuit of harness between the body integrated unit and the "P" range switch. Go to step 9. 
9 CHECK HARNESS BETWEEN "P" RANGE SWITCH AND CHASSIS GROUND. 
Measure the resistance of harness between "P" range switch and chassis ground.
Connector & terminal 
(B116) No. 2 - Chassis ground: 
Is the resistance 1 MΩ or more? Repair the open circuit of harness between "P" range switch and chassis ground. Go to step 10. 
10 CHECK "P" RANGE SWITCH. 
  1. Shift the select lever to the "P" range.
  2. Measure the resistance between "P" range switch connector terminals.

    Terminals 

    No.2 - No.1: 

Is the resistance less than 1 Ω? Go to step 11.  Replace the "P" range switch.
11 CHECK "P" RANGE SWITCH. 
  1. Shift the select lever to other than "P" range.
  2. Measure the resistance between "P" range switch connector terminals.

    Terminals 

    No.2 - No.1: 

Is the resistance 1 MΩ or more? Replace the body integrated unit. Replace the "P" range switch.
12 CHECK INPUT SIGNAL OF BODY INTEGRATED UNIT USING SUBARU SELECT MONITOR. 
Read the input signal of stop light switch from Subaru Select Monitor. < Ref. to OPERATION , Subaru Select Monitor . >
Is "ON" displayed when the brake pedal is depressed and displayed "OFF when not depressed? Go to step 14.  Go to step 13. 
13 CHECK STOP LIGHT SWITCH INPUT SIGNAL. 
  1. Turn the ignition switch to OFF.
  2. Disconnect the connector from body integrated unit.
  3. Measure the voltage between the body integrated unit connector terminal and chassis ground.

    Connector & terminal 

    (B281) No. 23 (+) - Chassis ground (-): 

Is the voltage 9 V or more when the brake pedal is depressed, and approx. 0 V when not depressed? Replace the body integrated unit. Check the stop light system.
14 CHECK SHIFT LOCK SOLENOID. 
  1. Disconnect the connector from the shift lock solenoid.
  2. Measure the resistance of shift lock solenoid terminals.

    Terminals 

    No. 3 - No. 4: 

Is the resistance between 19.5 - 25.5 Ω? Go to step 15.  Replace the shift lock solenoid.
15 CHECK SHIFT LOCK SOLENOID. 
Connect the battery to the shift lock solenoid connector terminal, and then operate the solenoid.
Terminals 
No.3 (+) - No.4 (-): 
Does the shift lock solenoid operate normally? Go to step 16.  Replace the shift lock solenoid unit.
16 CHECK INPUT SIGNAL OF BODY INTEGRATED UNIT USING SUBARU SELECT MONITOR. 
  1. Turn the ignition switch to ON.
  2. Shift the select lever to the "P" range.
  3. Depress the brake pedal.
  4. Read the output signal of shift lock solenoid from the Subaru Select Monitor. < Ref. to OPERATION , Subaru Select Monitor . >
Is "ON" displayed? Go to step 17.  Replace the body integrated unit.
17 CHECK HARNESS BETWEEN BATTERY AND BODY INTEGRATED UNIT. 
  1. Disconnect the connector of body integrated unit.
  2. Measure the voltage between body integrated unit and chassis ground.

    Connector & terminal 

    (B281) No. 1 (+) - Chassis ground (-): 

Is the voltage 9 V or more? Replace the body integrated unit. Check the harness for open between the body integrated unit and battery or the fuse (No. 14).