LEMON Manuals: Even more car manuals for everyone: 1960-2025
Home >> Subaru >> 2008 >> Tribeca Base >> Repair and Diagnosis >> Engine Performance >> System >> Engine Controls - Engine (Diagnostics) (H6DO) >> Diagnostic Procedure with Diagnostic Trouble Code (DTC) >> DTC P0607 Control Module Performance >> Wiring Diagram
April 5, 2026: LEMON Manuals is launched! Read the announcement.

DTC P0607 Control Module Performance: Wiring Diagram

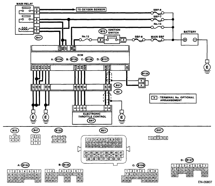
Fig 1: Identifying DTC P0607 Control Module Performance Wiring Diagram
G05664134Courtesy of SUBARU OF AMERICA, INC.
DIAGNOSTIC PROCEDURE FOR SYMPTOM

Step Check Yes No
1 CHECK INPUT VOLTAGE FROM ECM. 
  1. Turn the ignition switch to ON.
  2. Measure the voltage between ECM and chassis ground.

    Connector & terminal 

    (B134) No. 7 (+) - Chassis ground (-): 

    (B135) No. 2 (+) - Chassis ground (-): 

Is the voltage 10 - 13 V? Go to step 2.  Repair the open or ground short circuit of power supply circuit.
2 CHECK INPUT VOLTAGE FROM ECM. 
  1. Start the engine.
  2. Measure the voltage between ECM and chassis ground.

    Connector & terminal 

    (B134) No. 7 (+) - Chassis ground (-): 

    (B135) No. 2 (+) - Chassis ground (-): 

Is the voltage 13 - 15 V? Go to step 3.  Repair the open or ground short circuit of power supply circuit.
3 CHECK HARNESS BETWEEN ECM AND ELECTRONIC THROTTLE CONTROL. 
  1. Turn the ignition switch to OFF.
  2. Disconnect the connectors from ECM and electronic throttle control.
  3. Measure the resistance of harness between ECM and electronic throttle control connector.

    Connector & terminal 

    (B134) No. 19 - (E57) No. 5: 

    (B134) No. 29 - (E57) No. 3: 

Is the resistance less than 1 Ω? Go to step 4.  Repair the open circuit of harness between ECM and electronic throttle control connector.
4 CHECK ECM GROUND HARNESS. 
  1. Connect all connectors.
  2. Turn the ignition switch to ON.
  3. Measure the voltage between ECM and chassis ground.

    Connector & terminal 

    (B134) No. 3 (+) - Chassis ground (-): 

    (B134) No. 5 (+) - Chassis ground (-): 

    (B137) No. 1 (+) - Chassis ground (-): 

    (B137) No. 2 (+) - Chassis ground (-): 

    (B137) No. 3 (+) - Chassis ground (-): 

    (B137) No. 7 (+) - Chassis ground (-): 

Is the voltage less than 1 V? Repair poor contact in ECM connector. Repair the following item.
  • Open circuit of ground circuit
  • Retightening of engine ground terminals
  • Poor contact of coupling connector