LEMON Manuals: Even more car manuals for everyone: 1960-2025
Home >> Subaru >> 2009 >> Outback F4-2.5L DOHC Turbo >> Repair and Diagnosis >> Powertrain Management >> Computers and Control Systems >> Relays and Modules - Computers and Control Systems >> Engine Control Module >> Testing and Inspection
April 5, 2026: LEMON Manuals is launched! Read the announcement.

Engine Control Module: Testing and Inspection

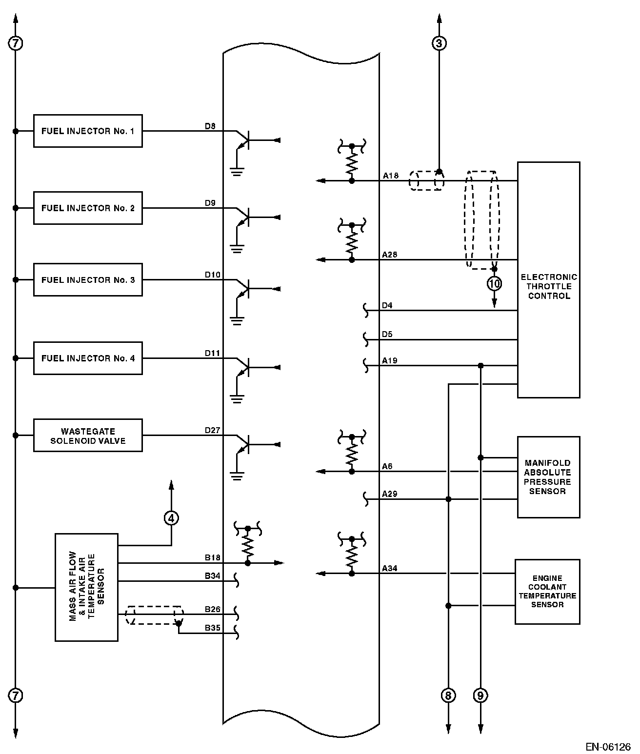
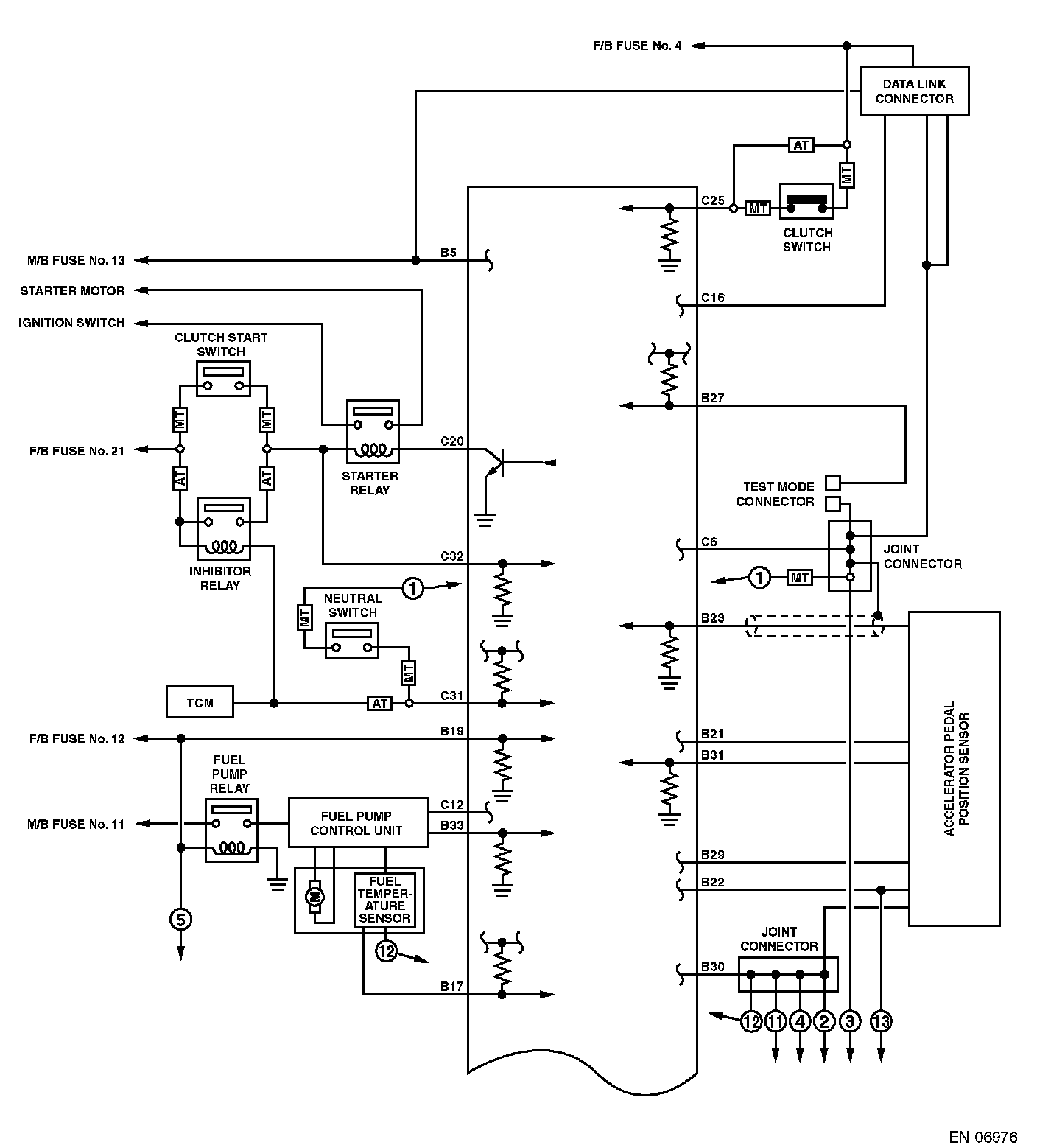
Engine Control Module (ECM) I/O Signal-Electrical Specification (Part 1):



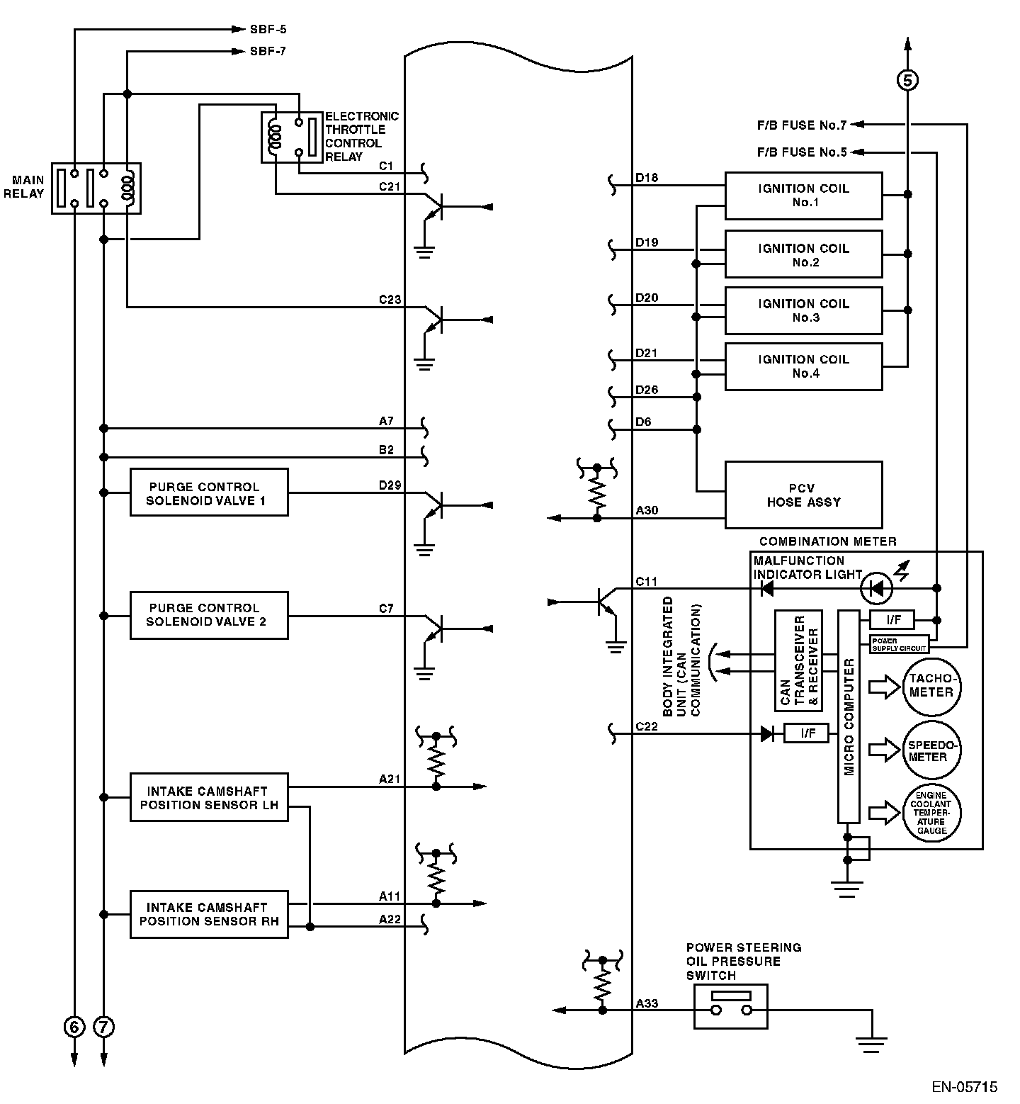
Engine Control Module (ECM) I/O Signal-Electrical Specification (Part 2):



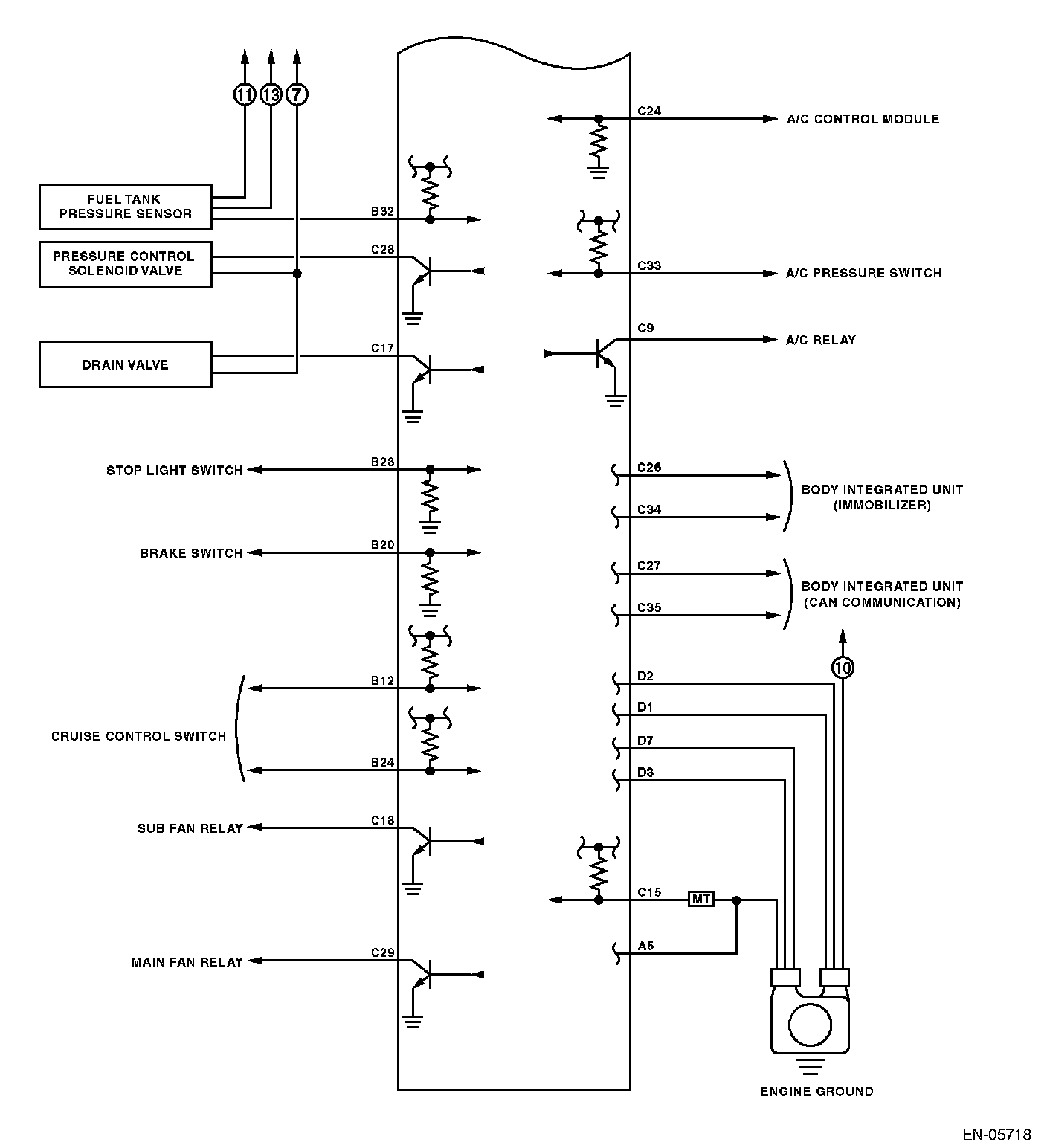
Engine Control Module (ECM) I/O Signal-Electrical Specification (Part 3):



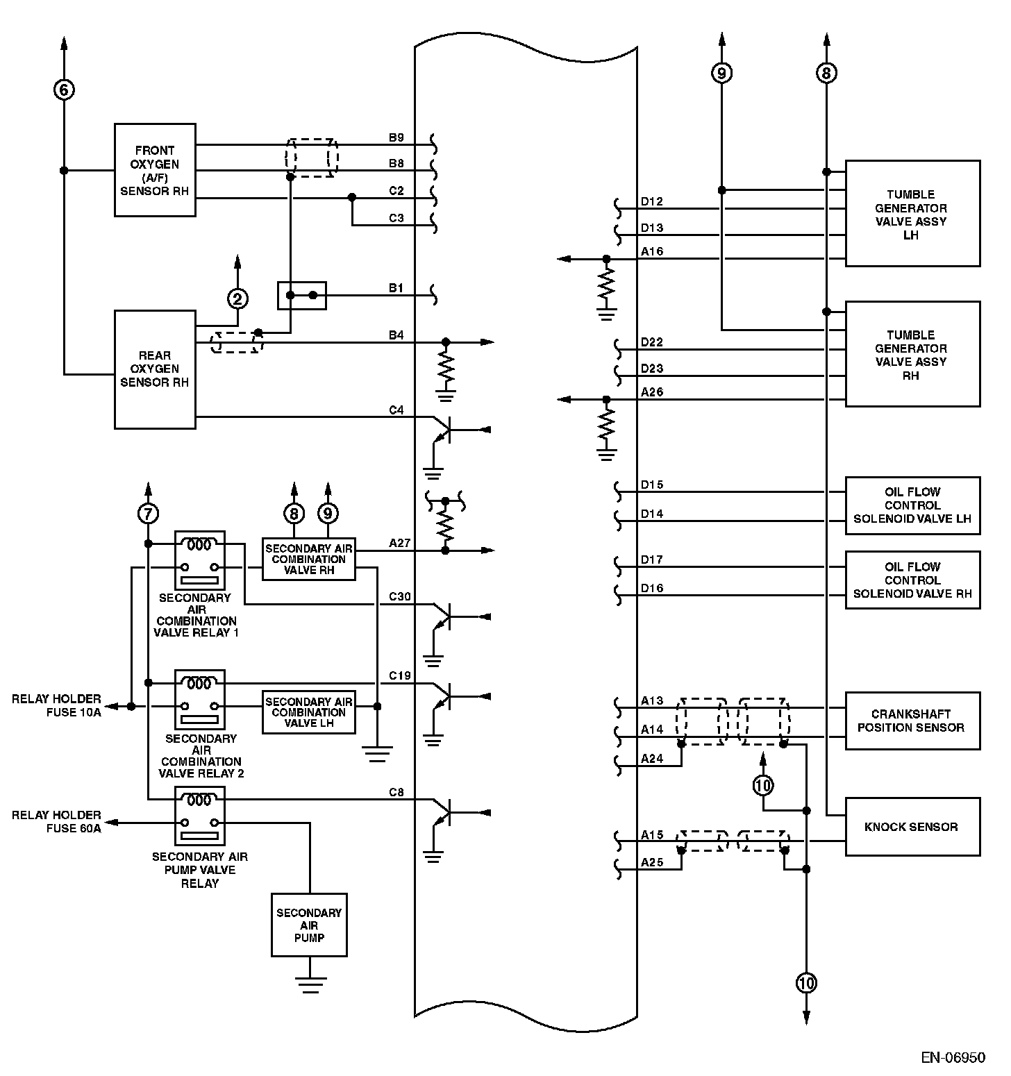
Engine Control Module (ECM) I/O Signal-Electrical Specification (Part 4):



Engine Control Module (ECM) I/O Signal-Electrical Specification (Part 5):



Engine Control Module (ECM) I/O Signal-Electrical Specification (Part 6):



Engine Control Module (ECM) I/O Signal-Electrical Specification (Part 7):



Engine Control Module (ECM) I/O Signal-Electrical Specification (Part 8):



Engine Control Module (ECM) I/O Signal-Electrical Specification (Part 9):



Engine Control Module (ECM) I/O Signal-Electrical Specification (Part 10):