Electrical Specification
CONNECTOR TERMINAL REFERENCE CHART
| Contents | Connector No. | Terminal No. | Signal (V) | Note | ||
|---|---|---|---|---|---|---|
| Ignition SW ON (engine OFF) | Engine ON (idling) | |||||
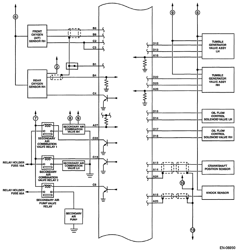
| Crankshaft position sensor | Signal (+) | B134 | 13 | 0 | -7 - +7 | Waveform |
| Signal (-) | B134 | 14 | 0 | 0 | - | |
| Shield | B134 | 24 | 0 | 0 | - | |
| Rear oxygen sensor | Signal | B135 | 4 | 0 | 0 - 0.9 | - |
| Shield | B135 | 1 | 0 | 0 | - | |
| Ground (sensor) | B135 | 30 | 0 | 0 | - | |
| Front oxygen (A/F) sensor heater | Signal 1 | B136 | 3 | - | - | Waveform |
| Signal 2 | B136 | 2 | - | - | Waveform | |
| Rear oxygen sensor heater signal | B136 | 4 | 0 - 13 | 12 - 14 | Waveform | |
| Engine coolant temperature sensor | Signal | B134 | 34 | 1.0 - 1.4 | 1.0 - 1.4 | After engine is warmed up. |
| Ground (sensor) | B134 | 29 | 0 | 0 | After engine is warmed up. | |
| Air flow sensor | Signal | B135 | 26 | - | 0.3 - 4.5 | - |
| Shield | B135 | 35 | 0 | 0 | - | |
| Ground | B135 | 34 | 0 | 0 | - | |
| Intake air temperature sensor signal | B135 | 18 | 0.3 - 4.6 | 0.3 - 4.6 | - | |
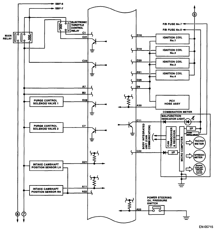
| Wastegate control solenoid valve | B137 | 27 | 0 or 10 - 13 | 0 or 12 - 14 | Waveform | |
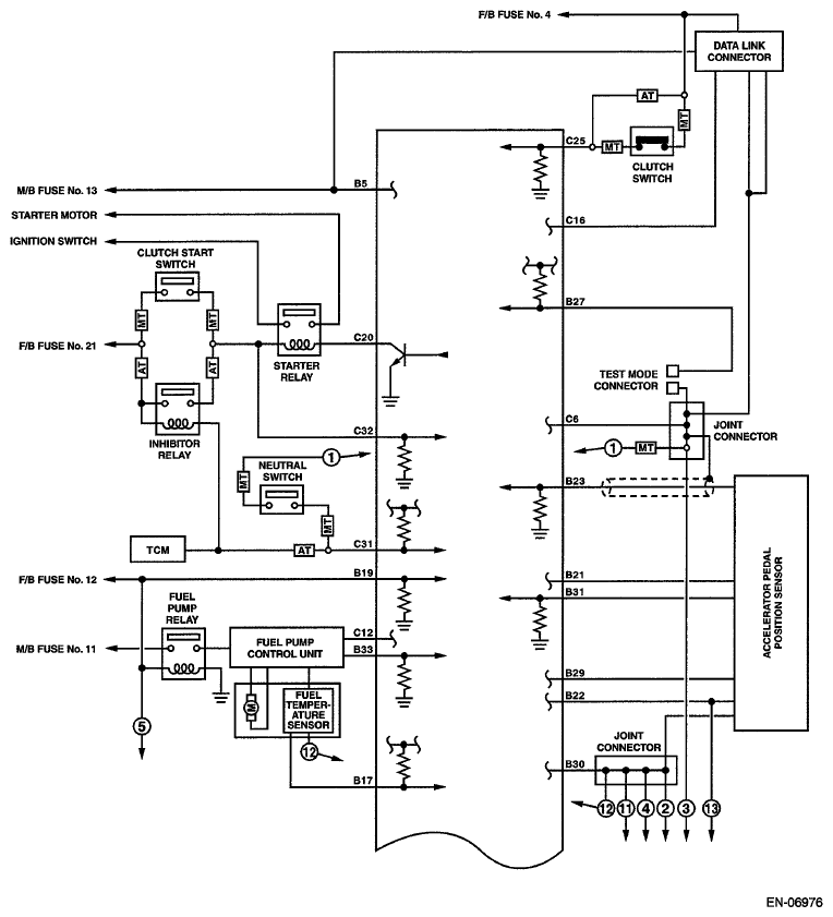
| Starter switch | B136 | 32 | 0 | 0 | Cranking: 8 - 14 | |
| A/C switch | B136 | 24 | ON: 10 - 13 OFF: 0 | ON: 12 - 14 OFF: 0 | - | |
| Ignition switch | B135 | 19 | 10 - 13 | 12 - 14 | - | |
| Neutral position switch (AT/MT) | B136 | 31 | ON: 0 OFF: 10 - 13 | ON: 0 OFF: 12 - 14 | - | |
| Delivery (test) mode connector | B135 | 27 | 10 - 13 | 13 - 14 | When connected: 0 | |
| Knock sensor | Signal | B134 | 15 | 2.8 | 2.8 | - |
| Shield | B134 | 25 | 0 | 0 | - | |
| Back-up power supply | B135 | 5 | 10 - 13 | 12 - 14 | Ignition switch "OFF: 10 - 13 | |
| Control module power supply | B134 | 7 | 10 - 13 | 12 - 14 | - | |
| B135 | 2 | 10 - 13 | 12 - 14 | - | ||
| Sensor power supply | B134 | 19 | 5 | 5 | - | |
| Ignition control | #1 | B137 | 18 | 0 | 12 - 14 | Waveform |
| #2 | B137 | 19 | 0 | 12 - 14 | Waveform | |
| #3 | B137 | 20 | 0 | 12 - 14 | Waveform | |
| #4 | B137 | 21 | 0 | 12 - 14 | Waveform | |
| Fuel injector | #1 | B137 | 8 | 10 - 13 | 1 - 14 | Waveform |
| #2 | B137 | 9 | 10 - 13 | 1 - 14 | Waveform | |
| #3 | B137 | 10 | 10 - 13 | 1 - 14 | Waveform | |
| #4 | B137 | 11 | 10 - 13 | 1 - 14 | Waveform | |
| Fuel pump control unit | Signal 1 | B135 | 33 | 10 - 13 | 12 - 14 | - |
| Signal 2 | B136 | 12 | 0 or 5 | 0 or 5 | Waveform | |
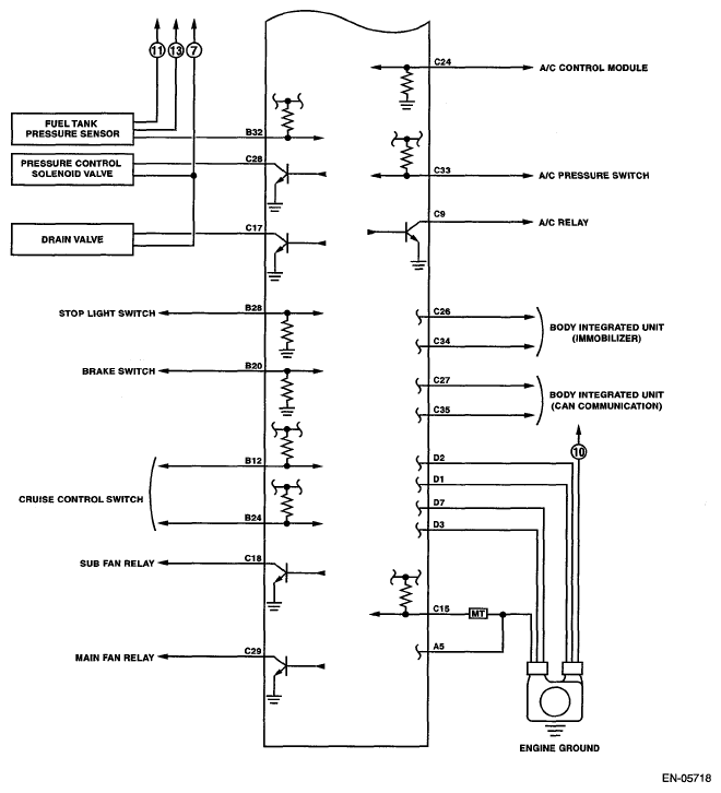
| A/C relay control | B136 | 9 | ON: 0.5 or less OFF: 10 - 13 |
ON: 0.5 or less OFF: 12 - 14 |
- | |
| Radiator fan relay 1 control | B136 | 18 | ON: 0.5 or less OFF: 10 - 13 |
ON: 0.5 or less OFF: 12 - 14 |
- | |
| Radiator fan relay 2 control | B136 | 29 | ON: 0.5 or less OFF: 10 - 13 |
ON: 0.5 or less OFF: 12 - 14 |
Model with A/C only | |
| Malfunction indicator light | B136 | 11 | - | - | Light "ON": 1 or less Light "OFF": 10 - 14 |
|
| Engine speed output | B136 | 22 | - | 0 - 13 or more | Waveform | |
| Purge control solenoid valve 1 | B137 | 29 | ON: 1 or less OFF: 10 - 13 |
ON: 1 or less OFF: 12 - 14 |
Waveform | |
| Purge control solenoid valve 2 | B136 | 7 | ON: 1 or less OFF: 10 - 13 |
ON: 1 or less OFF: 12 - 14 |
Waveform | |
| Manifold absolute pressure sensor | Signal | B134 | 6 | 1.7 - 2.4 | 1.1 - 1.6 | - |
| Power supply | B134 | 19 | 5 | 5 | ||
| Ground (sensor) | B134 | 29 | 0 | 0 | ||
| Power steering oil pressure switch | B134 | 33 | 10 - 13 | ON: 0 OFF: 12 - 14 |
- | |
| Front oxygen (A/F) sensor signal (+) | B135 | 9 | 2.8 - 3.2 | 2.8 - 3.2 | - | |
| Front oxygen (A/F) sensor signal (-) | B135 | 8 | 2.4 - 2.7 | 2.4 - 2.7 | - | |
| Front oxygen (A/F) sensor shield | B135 | 1 | 0 | 0 | - | |
| SSM communication line | B136 | 16 | 1 or less ↔ 4 or more | 1 or less ↔ 4 or more | - | |
| Intake camshaft position sensor (LH) | B134 | 21 | 0 or 5 | 0 or 5 | Waveform | |
| Intake camshaft position sensor (RH) | B134 | 11 | 0 or 5 | 0 or 5 | Waveform | |
| Intake camshaft position sensor ground | B134 | 22 | 0 | 0 | - | |
| Electric throttle control | Main | B134 | 18 | 0.64 - 0.72 Fully opened: 3.96 |
0.64 - 0.72 (After engine is warmed up.) |
Fully closed: 0.6 Fully opened: 3.96 |
| Sub | B134 | 28 | 1.51 - 1.58 Fully opened: 4.17 |
1.51 - 1.58 (After engine is warmed up.) |
Fully closed: 1.48 Fully opened: 4.17 |
|
| Power supply | B134 | 19 | 5 | 5 | - | |
| Ground (sensor) | B134 | 29 | 0 | 0 | - | |
| Electronic throttle control motor (+) | B137 | 5 | Duty waveform | Duty waveform | Drive frequency: 500 Hz | |
| Electronic throttle control motor (-) | B137 | 4 | Duty waveform | Duty waveform | Drive frequency: 500 Hz | |
| Electronic throttle control motor power supply | B136 | 1 | 10 - 13 | 12 - 14 | - | |
| Electronic throttle control motor relay | B136 | 21 | ON: 0 OFF: 10 - 13 |
ON: 0 OFF: 12 - 14 |
When ignition switch is turned to ON: ON | |
| Intake AVCS solenoid (LH) | Signal (+) | B137 | 15 | ON: 10 - 13 OFF: 0 |
ON: 12 - 14 OFF: 0 |
- |
| Signal (-) | B137 | 14 | 0 | 0 | - | |
| Intake AVCS solenoid (RH) | Signal (+) | B137 | 17 | ON: 10 - 13 OFF: 0 |
ON: 12 - 14 OFF: 0 |
- |
| Signal (-) | B137 | 16 | 0 | 0 | - | |
| Accelerator pedal position sensor | Main sensor signal | B135 | 23 | Fully closed: 1 Fully opened: 3.3 |
Fully closed: 1 Fully opened: 3.3 |
- |
| Main power supply | B135 | 21 | 5 | 5 | - | |
| Ground (main sensor) | B135 | 29 | 0 | 0 | - | |
| Shield | B136 | 6 | 0 | 0 | - | |
| Sub sensor signal | B135 | 31 | Fully closed: 1 Fully opened: 3.3 |
Fully closed: 1 Fully opened: 3.3 |
- | |
| Sub power supply | B135 | 22 | 5 | 5 | - | |
| Ground (sub sensor) | B135 | 30 | 0 | 0 | - | |
| Starter relay | B136 | 20 | ON: 0 OFF: 10 - 13 |
ON: 0 OFF: 12 - 14 |
ON: cranking | |
| A/C middle pressure switch | B136 | 33 | ON: 0 OFF: 10 - 13 |
ON: 0 OFF: 12 - 14 |
- | |
| Clutch switch | B136 | 25 | When clutch pedal is depressed: 0 When clutch pedal is released: 10 - 13 |
When clutch pedal is depressed: 0 When clutch pedal is released: 12 - 14 |
- | |
| Brake switch 1 | B135 | 20 | When brake pedal is depressed: 0 When brake pedal is released: 10 - 13 |
When brake pedal is depressed: 0 When brake pedal is released: 12 - 14 |
- | |
| Brake switch 2 | B135 | 28 | When brake pedal is depressed: 10 - 13 When brake pedal is released: 0 |
When brake pedal is depressed: 12 - 14 When brake pedal is released: 0 |
- | |
| Cruise control command switch | B135 | 24 | When not operating: 3.5 - 4.5 When operating RES/ACC: 2.5 - 3.5 When operating SET/COAST: 0.5 - 1.5 When operating CANCEL 0 - 0.5 |
When not operating: 3.5 - 4.5 When operating RES/ACC: 2.5 - 3.5 When operating SET/COAST: 0.5 - 1.5 When operating CANCEL: 0 - 0.5 |
- | |
| Cruise control main switch | B135 | 12 | ON: 0 OFF: 5 |
ON: 0 OFF: 5 |
- | |
| Fuel tank pressure sensor | B135 | 32 | 2.3 - 2.7 | 2.3 - 2.7 | - | |
| Pressure control solenoid valve | B136 | 28 | ON: 1 or less OFF: 10 - 13 |
ON: 1 or less OFF: 12 - 14 |
- | |
| Drain valve | B136 | 17 | ON: 1 or less OFF: 10 - 13 |
ON: 1 or less OFF: 12 - 14 |
- | |
| Fuel temperature sensor | B135 | 17 | 2.5 - 3.8 | 2.5 - 3.8 | Ambient temperature: 25°C (77°F) | |
| Immobilizer | Signal 1 | B136 | 26 | - | - | - |
| Signal 2 | B136 | 34 | - | - | - | |
| CAN communication (+) | B136 | 27 | - | - | - | |
| CAN communication (-) | B136 | 35 | - | - | - | |
| AT/MT identification | B136 | 15 | 0 | 0 | - | |
| Blow-by leak diagnosis signal | B134 | 30 | 0 | 0 | At the time of open circuit (fault): 5 | |
| Tumble generator valve position sensor signal (RH) | B134 | 26 | Fully closed: 0.4 - 1.2 Fully opened: 2.8 - 4.6 |
Fully closed: 0.4 - 1.2 Fully opened: 2.8 - 4.6 |
- | |
| Tumble generator valve position sensor signal (LH) | B134 | 16 | Fully closed: 0.4 - 1.2 Fully opened: 2.8 - 4.6 |
Fully closed: 0.4 - 1.2 Fully opened: 2.8 - 4.6 |
- | |
| Tumble generator valve RH (closed) | B137 | 23 | 0 or 10 - 13 | 0 or 12 - 14 | - | |
| Tumble generator valve LH (closed) | B137 | 13 | 0 or 10 - 13 | 0 or 12 - 14 | - | |
| Tumble generator valve RH (open) | B137 | 22 | 0 or 10 - 13 | 0 or 12 - 14 | - | |
| Tumble generator valve LH (open) | B137 | 12 | 0 or 10 - 13 | 0 or 12 - 14 | - | |
| Secondary air pipe pressure sensor | Signal | B134 | 27 | 2.2 - 2.8 | 2.2 - 2.8 | When secondary air is inducted: 3.2 - 4.9 |
| Power supply | B134 | 19 | 5.12 | 5.12 | - | |
| GND (sensor) | B134 | 29 | 0 | 0 | - | |
| Secondary air combination valve relay 1 | B136 | 30 | ON: 0 OFF: 10 - 13 |
ON: 0 OFF: 12 - 14 |
- | |
| Secondary air combination valve relay 2 | B136 | 19 | ON: 0 OFF: 10 - 13 |
ON: 0 OFF: 12 - 14 |
- | |
| Secondary air pump relay | B136 | 8 | ON: 0 OFF: 10 - 13 |
ON: 0 OFF: 12 - 14 |
- | |
| Self-shutoff control | B136 | 23 | 10 - 13 | 12 - 14 | - | |
| Ground (ignition system) | B137 | 26 | 0 | 0 | - | |
| B137 | 6 | 0 | 0 | - | ||
| Ground (engine 1) | B134 | 5 | 0 | 0 | - | |
| Ground (engine 2) | B137 | 7 | 0 | 0 | - | |
| Ground (engine 3) | B137 | 2 | 0 | 0 | - | |
| Ground (engine 4) | B137 | 1 | 0 | 0 | - | |
| Ground (engine 5) | B137 | 3 | 0 | 0 | - | |
| Ground (body) | B136 | 6 | 0 | 0 | - | |
WAVEFORM REFERENCE CHART
| Input/output name | Measuring condition | Waveform |
|---|---|---|
| 1. Crankshaft position sensor | At idling | |
| 2. Camshaft position sensor | At idling |