LEMON Manuals: Even more car manuals for everyone: 1960-2025
Home >> Subaru >> 2009 >> Tribeca F6-3.6L DOHC >> Repair and Diagnosis >> Powertrain Management >> Relays and Modules - Powertrain Management >> Relays and Modules - Computers and Control Systems >> Engine Control Module >> Testing and Inspection
April 5, 2026: LEMON Manuals is launched! Read the announcement.

Engine Control Module: Testing and Inspection

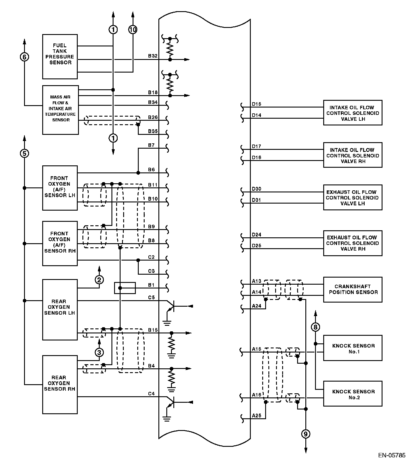
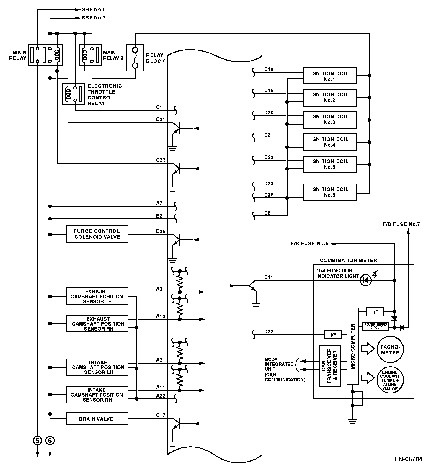
Engine Control Module (ECM) I/O Signal-Electrical Specification (Part 4):



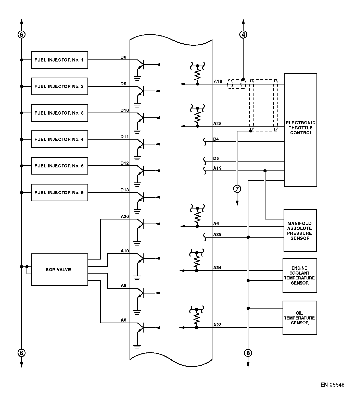
Engine Control Module (ECM) I/O Signal-Electrical Specification (Part 5):



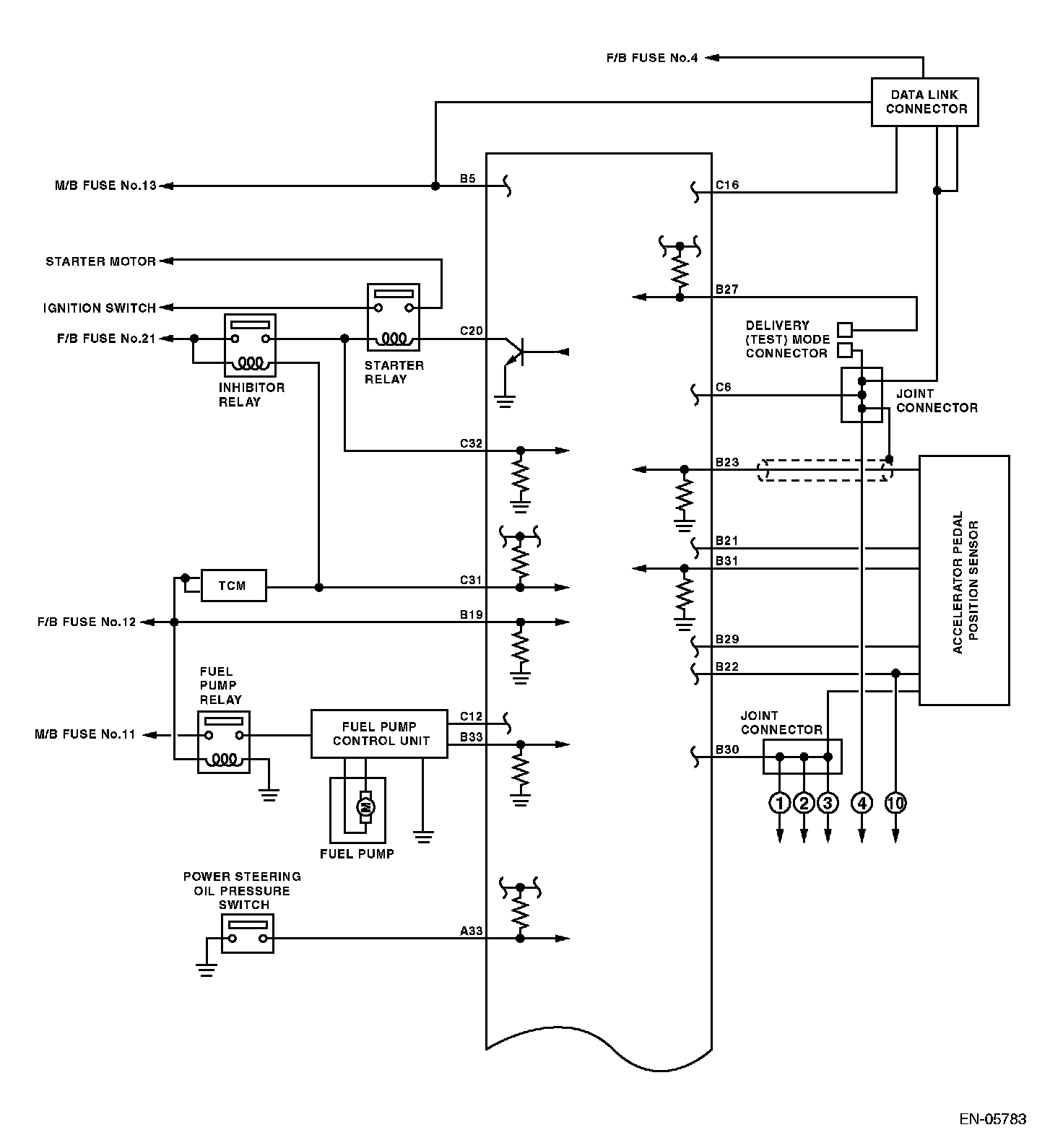
Engine Control Module (ECM) I/O Signal-Electrical Specification (Part 6):













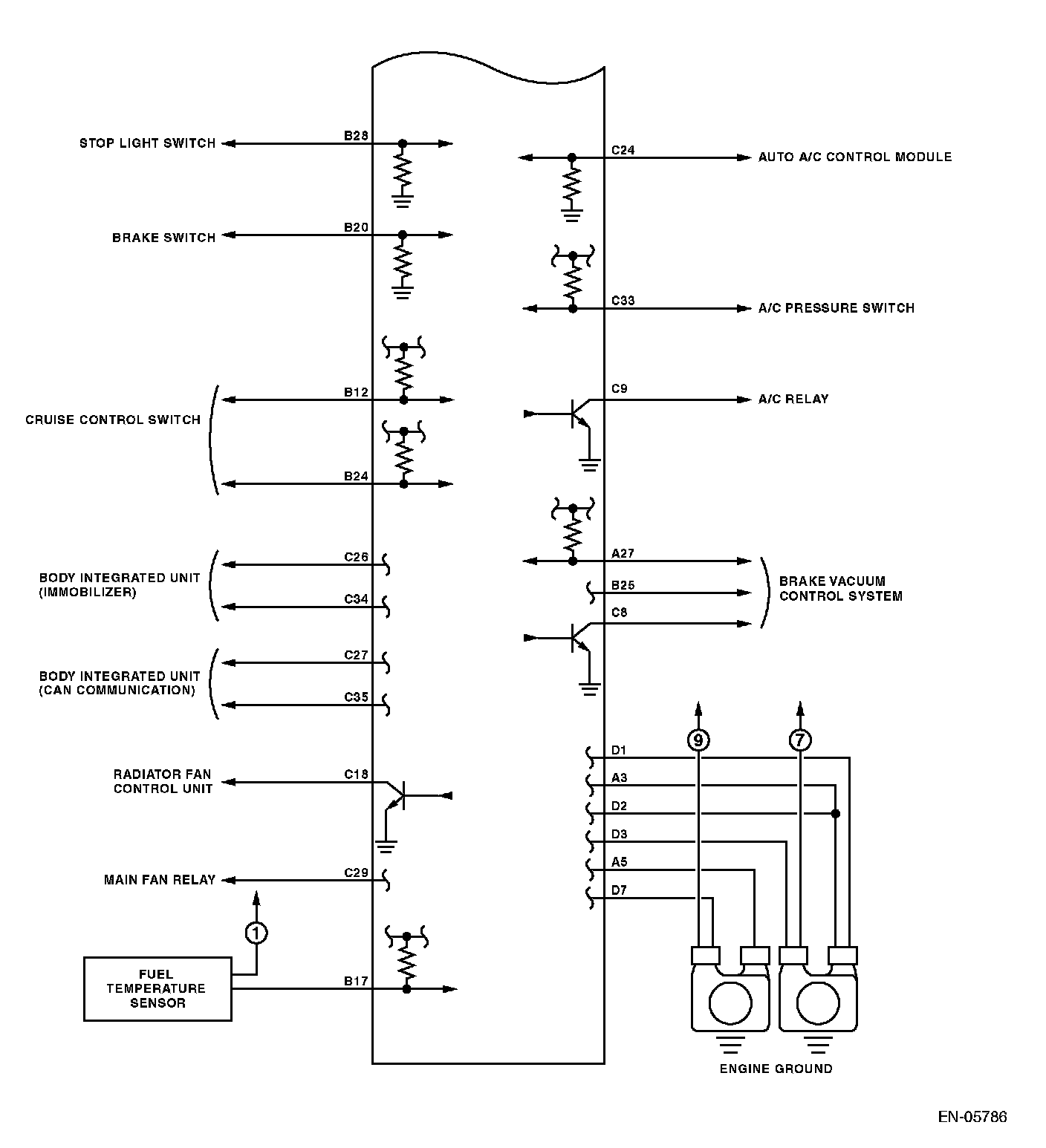
Electrical Specification:



Engine Control Module (ECM) I/O Signal (Part 1):