LEMON Manuals: Even more car manuals for everyone: 1960-2025
Home >> Subaru >> 2011 >> Outback R >> Repair and Diagnosis >> Engine Performance >> Engine Control Systems >> Fuel Injection Fuel Systems (H6DO) >> General Description >> Components With Torque Specifications >> Fuel Injector
April 5, 2026: LEMON Manuals is launched! Read the announcement.

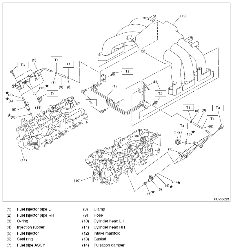
Fuel Injector

Fig 1: Fuel Injector Replacement Components With Torque Specifications
G07912232Courtesy of SUBARU OF AMERICA, INC.

Tightening torque: N.m (kgf-m, ft-lb) 

T1: 1.25 (0.1, 0.9) 

T2: 6.4 (0.7, 4.7) 

T3: 19 (1.9, 14.0) 

T4: 21.6 (2.2, 15.9)