LEMON Manuals: Even more car manuals for everyone: 1960-2025
Home >> Subaru >> 2012 >> Forester X Premium, Automatic Trans >> Repair and Diagnosis >> Engine Performance >> System >> Engine Controls (Diagnostics) (H4DO) >> Diagnostics for Engine Starting Failure >> Check Power Supply And Ground Line Of Engine Control Module (ECM) >> Wiring Diagram
April 5, 2026: LEMON Manuals is launched! Read the announcement.

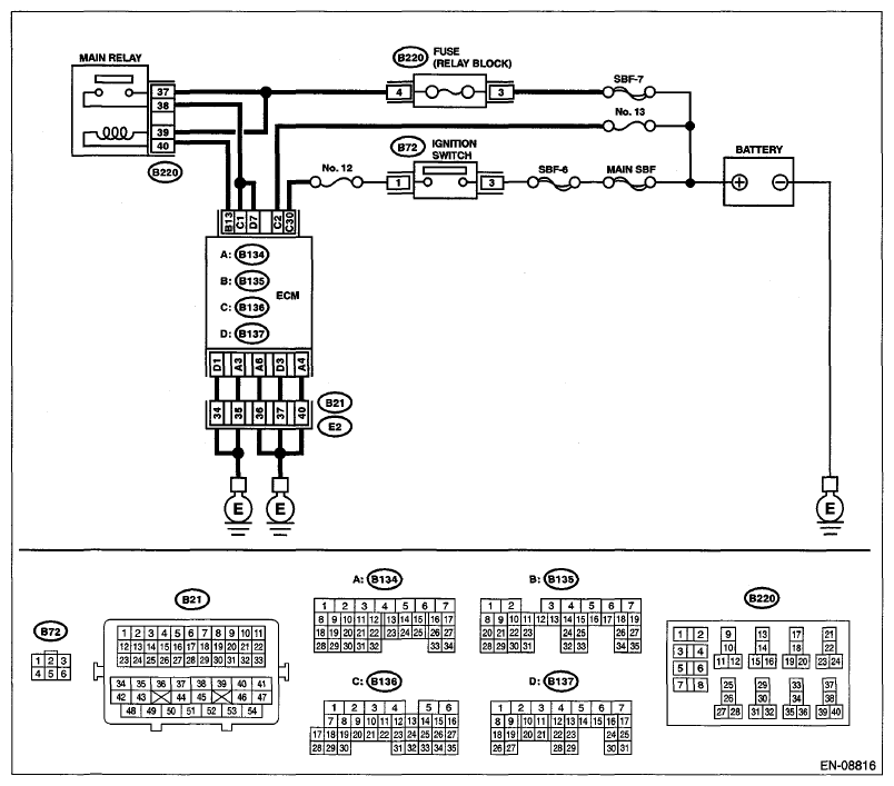
Check Power Supply And Ground Line Of Engine Control Module (ECM): Wiring Diagram

Fig 1: Power Supply And Ground Line Of Engine Control Module - Wiring Diagram
G07670241Courtesy of SUBARU OF AMERICA, INC.
DIAGNOSIS PROCEDURE

Step Check Yes No
1 CHECK MAIN RELAY. 
  1. Turn the ignition switch to OFF.
  2. Remove the main relay.
  3. Connect the battery to main relay terminals No. 39 and No. 40.
  4. Measure the resistance between main relay terminals.

    Terminals 

    No. 37 - No. 38: 

Is the resistance less than 1 Ω? Go to step 2.  Replace the main relay. < refer to MAIN RELAY . >
2 CHECK GROUND CIRCUIT FOR ECM. 
  1. Disconnect the connector from ECM.
  2. Measure the resistance of harness between ECM and chassis ground.

    Connector & terminal 

    (B134) No. 3 - Chassis ground: 

    (B134) No. 4 - Chassis ground: 

    (B134) No. 6 - Chassis ground: 

    (B137) No. 1 - Chassis ground: 

    (B137) No. 3 - Chassis ground: 

Is the resistance less than 5 Ω? Go to step 3.  Repair the harness and connector.
NOTE: In this case, repair the following item:
  • Open circuit of harness between ECM connector and engine ground terminal.
  • Poor contact of coupling connector
3 CHECK INPUT VOLTAGE OF ECM. 
  1. Turn the ignition switch to ON.
  2. Measure the voltage between ECM and chassis ground.

    Connector & terminal 

    (B136) No. 2 (+) - Chassis ground (-): 

    (B136) No. 30 (+) - Chassis ground (-): 

Is the voltage 10 V or more? Go to step 4.  Repair the open or ground short circuit of harness of power supply circuit.
4 CHECK INPUT VOLTAGE OF MAIN RELAY. 
Measure the voltage between main relay connector and chassis ground.
Connector & terminal 
(B220) No. 37 (+) - Chassis ground (-): 
(B220) No. 39 (+) - Chassis ground (-): 
Is the voltage 10 V or more? Go to step 5.  Repair the open or ground short circuit of harness of power supply circuit.
5 CHECK INPUT VOLTAGE OF ECM. 
  1. Turn the ignition switch to OFF.
  2. Install the main relay.
  3. Turn the ignition switch to ON.
  4. Measure the voltage between ECM and chassis ground.

    Connector & terminal 

    (B135) No. 13 (+) - Chassis ground (-): 

Is the voltage 10 V or more? Go to step 6.  Repair the open circuit in harness between ECM and main relay connector.
6 CHECK INPUT VOLTAGE OF ECM. 
  1. Turn the ignition switch to OFF.
  2. Connect the connector to ECM.
  3. Turn the ignition switch to ON.
  4. Measure the voltage between ECM and chassis ground.

    Connector & terminal 

    (B136) No. 1 (+) - Chassis ground (-): 

    (B137) No. 7 (+) - Chassis ground (-): 

Is the voltage 10 V or more? Check ignition control system. < refer to IGNITION CONTROL SYSTEM , Diagnostics for Engine Starting Failure > Repair the harness and connector.
NOTE: In this case, repair the following item:
  • Open circuit in harness between ECM and main relay connector
  • Poor contact of main relay connector
  • Poor contact of ECM connector