LEMON Manuals: Even more car manuals for everyone: 1960-2025
Home >> Subaru >> 2012 >> Outback Base, Standard Trans >> Repair and Diagnosis >> Accessories & Equipment >> Cruise Control Systems >> Cruise Control System - Mechanism & Function >> Cruise Control >> Schematic
April 5, 2026: LEMON Manuals is launched! Read the announcement.

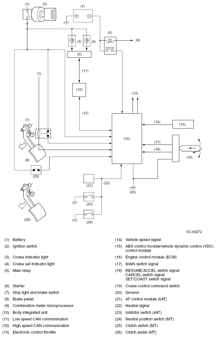
Cruise Control: Schematic

Fig 1: Cruise Control Schematic
G08260577Courtesy of SUBARU OF AMERICA, INC.