LEMON Manuals: Even more car manuals for everyone: 1960-2025
Home >> Subaru >> 2012 >> Outback Base, Standard Trans >> Repair and Diagnosis >> Transmission >> Transmission Control Systems >> A/T & M/T Control Systems >> AT Shift Lock Control System >> Inspection >> Key Interlock Does Not Lock Or Release
April 5, 2026: LEMON Manuals is launched! Read the announcement.

Key Interlock Does Not Lock Or Release

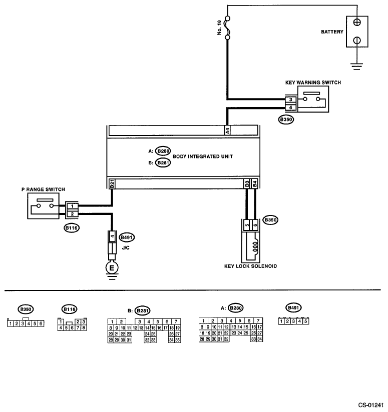
Fig 1: Key Interlock - Circuit Diagram
G06651704Courtesy of SUBARU OF AMERICA, INC.
Step Check Yes No
1 CHECK BODY INTEGRATED UNIT POWER SUPPLY AND GROUND CIRCUIT. 
Refer to , BODY INTEGRATED UNIT POWER SUPPLY AND GROUND CIRCUIT , INSPECTION, AT Shift Lock Control System.
Is there any fault? Follow the procedures to inspect and repair. Go to step 2. 
2 CHECK CURRENT DATA. 
  1. Connect the Subaru Select Monitor.
  2. Shift the select lever to "P" range.
  3. Turn the ignition switch to ON.
  4. Select the current data display and display << P SW >>.
Is the display "ON" in the "P" range and "OFF" in ranges other than "P"? Go to step 3.  Go to step 5. 
3 CHECK CURRENT DATA. 
  1. Select the current data display and display the << Key-lock warning SW >>.
  2. Turn the ignition switch to OFF.
Does the display change from "ON" to "OFF" when the key is inserted and removed? Go to step 4.  Go to step 8. 
4 CHECK CURRENT DATA. 
  1. Turn the ignition switch to OFF.
  2. Select the current data display and display << Key locking output >>.
Is the display "Unlock" in the "P" range and "Lock" in ranges other than "P"? Go to step 9.  Go to step 5. 
5 CHECK HARNESS BETWEEN BODY INTEGRATED UNIT AND "P" RANGE SWITCH. 
  1. Disconnect the connector from body integrated unit.
  2. Disconnect the connector of "P" range switch.
  3. Check for open circuit of harness, short circuit to battery or short circuit to ground between the body integrated unit and "P" range switch.

    Connector & terminal 

    (B281) No. 21 - (B116) No. 1: 

Is the harness normal? Repair or replace the harness between the body integrated unit and the "P" range switch. Go to step 6. 
6 CHECK HARNESS BETWEEN "P" RANGE SWITCH AND CHASSIS GROUND. 
Measure the resistance of harness between "P" range switch and chassis ground.
Connector & terminal 
(B116) No. 2 - Chassis ground: 
Is it less than 10 Ω? Go to step 7.  Repair the harness between the "P" range switch and chassis ground.
7 CHECK "P" RANGE SWITCH. 
Measure the resistance between "P" range switch connector terminals.
Terminals 
No. 2 - No. 1: 
Is it less than 10 Ω in the "P" range, and 1 MΩ or more in ranges other than "P"? Replace the body integrated unit. Refer to BODY INTEGRATED UNIT . Replace the "P" range switch. Refer to , AT SHIFT LOCK SOLENOID AND "P" RANGE SWITCH .
8 CHECK HARNESS BETWEEN BATTERY AND KEY WARNING SWITCH AND BODY INTEGRATED UNIT. 
  1. Disconnect the connector from body integrated unit.
  2. Measure the voltage between body integrated unit and chassis ground.

    Connector & terminal 

    (B280) No. 4 (+) - Chassis ground (-): 

Is the display 9 - 16 V when the key is inserted, and less than 1.5 V with the key removed? Replace the body integrated unit. Refer to BODY INTEGRATED UNIT . Check the following items.
  • Key warning switch
  • Harness/fuse
  • Ignition circuit
9 CHECK HARNESS BETWEEN BODY INTEGRATED UNIT AND KEY LOCK SOLENOID. 
  1. Disconnect the connector from body integrated unit.
  2. Disconnect the connector of key lock solenoid.
  3. Check for open circuit of harness, short circuit to battery or short circuit to ground between the body integrated unit and key lock solenoid.

    Connector & terminal 

    (B281) No. 3 - (B350) No. 5: 

    (B281) No. 4 - (B350) No. 6: 

Is the harness normal? Repair or replace the harness between the body integrated unit and the key lock solenoid. Go to step 10. 
10 CHECK KEY LOCK SOLENOID OPERATION. 
Connect the battery to the key lock solenoid connector terminal, and operate the solenoid.
Does the key lock solenoid operate normally? Go to step 11.  Replace the key lock solenoid.
11 CHECK OUTPUT OF BODY INTEGRATED UNIT. 
  1. Connect all connectors.
  2. Insert the key.
  3. Shift the select lever to "P" range.
  4. Turn the ignition switch to OFF.
  5. Using an oscilloscope, measure the voltage between body integrated unit and chassis ground.

    Connector & terminal 

    Lock 

    (B281) No. 4 (+) - Chassis ground (-): 

    Unlock 

    (B281) No. 3 (+) - Chassis ground (-): 

Is the lock output voltage 7 - 14 V when the grip button of select lever is pressed?
Is the unlock output voltage 7 - 14 V when the grip button of select lever is released? Refer to , ELECTRICAL SPECIFICATION , AT Shift Lock Control System.
Check the lock mechanism of the steering lock body. Replace the body integrated unit. Refer to BODY INTEGRATED UNIT .