LEMON Manuals: Even more car manuals for everyone: 1960-2025
Home >> Subaru >> 2012 >> Outback R >> Repair and Diagnosis >> Engine Performance >> System >> Engine Diagnostics (H6DO) >> Engine Control Module (ECM) I/O Signal >> Electrical Specification
April 5, 2026: LEMON Manuals is launched! Read the announcement.

Electrical Specification

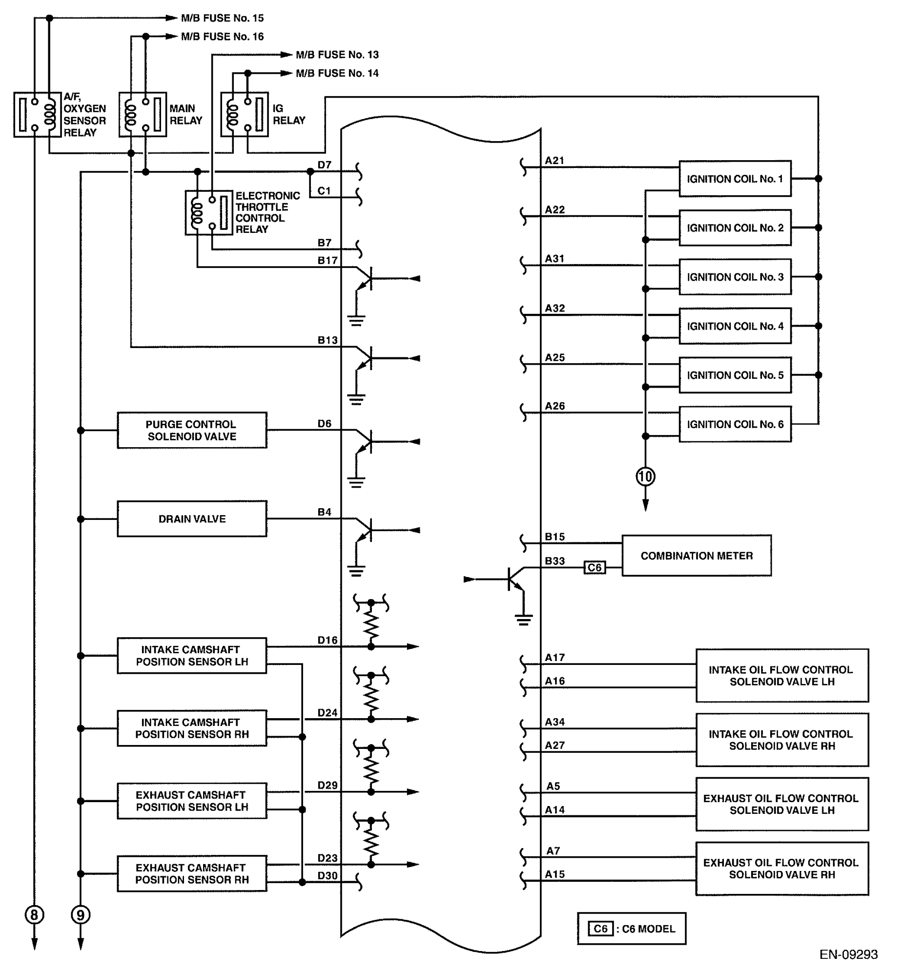
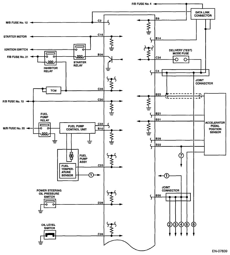
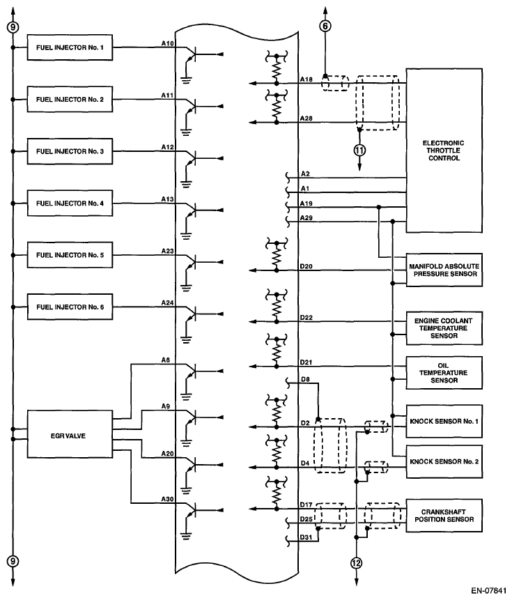
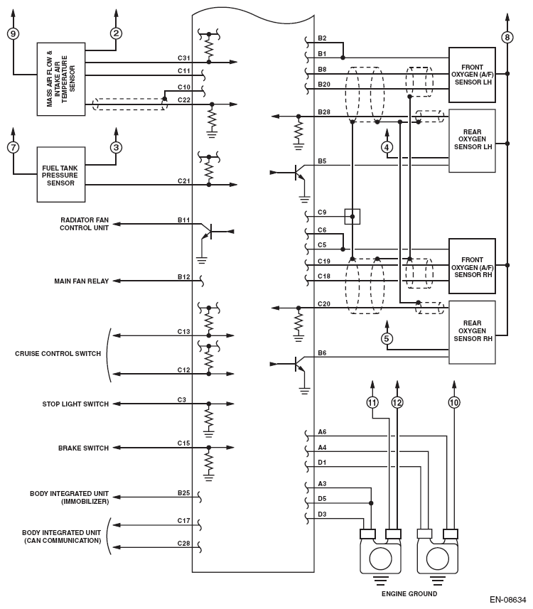
Fig 1: Identifying Engine Control Module (ECM) I/O Signal Connectors Terminals
G05334606Courtesy of SUBARU OF AMERICA, INC.
Description Connector No. Terminal No. Signal (V) Note
Ignition SW ON (engine OFF) Engine ON (idling)
Crankshaft position sensor Signal (+) B137 17 0 -7 - +7 Waveform
Signal (-) B137 25 0 0 -
Shield B137 31 0 0 -
Intake camshaft position sensor (LH) B137 16 0 or 5 0 or 5 Waveform
Intake camshaft position sensor (RH) B137 24 0 or 5 0 or 5 Waveform
Exhaust camshaft position sensor (LH) B137 29 0 or 5 0 or 5 Waveform
Exhaust camshaft position sensor (RH) B137 23 0 or 5 0 or 5 Waveform
Camshaft position sensor ground B137 30 0 0 -
Electronic throttle control Main B134 18 Approx. 0.9 (After engine is warmed up.) Approx. 0.6 - 0.7 (After engine is warmed up.) Fully closed: Approx. 0.6
Fully open: Approx. 4.0
Sub B134 28 Approx. 1.7 (After engine is warmed up.) Approx. 1.5 - 1.6 (After engine is warmed up.) Fully closed: Approx. 1.5
Fully open: Approx. 4.2
Electronic throttle control motor (+) B134 2 Duty waveform Duty waveform Drive frequency: 500 Hz
Electronic throttle control motor (-) B134 1 Duty waveform Duty waveform Drive frequency: 500 Hz
Electronic throttle control motor power supply B135 7 10 - 13 12 - 14 -
Electronic throttle control motor relay B135 17 ON: 0
OFF: 10 - 13
ON: 0
OFF: 12 - 14
When ignition switch is turned to ON: ON
Accelerator pedal position sensor Main sensor signal B135 23 Fully closed: 1
Fully opened: 3.6
Fully closed: 1
Fully opened: 3.3
-
Main power supply B135 21 5 5 -
Ground (main sensor) B135 29 0 0 -
Sub sensor signal B135 31 Fully closed: 1
Fully opened: 3.7
Fully closed: 1
Fully opened: 3.3
-
Sub power supply B135 22 5 5 -
Ground (sub sensor) B135 30 0 0 -
Engine coolant temperature sensor B137 22 1.0 - 1.4 1.0 - 1.4 After engine is warmed up.
Starter switch B136 16 0 0 Cranking: 8 - 14
Starter relay B135 26 ON: 0
OFF: 10 - 13
ON: 0
OFF: 12 - 14
-
Ignition switch B136 30 10 - 13 12 - 14 -
Neutral position switch B136 35 ON: 0
OFF: 12±0.5
Switch is ON when select lever is in "P" range or "N" range.
Delivery (test) mode switch B136 34 10 - 13 12 - 14 When fuse is installed: 0
Knock sensor 1 B137 2 2.4 2.4 -
Knock sensor 2 B137 4 2.4 2.4 -
Knock sensor shield B137 8 0 0 -
Back-up power supply B136 2 10 - 13 12 - 14 Ignition switch "OFF": 10 - 13
Control module power supply B137 7 10 - 13 12 - 14 -
B136 1 10 - 13 12 - 14 -
Sensor power supply B134 19 5 5 -
Ignition control #1 B134 21 0 0 or 5 Waveform
#2 B134 22 0 0 or 5 Waveform
#3 B134 31 0 0 or 5 Waveform
#4 B134 32 0 0 or 5 Waveform
#5 B134 25 0 0 or 5 Waveform
#6 B134 26 0 0 or 5 Waveform
Fuel injector #1 B134 10 10 - 13 1 - 14 Waveform
#2 B134 11 10 - 13 1 - 14 Waveform
#3 B134 12 10 - 13 1 - 14 Waveform
#4 B134 13 10 - 13 1 - 14 Waveform
#5 B134 23 10 - 13 1 - 14 Waveform
#6 B134 24 10 - 13 1 - 14 Waveform
Radiator fan control B135 11 ON: 0.5 or less
OFF: 10 - 13
ON: 0.5 or less
OFF: 12 - 14
-
Radiator fan control power supply B135 12 ON: 0.5 or less
OFF: 10 - 13
ON: 0.5 or less
OFF: 12 - 14
-
Self-shutoff control B135 13 0 0 -
Malfunction indicator light B135 33 - - Light "ON": 1 or less
Light "OFF": 10 - 14
Engine speed output B135 15 - 0 - 13 or more Waveform
Purge control solenoid valve B137 6 ON: 1 or less
OFF: 10 - 13
ON: 1 or less
OFF: 12 - 14
-
EGR valve Signal 1 B134 8 0 or 10 - 13 0 or 12 - 14 -
Signal 2 B134 9 0 or 10 - 13 0 or 12 - 14 -
Signal 3 B134 20 0 or 10 - 13 0 or 12 - 14 -
Signal 4 B134 30 0 or 10 - 13 0 or 12 - 14 -
Manifold absolute pressure sensor B137 20 3.5 - 4.8 1.1 - 1.9 -
Air flow sensor Signal B136 22 0.74 0.3 - 4.5 -
Shield B136 10 0 0 -
Ground B136 11 0 0 -
Intake air temperature sensor B136 31 3.15 - 3.33 3.15 - 3.33 Ambient air temperature
Front oxygen (A/F) sensor LH Signal (+) B135 8 2.8 - 3.2 2.8 - 3.2 -
Signal (-) B135 20 2.4 - 2.7 2.4 - 2.7 -
Shield B136 9 0 0 -
Front oxygen (A/F) sensor heater LH Signal 1 B135 2 12 - 14 - Waveform
Signal 2 B135 1 12 - 14 - Waveform
Front oxygen (A/F) sensor RH Signal (+) B136 19 2.8 - 3.2 2.8 - 3.2 -
Signal (-) B136 18 2.4 - 2.7 2.4 - 2.7 -
Shield B136 9 0 0 -
Front oxygen (A/F) sensor heater RH Signal 1 B136 6 12 - 14 - Waveform
Signal 2 B136 5 12 - 14 - Waveform
Rear oxygen sensor LH Signal B135 28 0 0 - 0.9 -
Shield B136 9 0 0 -
Rear oxygen sensor heater LH signal B135 5 12 - 14 - Waveform
Rear oxygen sensor RH Signal B136 20 0 0 - 0.9 -
Shield B136 9 0 0 -
Rear oxygen sensor heater RH signal B135 6 12 - 14 - Waveform
Immobilizer communication B135 25 - - -
Fuel pump control unit Control B136 33 0 or 5 0 or 5 Waveform
Diagnostic signal B135 10 0 or 10 - 13 12 - 14 -
Brake switch 1 (brake switch) B136 15 When brake pedal is depressed: 0
When brake pedal is released: 10 - 13
When brake pedal is depressed: 0
When brake pedal is released: 12 - 14
-
Brake switch 2 (stop light switch) B136 3 When brake pedal is depressed: 10 - 13
When brake pedal is released: 0
When brake pedal is depressed: 12 - 14
When brake pedal is released: 0
-
Cruise control command switch B136 12 When operating nothing: 3.5 - 4.5
When operating RES/ACC: 2.5 - 3.5
When operating vehicle distance setting: 1.5 - 2.5
When operating SET/COAST: 0.5 - 1.5
When operating CANCEL: 0 - 0.5
When operating nothing: 3.5 - 4.5
When operating RES/ACC: 2.5 - 3.5
When operating vehicle distance setting: 1.5 - 2.5
When operating SET/COAST: 0.5 - 1.5
When operating CANCEL: 0 - 0.5
-
Cruise control main switch B136 13 ON: 0
OFF: 5
ON: 0
OFF: 5
-
Intake oil flow control solenoid valve LH Signal (+) B134 17 0 0.6 -
Signal (-) B134 16 0 0 -
Intake oil flow control solenoid valve RH Signal (+) B134 34 0 0.6 -
Signal (-) B134 27 0 0 -
Exhaust oil flow control solenoid valve LH Signal (+) B134 5 0 1.9 -
Signal (-) B134 14 0 0 -
Exhaust oil flow control solenoid valve RH Signal (+) B134 7 0 1.9 -
Signal (-) B134 15 0 0 -
Oil temperature sensor signal B137 21 1.0 - 1.4 1.0 - 1.4 After engine is warmed up.
Oil level switch B136 26 0 0 Oil level Low: 10 - 14
Power steering oil pressure switch B137 28 ON: 1 or less
OFF: 10 - 13
ON: 1 or less
OFF: 12 - 14
-
SSM communication B135 14 1 or less ↔ 4 or more 1 or less ↔ 4 or more -
Clutch switch B135 9 10 - 13 12 - 14 -
Ground Sensor B134 29 0 0 -
B135 30 0 0 -
Engine 1 B134 6 0 0 -
Engine 2 B134 4 0 0 -
Engine 3 B134 3 0 0 -
Engine 4 B137 1 0 0 -
Engine 5 B137 3 0 0 -
Engine 6 B137 5 0 0 -
Body B136 4 0 0 -
CAN communication (Hi) B136 17 Pulse signal -
(Lo) B136 28 Pulse signal -
Fuel tank pressure sensor B136 21 2.3 - 2.7 2.3 - 2.7 Value after detaching and attaching the fuel filler cap
Drain valve B135 4 ON: 1 or less
OFF: 10 - 13
ON: 1 or less
OFF: 12 - 14
-
Fuel temperature sensor B136 23 2.5 - 3.8 2.5 - 3.8 Ambient temperature: 25°C (77°F)

Input/output name: 

Measuring condition: