LEMON Manuals
: Even more car manuals for everyone: 1960-2025
Home
>>
Subaru
>>
2013
>>
Forester X, Automatic Trans
>>
Repair and Diagnosis
>>
Engine Performance
>>
System
>>
Engine Controls (Diagnostics) (H4DO)
>>
Engine Control Module (ECM) I/O Signal
>>
Electrical Specification
>>
Measuring condition
April 5, 2026:
LEMON Manuals is launched!
Read the announcement.
Measuring condition
After warming-up
At idling
Fig 1: Crankshaft Position Sensor And Intake Camshaft Position Sensors Waveform (At Idling)
Courtesy of SUBARU OF AMERICA, INC.
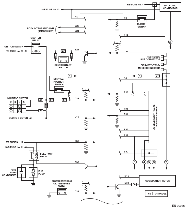
Fig 2: ECM - Circuit Diagram (1 Of 4)
Courtesy of SUBARU OF AMERICA, INC.
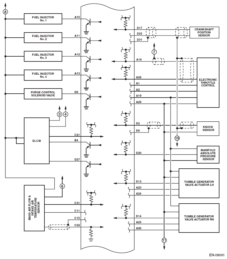
Fig 3: ECM - Circuit Diagram (2 Of 4)
Courtesy of SUBARU OF AMERICA, INC.
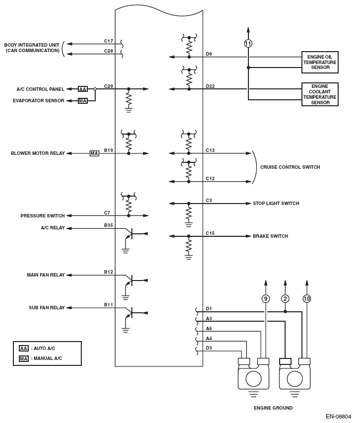
Fig 4: ECM - Circuit Diagram (3 Of 4)
Courtesy of SUBARU OF AMERICA, INC.
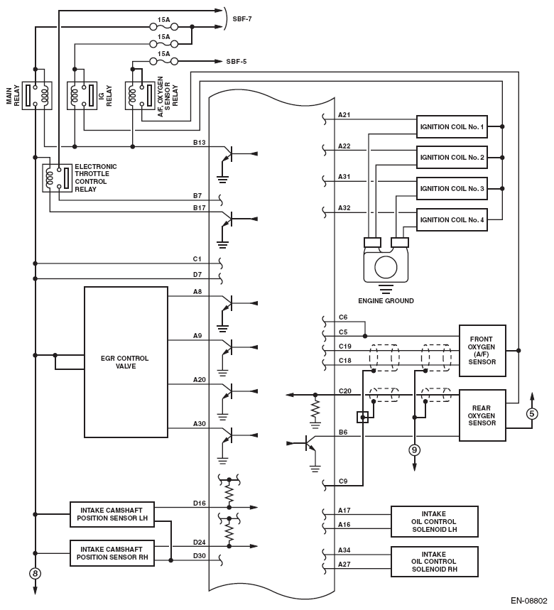
Fig 5: ECM - Circuit Diagram (4 Of 4)
Courtesy of SUBARU OF AMERICA, INC.