LEMON Manuals: Even more car manuals for everyone: 1960-2025
Home >> Subaru >> 2013 >> Forester XT Premium >> Repair and Diagnosis >> Engine Performance >> System >> Engine Controls (Diagnostics) (H4DOTC) >> Diagnostic Procedure with Diagnostic Trouble Code (DTC) >> DTC P0606 Control Module Processor >> Wiring Diagram
April 5, 2026: LEMON Manuals is launched! Read the announcement.

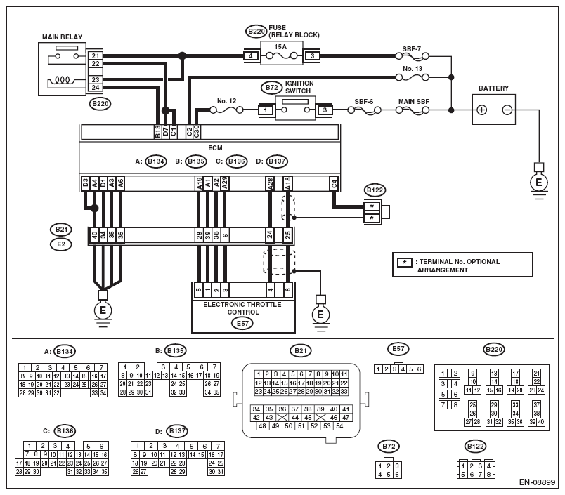
DTC P0606 Control Module Processor: Wiring Diagram

Engine electrical system, turbo model < Refer to appropriate SYSTEM WIRING DIAGRAM. >

Fig 1: Control Module - Wiring Diagram
G08563734Courtesy of SUBARU OF AMERICA, INC.