LEMON Manuals: Even more car manuals for everyone: 1960-2025
Home >> Subaru >> 2013 >> Outback Base, Standard Trans >> Repair and Diagnosis >> External Pages >> Different car >> Section 30 (Lighting System) >> Turn Signal Light and Hazard Light System >> Inspection >> Turn Signal And Hazard Module
April 5, 2026: LEMON Manuals is launched! Read the announcement.

Turn Signal And Hazard Module

WARNING: This page is about a different car, the 2013 Subaru Forester. However, it is still accessible from the selected car via links, so may be relevant.
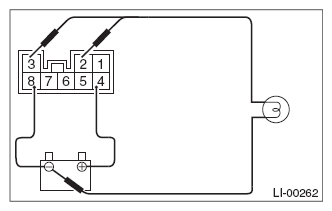
  1. Connect the battery and turn signal light bulb to the module. The module is properly functioning if it blinks when power is supplied to the circuit.
    Fig 1: Checking Turn Signal And Hazard Module Operation
    G08543011Courtesy of SUBARU OF AMERICA, INC.
  2. Replace the turn signal & hazard module if it is found defective.