LEMON Manuals: Even more car manuals for everyone: 1960-2025
Home >> Subaru >> 2013 >> Outback F6-3.6L DOHC >> Repair and Diagnosis >> Diagrams >> Exploded Views >> Engine >> Cylinder Block Assembly >> System Diagram
April 5, 2026: LEMON Manuals is launched! Read the announcement.

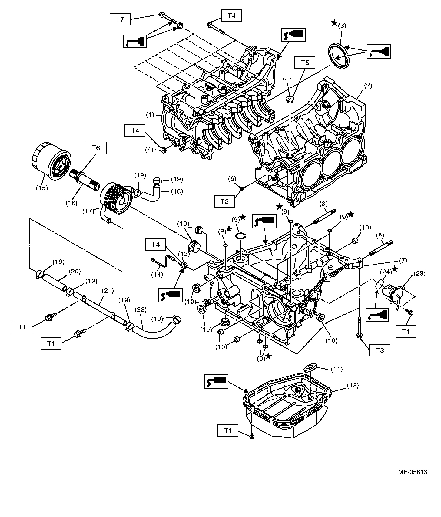
System Diagram

COMPONENT

CYLINDER BLOCK