LEMON Manuals: Even more car manuals for everyone: 1960-2025
Home >> Subaru >> 2014 >> BRZ Limited, Automatic Trans >> Repair and Diagnosis >> Engine Mechanical >> Starter >> Entry Start System Start System (Keyless Start) >> Entry & Start System (Start Function) >> Circuit Figure
April 5, 2026: LEMON Manuals is launched! Read the announcement.

Circuit Figure

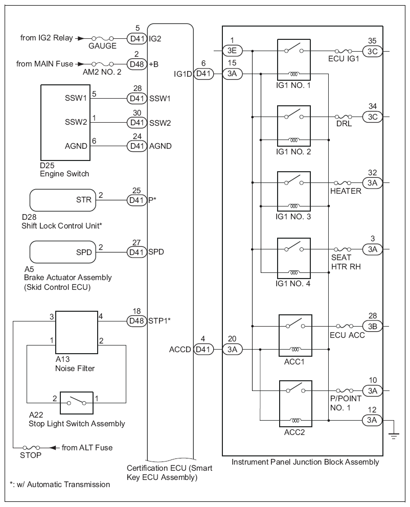
Fig 1: Entry & Start System - Circuit Diagram (1 Of 5)
G08553089Courtesy of SUBARU OF AMERICA, INC.
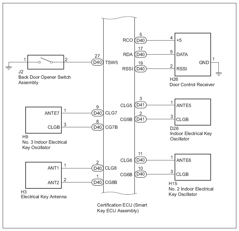
Fig 2: Entry & Start System - Circuit Diagram (2 Of 5)
G08553090Courtesy of SUBARU OF AMERICA, INC.
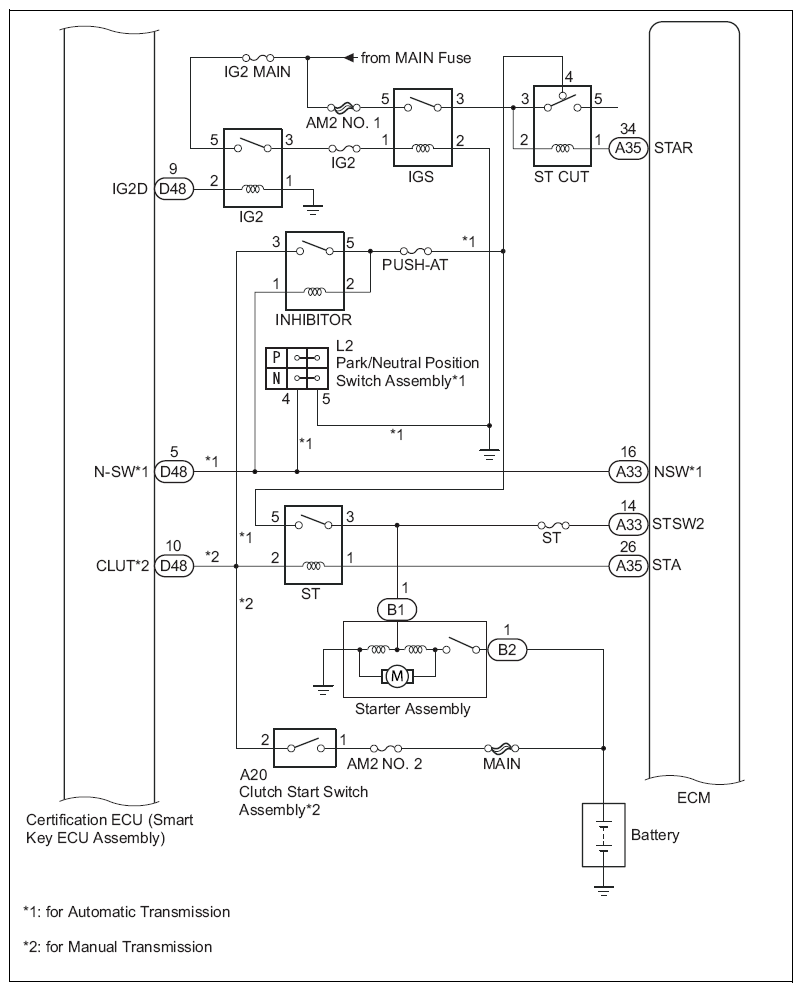
Fig 3: Entry & Start System - Circuit Diagram (3 Of 5)
G08553091Courtesy of SUBARU OF AMERICA, INC.
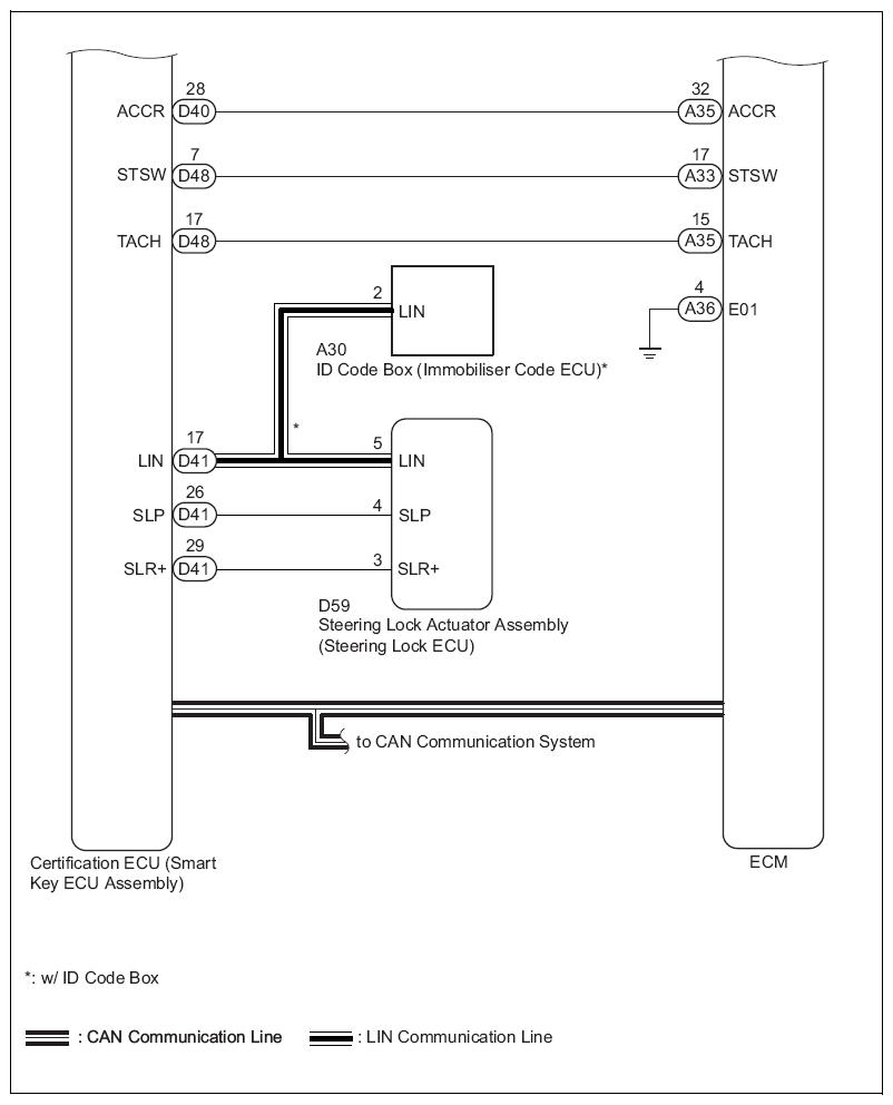
Fig 4: Entry & Start System - Circuit Diagram (4 Of 5)
G08553092Courtesy of SUBARU OF AMERICA, INC.
Fig 5: Entry & Start System - Circuit Diagram (5 Of 5)
G08553093Courtesy of SUBARU OF AMERICA, INC.
Parts Procedures
Engine switch
  • Turns on the power and starts the engine.
  • Includes a built-in transponder key amplifier so that you can start the engine in cases when, due to the battery being drained or radio wave interference, the key doesn't operate properly.
Collation ECM (smart key ECM ASSY)
  • Performs key verification.
  • Controls the electrical key antenna (vehicle exterior), the electrical key antenna (vehicle interior), and the door lock / unlock sensor.
  • Receives the trunk open signal from the trunk opening switch ASSY, and outputs a signal to the main body ECM through the CAN communication system.
  • Outputs the entry door lock / unlock command.
  • Outputs the lock / unlock command signal to the steering lock actuator ASSY.
  • Outputs the immobilizer set / unset command.
  • Controls the security indicator light.
  • Controls the entry key indicator light of the combination meter ASSY.
  • Drives the ACC and IG relay, and switches the power source mode.
  • Forms the entry detection area.
ID code box (immobilizer code ECM) (1)
  • Receives commands from the collation ECM (smart key ECM ASSY), and outputs the immobilizer set / unset commands to the ECM.
  • Records the confirmation code.
ECM When starting the engine, outputs the signal notifying that the engine started the collation ECM (smart key ECM ASSY).
  • Drives the starter relay, and starts the engine.
Steering lock actuator ASSY (steering lock ECM)
  • Receives command signals from the collation ECM (smart key ECM ASSY) and activates the steering lock actuator ASSY.
  • Records the confirmation code.
Combination meter ASSY
  • Based on the command signals sent from the collation ECM (smart key ECM ASSY), operates various warnings (sounding buzzers on the combination meter).
  • Informs the customer if any problem is found in the entry & start system.
Brake actuator ASSY (skid control ECM) Outputs the vehicle speed signal to the collation ECM (smart key ECM ASSY).
IG, ACC relay Following the control of the collation ECM (smart key ECM ASSY), switches between On / Off, and supplies power to each system.
Stop light switch ASSY (2) Detects if the brake pedal is being stepped on (switch on), and outputs a signal to the collation ECM (smart key ECM ASSY).
Clutch starter switch ASSY (3) Detects if the clutch pedal is being stepped on (switch on), and outputs a signal to the collation ECM (smart key ECM ASSY).
Neutral start switch ASSY (2) Outputs the shift position to the collation ECM (smart key ECM ASSY).
Transmission control ECM (2) Outputs the transmission control ECM signal to the collation ECM (smart key ECM ASSY).
No. 1 vehicle interior electrical key antenna ASSY (front floor) No. 2 vehicle interior electrical key antenna ASSY (rear floor) Receive request signals from the collation ECM (smart key ECM ASSY), and form the vehicle interior detection area.
Door control receiver Receives the entry & start system code / wireless code sent from the key, and sends that to the collation ECM (smart key ECM ASSY).
Electrical key transmitter Sends the ID code when it receives a request signal.
(1) The ID code box is included.
(2) With automatic transmission
(3) for manual transmission