LEMON Manuals: Even more car manuals for everyone: 1960-2025
Home >> Subaru >> 2014 >> BRZ Limited, Automatic Trans >> Repair and Diagnosis >> Engine Performance >> System >> Engine Control System (Diagnostics) - System & Circuit Checks >> Starter System (Models With Smart Entry & Start System) >> Circuit figure
April 5, 2026: LEMON Manuals is launched! Read the announcement.

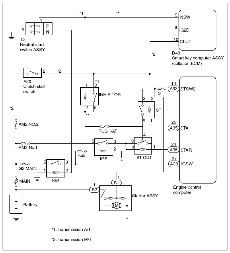
Circuit figure

Fig 1: Starter System - Circuit Diagram
G08553888Courtesy of SUBARU OF AMERICA, INC.