LEMON Manuals: Even more car manuals for everyone: 1960-2025
Home >> Subaru >> 2014 >> Outback 2.5i Limited >> Repair and Diagnosis >> Engine Performance >> Engine Control Systems >> Fuel Injection System (H4DO) >> General Description >> Components With Torque Specifications >> Intake Manifold 1
April 5, 2026: LEMON Manuals is launched! Read the announcement.

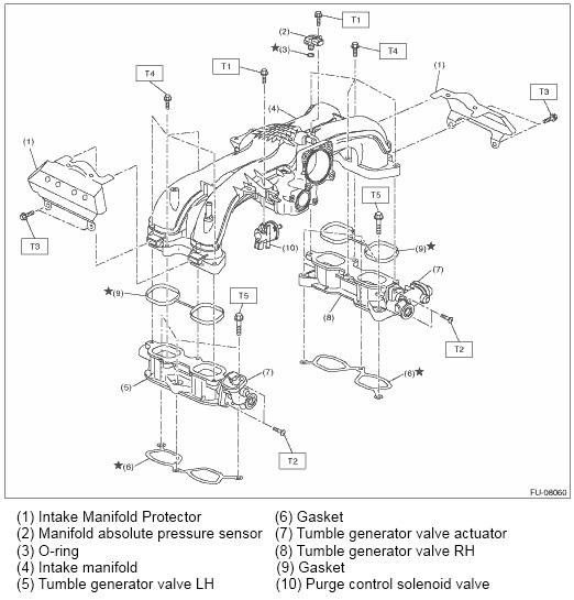
Intake Manifold 1

Fig 1: Intake Manifold 1 Replacement Components With Torque Specifications
G00529898Courtesy of SUBARU OF AMERICA, INC.

Tightening torque: N.m (kgf-m, ft-lb) 

T1: 2 (0.2, 1.5) 

T2: 6 (0.6, 4.4) 

T3: 6.4 (0.7, 4.7) 

T4: 8.3 (0.8, 6.1) 

T5: 25 (2.5, 18.4)