LEMON Manuals: Even more car manuals for everyone: 1960-2025
Home >> Subaru >> 2014 >> Tribeca >> Repair and Diagnosis >> Brakes >> Traction Control >> Vehicle Dynamics Control System (Diagnostics) >> Control Module I/O Signal >> Wiring Diagram
April 5, 2026: LEMON Manuals is launched! Read the announcement.

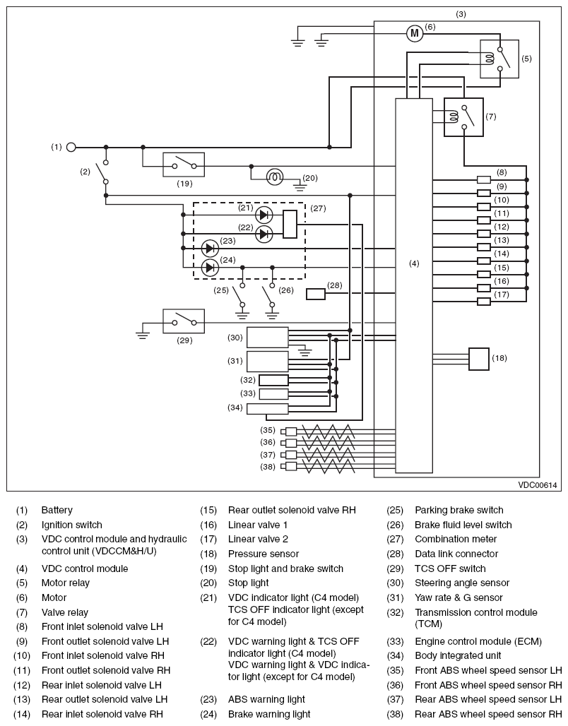
Control Module I/O Signal: Wiring Diagram

Fig 1: Control Module I/O Connector - Wiring Diagram
G08545739Courtesy of SUBARU OF AMERICA, INC.