LEMON Manuals: Even more car manuals for everyone: 1960-2025
Home >> Subaru >> 2015 >> BRZ Limited, Automatic Trans >> Repair and Diagnosis >> Body & Frame >> Door Locks >> Power Door Lock Control System >> Power Door Lock Control System >> System Diagram >> Notes
April 5, 2026: LEMON Manuals is launched! Read the announcement.

System Diagram: Notes

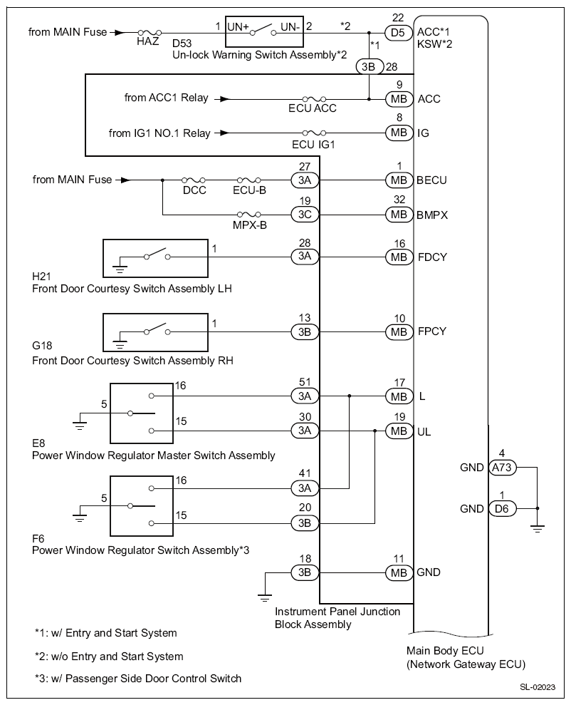
Fig 1: Power Door Lock Control System Diagram (1 Of 2)
G08557407Courtesy of SUBARU OF AMERICA, INC.
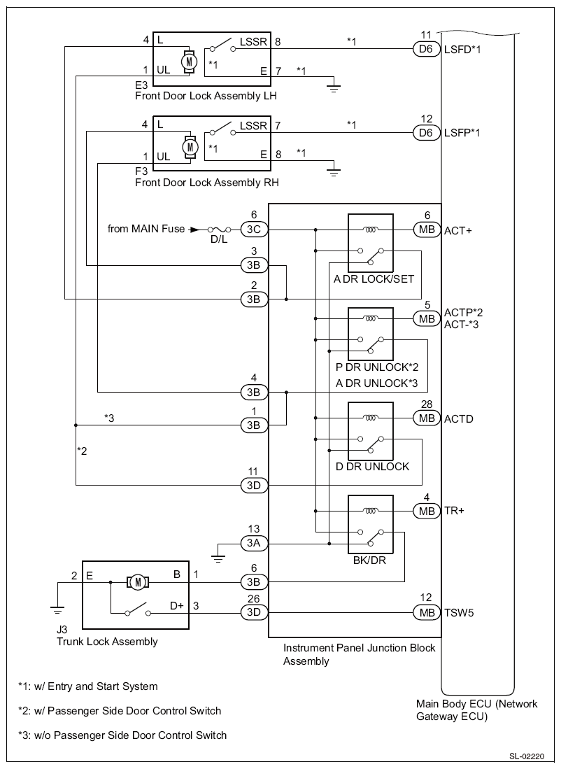
Fig 2: Power Door Lock Control System Diagram (2 Of 2)
G08557408Courtesy of SUBARU OF AMERICA, INC.