LEMON Manuals: Even more car manuals for everyone: 1960-2025
Home >> Subaru >> 2015 >> BRZ Limited, Automatic Trans >> Repair and Diagnosis >> Electrical >> Starter >> Entry Start System Start System (Keyless Start) >> Entry & Start System (Start Function) >> Circuit Figure
April 5, 2026: LEMON Manuals is launched! Read the announcement.

Circuit Figure

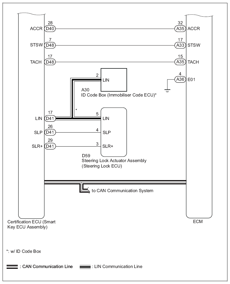
Fig 1: Entry & Start System (Start Function) Circuit Diagram (1 Of 5)
G10216297Courtesy of SUBARU OF AMERICA, INC.
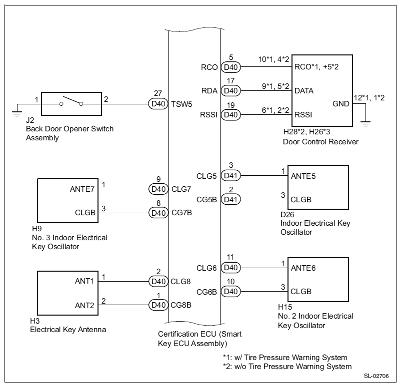
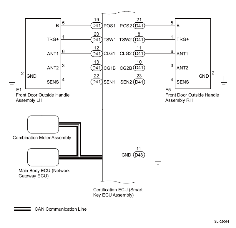
Fig 2: Entry & Start System (Start Function) Circuit Diagram (2 Of 5)
G10216298Courtesy of SUBARU OF AMERICA, INC.
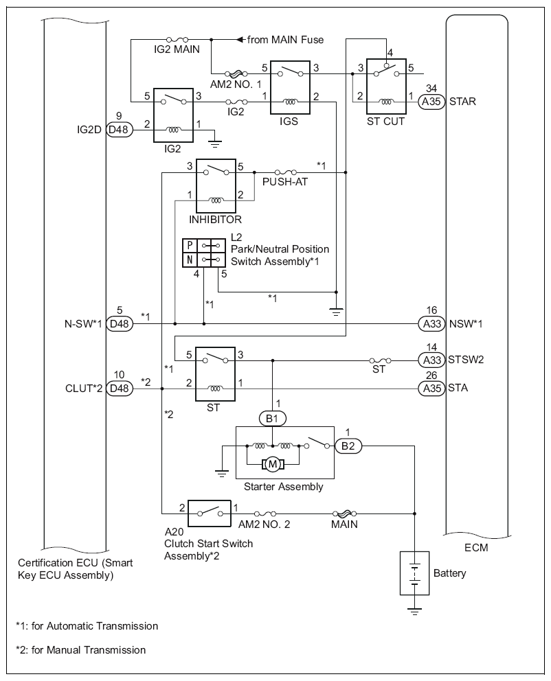
Fig 3: Entry & Start System (Start Function) Circuit Diagram (3 Of 5)
G08553091Courtesy of SUBARU OF AMERICA, INC.
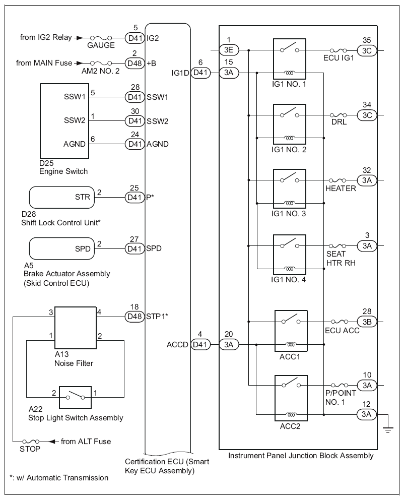
Fig 4: Entry & Start System (Start Function) Circuit Diagram (4 Of 5)
G10216300Courtesy of SUBARU OF AMERICA, INC.
Fig 5: Entry & Start System (Start Function) Circuit Diagram (5 Of 5)
G10216301Courtesy of SUBARU OF AMERICA, INC.
Parts Procedures
Engine switch
  • Turns on the power and starts the engine.
  • Includes a built-in transponder key amplifier so that you can start the engine in cases when, due to the battery being drained or radio wave interference, the key doesn't operate properly.
Collation ECM (smart key ECM assembly)
  • Performs key verification.
  • Controls the electrical key antenna (vehicle exterior), the electrical key antenna (vehicle interior), and the door lock/unlock sensor.
  • Receives the trunk open signal from the trunk opening switch assembly, and outputs a signal to the main body ECM through the CAN communication system.
  • Outputs the entry door lock/unlock command.
  • Outputs the lock/unlock command signal to the steering lock actuator assembly.
  • Outputs the immobilizer set/unset command.
  • Controls the security indicator light.
  • Controls the entry key indicator light of the combination meter assembly.
  • Drives the ACC and IG relay, and switches the power source mode.
  • Forms the entry detection area.
ID code box (immobilizer code ECM) (1)
  • Receives commands from the collation ECM (smart key ECM assembly), and outputs the immobilizer set/unset commands to the ECM.
  • Records the confirmation code.
ECM When starting the engine, outputs the signal notifying that the engine started the collation ECM (smart key ECM assembly).
  • Drives the starter relay, and starts the engine.
Steering lock actuator assembly (steering lock ECM)
  • Receives command signals from the collation ECM (smart key ECM assembly) and activates the steering lock actuator assembly.
  • Records the confirmation code.
Combination meter assembly
  • Based on the command signals sent from the collation ECM (smart key ECM assembly), operates various warnings (sounding buzzers on the combination meter).
  • Informs the customer if any problem is found in the entry & start system.
Brake actuator assembly (skid control ECM) Outputs the vehicle speed signal to the collation ECM (smart key ECM assembly).
IG, ACC relay Following the control of the collation ECM (smart key ECM assembly), switches between On/Off, and supplies power to each system.
Stop light switch assembly (2) Detects if the brake pedal is being depressed (switch on), and outputs a signal to the collation ECM (smart key ECM assembly).
Clutch starter switch assembly (3) Detects if the clutch pedal is being depressed (switch on), and outputs a signal to the collation ECM (smart key ECM assembly).
Neutral start switch assembly (2) Outputs the shift position to the collation ECM (smart key ECM assembly).
Transmission control ECM (2) Outputs the transmission control ECM signal to the collation ECM (smart key ECM assembly).
No. 1 vehicle interior electrical key antenna assembly (front floor) No. 2 vehicle interior electrical key antenna assembly (rear floor) Receive request signals from the collation ECM (smart key ECM assembly), and form the vehicle interior detection area.
Door control receiver Receives the entry & start system code/wireless code sent from the key, and sends that to the collation ECM (smart key ECM assembly).
Electrical key transmitter Sends the ID code when it receives a request signal.
(1) With ID code box
(2) With automatic transmission
(3) for manual transmission