LEMON Manuals: Even more car manuals for everyone: 1960-2025
Home >> Subaru >> 2015 >> BRZ Limited, Automatic Trans >> Repair and Diagnosis >> Engine Mechanical >> Starter >> Entry Start System Entry System (Keyless Entry) >> Entry & Start System (Entry Function) >> Smart Trunk Open Operation Does Not Work (When The Transmitter Is Located Outside Trunk) >> Circuit figure
April 5, 2026: LEMON Manuals is launched! Read the announcement.

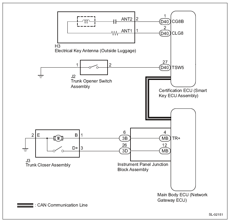
Circuit figure

Fig 1: Electrical Key Antenna (Trunk Exterior Antenna) Circuit Diagram
G08553078Courtesy of SUBARU OF AMERICA, INC.