LEMON Manuals: Even more car manuals for everyone: 1960-2025
Home >> Subaru >> 2015 >> Forester 2.0XT Premium >> Repair and Diagnosis >> Transmission >> Transmission Control Systems >> AT Shift Lock Control System >> Inspection >> Select Lever Cannot Be Locked Or Released
April 5, 2026: LEMON Manuals is launched! Read the announcement.

Select Lever Cannot Be Locked Or Released

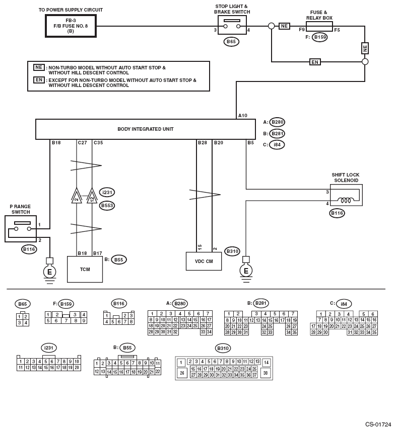
Fig 1: AT Shift Lock Control System - Circuit Diagram (Select Lever Cannot Be Locked Or Released)
G09481148Courtesy of SUBARU OF AMERICA, INC.
Step Check Yes No
1 CHECK BODY INTEGRATED UNIT POWER SUPPLY AND GROUND CIRCUIT. 
< Ref. to BODY INTEGRATED UNIT POWER SUPPLY AND GROUND CIRCUIT , INSPECTION, AT Shift Lock Control System. >
Is there any fault? Follow the procedures to perform inspection and repair. Go to step 2. 
2 CHECK CURRENT DATA. 
  1. Connect the Subaru Select Monitor.
  2. Shift the select lever to "P" range.
  3. Turn the ignition switch to ON.
  4. Select the current data display and display «P SW». < Ref. to READ CURRENT DATA . >
Is the display "ON" in the P range and "OFF" in ranges other than P? Go to step 3.  Go to step .
3 CHECK CURRENT DATA. 
Select the current data display and display «Stop Light Switch». < Ref. to READ CURRENT DATA . >
Is "ON" displayed when the brake pedal is depressed and "OFF" displayed when the brake pedal is released? Go to step 4.  Go to step 11  .
4 CHECK BODY INTEGRATED UNIT DTC. 
Check the DTC of the body integrated unit when the brake pedal is pressed and when it is released.
(Hold each condition for 5 seconds or more.)
Is there a DTC of a current malfunction? Follow the DTC to perform inspection and repair. Go to step 5. 
5 CHECK CURRENT DATA. 
Select the current data display and display «Shift Lock Solenoid». < Ref. to READ CURRENT DATA . >
Is "ON" displayed when the brake pedal is depressed and "OFF" displayed when the brake pedal is released? Go to step 6.  Replace the body integrated unit.
6 CHECK CURRENT DATA. 
Select the current data display and display «Shift Position». < Ref. to READ CURRENT DATA . >
Is the display "P" in the P range and other than "P" in ranges other than P? Go to step 7.  Check the following items.
  • Inhibitor switch
  • Harness between inhibitor switch and TCM
  • TCM input signal
  • TCM CAN communication
  • Body integrated unit CAN receive
7 CHECK CURRENT DATA. 
  1. Select the current data display and display

    «Front Wheel Speed». < Ref. to READ CURRENT DATA . >

  2. Start the engine.
  3. Raise vehicle speed gradually up to approximately 20 km/h (12 MPH).
Is a figure equivalent to the speedometer being indicated? Go to step 12.  Check the following items.
  • Wheel speed sensor
  • CAN communication by VDC unit
  • Body integrated unit CAN receive Replace the wheel speed sensor, VDC unit or body integrated unit, or both.
8 CHECK HARNESS BETWEEN BODY INTEGRATED UNIT AND "P" RANGE SWITCH. 
  1. Disconnect the connector from body integrated unit.
  2. Disconnect the connector of "P" range switch.
  3. Check for open circuit of harness, short circuit to battery or short circuit to ground between the body integrated unit and "P" range switch.

    Connector & terminal 

    (B281) No. 18 - (B116) No. 1: 

Is there any fault in the harness? Repair or replace the harness between the body integrated unit and the "P" range switch. Go to step 9. 
9 CHECK HARNESS BETWEEN "P" RANGE SWITCH AND CHASSIS GROUND. 
Measure the resistance of harness between "P" range switch and chassis ground.
Connector & terminal 
(B116) No. 2 - Chassis ground: 
Is it less than 10 Ω? Go to step 10.  Repair the harness between the "P" range switch and chassis ground.
10 CHECK "P" RANGE SWITCH. 
Measure the resistance between "P" range switch connector terminals.
Terminals 
No. 2 - No. 1: 
Is it less than 10 Ω in the "P" range, and 1 MΩ or more in ranges other than "P"? Replace the body integrated unit. Replace the "P" range switch.
11 CHECK STOP LIGHT SWITCH INPUT SIGNAL. 
  1. Disconnect the connector from body integrated unit.
  2. Measure the voltage between the body integrated unit connector terminal and chassis ground.

    Connector & terminal 

    (B280) No. 10 (+) - Chassis ground (-): 

Is the voltage 9 V to 16 V when the brake pedal is depressed, and approx. 0 V when not depressed? Replace the body integrated unit. Check the stop light system.
12 CHECK SOLENOID UNIT OPERATION. 
Connect the battery to the solenoid unit connector terminal, and operate the solenoid unit.
Terminals 
No. 3 (+) - No. 4 (-): 
Does the solenoid unit operate normally? Check the lock mechanism of the select lever body. Replace the solenoid unit.