LEMON Manuals: Even more car manuals for everyone: 1960-2025
Home >> Subaru >> 2015 >> Forester 2.0XT Touring >> Repair and Diagnosis >> Engine Performance >> System >> Engine Control System (Diagnostics) (H4DOTC) >> Diagnostic Procedure with Diagnostic Trouble Code (DTC) >> DTC P0606: Control Module Processor >> Wiring Diagram
April 5, 2026: LEMON Manuals is launched! Read the announcement.

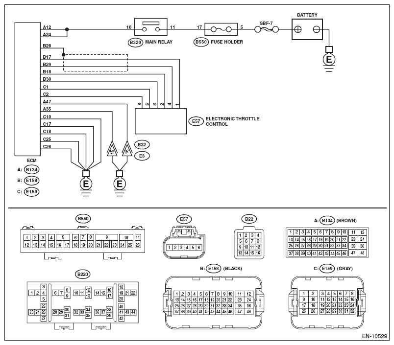
DTC P0606: Control Module Processor: Wiring Diagram

DTC PROCEDURE

Step Check Yes No
1 CHECK INPUT VOLTAGE OF ECM. 
  1. Turn the ignition switch to ON.
  2. Measure the voltage between ECM and engine ground.

    Connector & terminal 

    (B134) No. 12 (+) - Engine ground (-): 

    (B134) No. 24 (+) - Engine ground (-): 

Is the voltage 10 - 13 V? Go to step . Repair the open or ground short circuit of power supply circuit.
2 CHECK INPUT VOLTAGE OF ECM. 
  1. Start the engine.
  2. Measure the voltage between ECM and engine ground.

    Connector & terminal 

    (B134) No. 12 (+) - Engine ground (-): 

    (B134) No. 24 (+) - Engine ground (-): 

Is the voltage 13 - 15 V? Go to step . Repair the open or ground short circuit of power supply circuit.
3 CHECK HARNESS BETWEEN ECM AND ELECTRONIC THROTTLE CONTROL CONNECTOR. 
  1. Turn the ignition switch to OFF.
  2. Disconnect the connectors from ECM and electronic throttle control.
  3. Measure the resistance of harness between ECM and electronic throttle control connector.

    Connector & terminal 

    (E158) No. 18 - (E57) No. 2: 

    (E158) No. 30 - (E57) No. 3: 

Is the resistance less than 1 Ω? Go to step . Repair the open circuit of harness between ECM and electronic throttle control connector.
4 CHECK ECM GROUND HARNESS. 
  1. Connect all connectors.
  2. Turn the ignition to ON.
  3. Measure the voltage between ECM and engine ground.

    Connector & terminal 

    (B134) No. 35 - Engine ground: 

    (B134) No. 47 - Engine ground: 

    (E159) No. 10 - Engine ground: 

    (E159) No. 17 - Engine ground: 

    (E159) No. 18 - Engine ground: 

    (E159) No. 25 - Engine ground: 

    (E159) No. 26 - Engine ground: 

Is the voltage less than 1 V? Repair the poor contact of ECM connector. Repair the harness and connector.
NOTE: In this case, repair the following item:
  • Open circuit in ground circuit
  • Loose engine ground terminal
  • Poor contact of coupling connector