LEMON Manuals: Even more car manuals for everyone: 1960-2025
Home >> Subaru >> 2015 >> WRX Base >> Repair and Diagnosis >> Brakes >> Traction Control >> Vehicle Dynamics Control (VDC) System (Diagnostics) >> Control Module I/O Signal >> Wiring Diagram
April 5, 2026: LEMON Manuals is launched! Read the announcement.

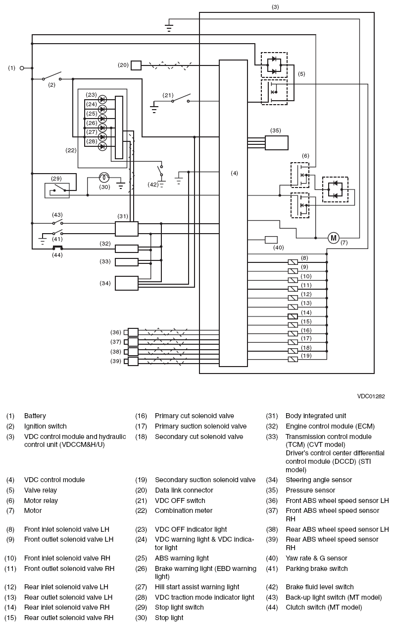
Control Module I/O Signal: Wiring Diagram

Fig 1: VDC - Wiring Diagram
G10269915Courtesy of SUBARU OF AMERICA, INC.