LEMON Manuals: Even more car manuals for everyone: 1960-2025
Home >> Subaru >> 2016 >> Crosstrek Base >> Repair and Diagnosis >> Transmission >> Transmission Control Systems >> AT Shift Lock Control System >> Wiring Diagram >> Model With Push Button Ignition Switch
April 5, 2026: LEMON Manuals is launched! Read the announcement.

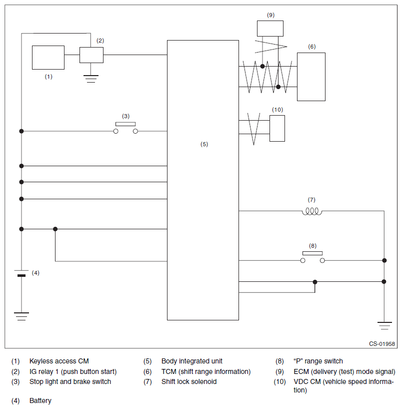
Model With Push Button Ignition Switch

Fig 1: Ignition Switch - Circuit Diagram (Model With Push Button Ignition Switch)
G10319260Courtesy of SUBARU OF AMERICA, INC.