LEMON Manuals: Even more car manuals for everyone: 1960-2025
Home >> Subaru >> 2016 >> Forester 2.0XT Touring >> Repair and Diagnosis >> Body & Frame >> Windows >> Glass/Window/Mirrors >> Power Window Control Switch >> Inspection
April 5, 2026: LEMON Manuals is launched! Read the announcement.

Power Window Control Switch: Inspection

  1. MAIN SWITCH
    • DRIVER'S SEAT 
      CAUTION: Since the switch - power window main is controlled by CPU, do not check continuity for switch alone with the circuit tester. Performing continuity check with circuit tester can damage the switch - power window main circuit.

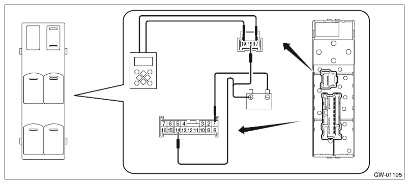
      Check output from the switch - power window main to the driver's side motor using the oscilloscope function in the Subaru Select Monitor.

      1. Remove the switch - power window main.
      2. Connect the battery and the Subaru Select Monitor to the switch - power window main terminal.
        CAUTION: Never mix up the terminals when connecting the harness connector of the switch - power window main and the battery. If the connection is wrong, the switch - power window main may be damaged.
        NOTE:
        • When the battery is connected to the switch - power window main terminal, the letters "AUTO" on the driver's side knob illuminates.
        • For detailed procedures, refer to "Subaru Select Monitor Operation Manual".
        Fig 1: Connecting Battery And Subaru Select Monitor To Switch
        G09484439Courtesy of SUBARU OF AMERICA, INC.
      3. Operate the switch - power window main and check the output.
        NOTE: Since output time during window UP operation is extremely short, it cannot be checked without using a measuring instrument such as oscilloscope. Output is constantly produced while the switch is operated for window DOWN operation.
        Inspection conditions Output time Standard
        AUTO UP Approx. 130 ms Battery voltage
        UP
        [OFF] - 0 V
        DOWN During switch operation Battery voltage
        AUTO DOWN Approx. 300 ms
      4. If the inspection result is not within the standard, replace the switch - power window main.
    • EXCEPT FOR DRIVER'S SEAT 
      1. Check the resistance between terminals of the switch - power window main.
        Fig 2: Identifying Power Window Main Switch Terminals
        G09484440Courtesy of SUBARU OF AMERICA, INC.
          Terminal No. Inspection conditions Standard
        Passenger's seat 14 - 8
        1 - 2
        UP Less than 1 Ω
        14 - 2
        14 - 8
        [OFF] 1 MΩ or more
        1 - 8
        1 - 2
        8 - 2
        Less than 1 Ω
        14 - 2
        1 - 8
        DOWN Less than 1 Ω
        Rear LH 14 - 15
        1 - 16
        UP Less than 1 Ω
        14 - 15
        14 - 16
        [OFF] 1 MΩ or more
        1 - 15
        1 - 16
        15 - 16
        Less than 1 Ω
        14 - 16
        1 - 15
        DOWN Less than 1 Ω
        Rear RH 14 - 7
        1 - 6
        UP Less than 1 Ω
        14 - 7
        14 - 6
        [OFF] 1 MΩ or more
        1 - 6
        1 - 7
        6 - 7
        Less than 1 Ω
        14 - 6
        1 - 7
        DOWN Less than 1 Ω
      2. If the inspection result is not within the standard, replace the switch - power window main.
    • SUB-SWITCH 
      1. Remove the switch - power window sub.
      2. Check the resistance between terminals of the switch - power window sub.
      Fig 3: Identifying Power Window Sub Switch Terminals
      G09484441Courtesy of SUBARU OF AMERICA, INC.
        Terminal No. Inspection conditions Standard
      Passenger seat, rear 6 - 5
      8 - 7
      UP Less than 1 Ω
      7 - 6
      4 - 6
      [OFF] 1 MΩ or more
      5 - 4
      8 - 7
      Less than 1 Ω
      6 - 8
      5 - 4
      DOWN Less than 1 Ω
    • If the inspection result is not within the standard, replace the switch - power window sub.