LEMON Manuals: Even more car manuals for everyone: 1960-2025
Home >> Subaru >> 2016 >> WRX Base >> Repair and Diagnosis >> External Pages >> Different car >> Section 16 (Engine Starting System & Charging System) >> General Description >> Components With Torque Specifications >> Generator
April 5, 2026: LEMON Manuals is launched! Read the announcement.

Components With Torque Specifications: Generator

WARNING: This page is about a different car, the 2022 Subaru WRX. However, it is still accessible from the selected car via links, so may be relevant.
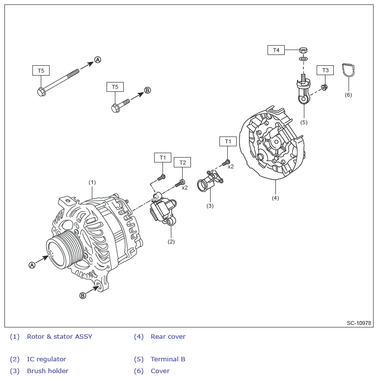
Fig 1: Generator Components (With Torque Specifications)
G14601591Courtesy of SUBARU OF AMERICA, INC.

Tightening torque: N.m (kgf-m, ft-lb) 

T1: 2 (0.2, 1.5) 

T2: 3.9 (0.4, 2.9) 

T3: 8.9 (0.9, 6.6) 

T4: 15.5 (1.6, 11.4) 

T5:  Ref. to STARTING/CHARGING SYSTEMS (H4DOTC)>GENERATOR>INSTALLATION .