LEMON Manuals: Even more car manuals for everyone: 1960-2025
Home >> Subaru >> 2016 >> WRX Base >> Repair and Diagnosis >> External Pages >> Different variant/trim >> Section 10 (Continuously Variable Transaxle (CVT)) >> General Description >> Components With Torque Specifications >> Front Differential Gear
April 5, 2026: LEMON Manuals is launched! Read the announcement.

Front Differential Gear

WARNING: This page is about a different variant/trim than selected.
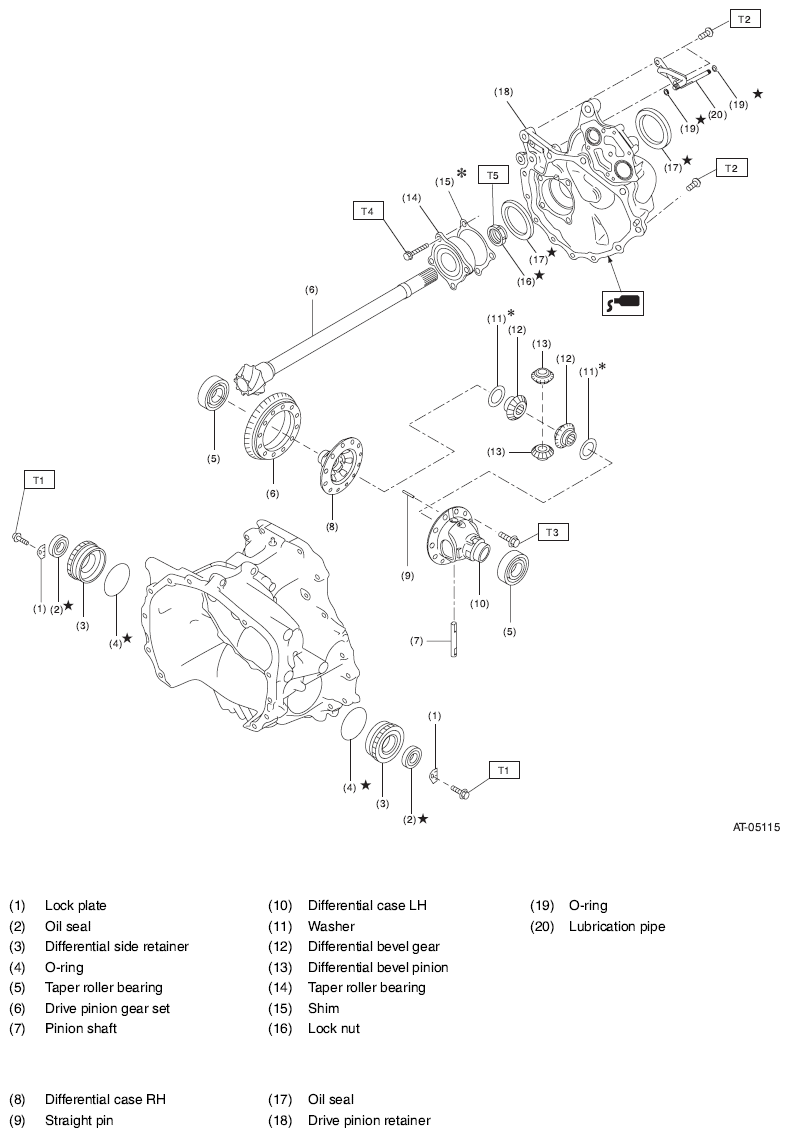
Fig 1: Exploded View Of Front Differential Gear
G10293051Courtesy of SUBARU OF AMERICA, INC.

Tightening torque: N.m (kgf-m, ft-lb) 

T1: 25(2.5, 18.4) 

T2: 43(4.4, 31.7) 

T3: < Ref. to  DIFFERENTIAL CASE ASSEMBLY  , ASSEMBLY, Front Differential Assembly. > 

T4: 70(7.1, 51.6) 

T5: 130(13.3, 95.9)