LEMON Manuals: Even more car manuals for everyone: 1960-2025
Home >> Subaru >> 2017 >> Crosstrek Base >> Repair and Diagnosis (Single Page) >> Engine Performance >> System >> Engine Control System (Diagnostics - Introduction) (H4DO) >> Diagnostics for Engine Starting Failure >> Starter Motor Circuit >> Model With Push Button Start
April 5, 2026: LEMON Manuals is launched! Read the announcement.

Model With Push Button Start

CAUTION: After servicing or replacing faulty parts, perform Clear Memory Mode Ref. to CLEAR MEMORY MODE ., and Inspection Mode Ref. to INSPECTION MODE .

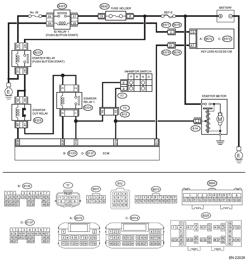
Wiring diagram: 

Engine electrical system Ref. to Engine Electrical System .

Fig 1: Starter Motor Circuit (Model With Push Button Start) - Wiring Diagram
G11590072Courtesy of SUBARU OF AMERICA, INC.
Step Check Yes No
1 CHECK DTC.  Are any DTCs displayed? Ref. to OPERATION , Read Diagnostic Trouble Code (DTC). Check the appropriate DTC using the "List of Diagnostic Trouble Code (DTC)". Ref. to LIST OF DIAGNOSTIC TROUBLE CODE (DTC) . Go to step .
2 CHECK NEUTRAL POSITION SWITCH SIGNAL. 
  1. Read the value of «Neutral Position Switch» using the Subaru Select Monitor.
    NOTE: For detailed operation procedures, refer to "Current Data Display For Engine". Ref. to SUBARU SELECT MONITOR .
  2. Turn the ignition to ON.
  3. Place the select lever in "P" range or "N" range.
Is «Neutral» displayed? Go to step . Go to step .
3 CHECK BATTERY. 
Check the battery. Ref. to Battery .
Is the check result OK? Go to step . Charge or replace the battery. Ref. to Battery .
4 CHECK OPERATION OF STARTER MOTOR.  Does the starter motor operate? Check ignition control system. Ref. to IGNITION CONTROL SYSTEM , Diagnostics for Engine Starting Failure. Go to step .
5 CHECK PUSH BUTTON IGNITION SWITCH. 
Press the push button ignition switch twice with the ignition OFF (ACC OFF).
NOTE: Release the brake pedal.
Does the ignition turn to ON? Go to step . Check the push button start system. Ref. to POWER SUPPLY SWITCHING SYSTEM , INSPECTION, General Diagnostic Table.
6 CHECK PUSH BUTTON IGNITION SWITCH. 
  1. Depress the brake pedal.
    NOTE: Shift the select lever to "P" range.
  2. Check the push button ignition switch indicator.
Does the indicator turn to green? Go to step . Check the push button start system. Ref. to ENGINE DOES NOT START , INSPECTION, Diagnostics with Phenomenon.
7 CHECK START SWITCH SIGNAL. 
  1. Read the waveform of «Starter Switch» using the Subaru Select Monitor.
    NOTE: For detailed operation procedures, refer to "Current Data Display For Engine". Ref. to SUBARU SELECT MONITOR .
  2. Press the push button ignition switch once with the brake pedal depressed.
Does waveform of the «Starter Switch» occur? Go to step 11  . Go to step .
8 CHECK HARNESS BETWEEN ECM AND KEYLESS ACCESS CONTROL MODULE. 
  1. Turn the ignition to OFF.
  2. Disconnect the connector from ECM.
  3. Disconnect the connector from the keyless access Control Module.
  4. Measure the resistance of harness between ECM connector and keyless access Control Module.

    Connector & terminal 

    (B137) No. 17 - (B572) No. 7: 

Is the resistance less than 1 Ω? Go to step . Repair the harness and connector.
NOTE: In this case, repair the following item:
  • Open circuit of harness between ECM connector and keyless access Control Module connector
  • Poor contact of coupling connector
9 CHECK HARNESS BETWEEN ECM AND KEYLESS ACCESS CONTROL MODULE. 
Measure the resistance between ECM connector and chassis ground.
Connector & terminal 
(B137) No. 17 - Chassis ground: 
Is the resistance 1 MΩ or more? Go to step 10  . Repair the short circuit to ground in harness between ECM connector and keyless access Control Module connector.
10 CHECK START SWITCH SIGNAL. 
  1. Connect the connector to ECM.
  2. Connect the connector to the keyless access Control Module.
  3. Read the waveform of start switch signal using an oscilloscope.
  4. Press the push button ignition switch once with the brake pedal depressed.

    Connector & terminal 

    (B137) No. 17 (+) - Chassis ground (-): 

Does waveform of the start switch signal occur? Repair the poor contact of ECM connector. Repair the poor contact of keyless access Control Module connector.
11 CHECK INPUT SIGNAL FOR STARTER MOTOR. 
  1. Turn the ignition to OFF.
  2. Disconnect the connector from starter motor.
  3. Place the select lever in "P" range or "N" range.
  4. Press the push button ignition switch once with the brake pedal depressed.
  5. Measure the voltage between the starter motor connector and the engine ground.

    Connector & terminal 

    (B14) No. 1 (+) - Engine ground (-): 

Is the voltage 10 V or more? Check the starter motor. Ref. to Starter . Go to step 12  .
12 CHECK HARNESS BETWEEN BATTERY AND STARTER MOTOR. 
  1. Turn the ignition to OFF.
  2. Measure the voltage between starter motor terminal B and engine ground.

    Terminals 

    Terminal B (+) - Engine ground (-): 

Is the voltage 10 V or more? Go to step 13  . Repair the power supply circuit.
13 CHECK IG RELAY 1 (PUSH BUTTON START) POWER SUPPLY. 
  1. Remove the IG relay 1 (push button start).
  2. Turn the ignition to ON.
  3. Measure the voltage between the IG relay 1 (push button start) connector and chassis ground.

    Connector & terminal 

    (B225) No. 37 (+) - Chassis ground (-): 

    (B225) No. 38 (+) - Chassis ground (-): 

Is the voltage 10 V or more? Go to step 14  . Check the following item and repair or replace if necessary.
  • Blown out of fuse
  • Open circuit or short circuit to ground in harness between IG relay 1 (push button start) connector and keyless access Control Module connector
  • Open circuit or short circuit to ground in harness between IG relay 1 (push button start) connector and battery
  • Poor contact of coupling connector
14 CHECK HARNESS BETWEEN IG RELAY 1 (PUSH BUTTON START) CONNECTOR AND CHASSIS GROUND. 
  1. Turn the ignition to OFF.
  2. Measure the resistance of harness between the IG relay 1 (push button start) connector and chassis ground.

    Connector & terminal 

    (B225) No. 39 - Chassis ground: 

Is the resistance less than 5 Ω? Go to step 15  . Repair the open circuit in harness between the IG relay 1 (push button start) connector and chassis ground.
15 CHECK IG RELAY 1 (PUSH BUTTON START). 
  1. Connect the battery to IG relay 1 (push button start) terminals No. 38 and No. 39.
  2. Measure the resistance between IG relay 1 (push button start) terminals.

    Terminals 

    No. 36 - No. 37: 

Is the resistance less than 1 Ω? Go to step 16  . Replace the IG relay 1 (push button start). Ref. to IG Relay1 (Push Button Start) .
16 CHECK STARTER RELAY (PUSH BUTTON START) POWER SUPPLY. 
  1. Install the IG relay 1 (push button start).
  2. Remove the starter relay (push button start).
  3. Turn the ignition to ON.
  4. Measure the voltage between starter relay (push button start) connector and chassis ground.

    Connector & terminal 

    (B225) No. 29 (+) - Chassis ground (-): 

    (B225) No. 30 (+) - Chassis ground (-): 

Is the voltage 10 V or more? Go to step 17  . Check the following item and repair or replace if necessary.
  • Blown out of fuse (F/B No. 26)
  • Open circuit or short circuit to ground in harness between starter relay (push button start) connector and IG relay 1 (push button start) connector
  • Open circuit or short circuit to ground in harness between starter relay (push button start) connector and battery
17 CHECK HARNESS BETWEEN STARTER RELAY (PUSH BUTTON START) CONNECTOR AND CHASSIS GROUND. 
  1. Turn the ignition to OFF.
  2. Measure the resistance of harness between starter relay (push button start) connector and chassis ground.

    Connector & terminal 

    (B225) No. 31 - Chassis ground: 

Is the resistance less than 5 Ω? Go to step 18  . Repair the open circuit in harness between starter relay (push button start) connector and chassis ground.
18 CHECK STARTER RELAY (PUSH BUTTON START). 
  1. Connect the battery to starter relay (push button start) terminals No. 30 and No. 31.
  2. Measure the resistance between starter relay (push button start) terminals.

    Terminals 

    No. 28 - No. 29: 

Is the resistance less than 1 Ω? Go to step 19  . Replace the starter relay (push button start). Ref. to Starter Relay (Push Button Start) .
19 CHECK HARNESS BETWEEN STARTER RELAY (PUSH BUTTON START) CONNECTOR AND STARTER CUT RELAY CONNECTOR. 
  1. Remove the starter cut relay.
  2. Measure the resistance of harness between starter relay (push button start) connector and starter cut relay connector.

    Connector & terminal 

    (B225) No. 28 - (B225) No. 42: 

    (B225) No. 28 - (B225) No. 44: 

Is the resistance less than 1 Ω? Go to step 20  . Repair the open circuit in harness between starter relay (push button start) connector and starter cut relay connector.
20 CHECK HARNESS BETWEEN ECM AND STARTER CUT RELAY CONNECTOR. 
  1. Disconnect the connector from ECM.
  2. Measure the resistance between starter cut relay connector and chassis ground.

    Connector & terminal 

    (B225) No. 40 - Chassis ground: 

Is the resistance 1 MΩ or more? Go to step 21  . Repair the short circuit to ground in harness between ECM connector and starter cut relay connector.
21 CHECK STARTER CUT RELAY. 
Measure the resistance between starter cut relay terminals.
Terminals 
No. 41 - No. 44: 
Is the resistance less than 1 Ω? Go to step 22  . Replace the starter cut relay. Ref. to Starter Cut Relay .
22 CHECK HARNESS BETWEEN STARTER CUT RELAY CONNECTOR AND STARTER RELAY 1 CONNECTOR. 
  1. Remove the starter relay 1.
  2. Measure the resistance of harness between starter cut relay connector and starter relay 1 connector.

    Connector & terminal 

    (B225) No. 41 - (B225) No. 2: 

    (B225) No. 41 - (B225) No. 3: 

Is the resistance less than 1 Ω? Go to step 23  . Repair the open circuit of harness between starter cut relay connector and starter relay 1 connector.
23 CHECK HARNESS BETWEEN ECM AND STARTER RELAY 1 CONNECTOR. 
Measure the resistance of harness between ECM connector and starter relay 1 connector.
Connector & terminal 
(B135) No. 26 - (B225) No. 5: 
Is the resistance less than 1 Ω? Go to step 24  . Repair the open circuit of harness between ECM connector and starter relay 1 connector.
24 CHECK STARTER RELAY 1. 
  1. Connect the battery to starter relay 1 terminals No. 3 and No. 5.
  2. Measure the resistance between starter relay 1 terminals.

    Terminals 

    No. 1 - No. 2: 

Is the resistance less than 1 Ω? Go to step 25  . Replace the starter relay 1. Ref. to LOCATION , Electrical Component Location.
25 CHECK HARNESS BETWEEN STARTER RELAY 1 CONNECTOR AND INHIBITOR SWITCH CONNECTOR. 
  1. Disconnect the connector from inhibitor switch.
  2. Measure the resistance of harness between starter relay 1 connector and inhibitor switch connector.

    Connector & terminal 

    (B225) No. 1 - (T7) No. 6: 

Is the resistance less than 1 Ω? Go to step 26  . Repair the harness and connector.
NOTE: In this case, repair the following item:
  • Open circuit in harness between starter relay 1 connector and inhibitor switch connector
  • Poor contact of coupling connector
26 CHECK INHIBITOR SWITCH. 
  1. Place the select lever in "P" range and "N" range.
  2. Measure the resistance between inhibitor switch terminals.

    Terminals 

    No. 6 - No. 9: 

Is the resistance less than 1 Ω? Go to step 27  . Replace the inhibitor switch. Ref. to Inhibitor Switch .
27 CHECK HARNESS BETWEEN ECM AND INHIBITOR SWITCH CONNECTOR. 
  1. Disconnect the connector from ECM.
  2. Measure the resistance of harness between ECM connector and inhibitor switch connector.

    Connector & terminal 

    (B137) No. 16 - (T7) No. 6: 

Is the resistance less than 1 Ω? Go to step 28  . Repair the harness and connector.
NOTE: In this case, repair the following item:
  • Open circuit in harness between ECM connector and inhibitor switch connector
  • Poor contact of coupling connector
28 CHECK HARNESS BETWEEN INHIBITOR SWITCH AND STARTER MOTOR. 
Measure the resistance of harness between the inhibitor switch connector and starter motor.
Connector & terminal 
(T7) No. 9 - (B14) No. 1: 
Is the resistance less than 1 Ω? Check the engine control module (ECM) power supply and ground line. Ref. to CHECK POWER SUPPLY AND GROUND LINE OF ENGINE CONTROL MODULE (ECM) , Diagnostics for Engine Starting Failure. Repair the harness and connector.
NOTE: In this case, repair the following item:
  • Open circuit in harness between inhibitor switch connector and starter motor connector
  • Poor contact of coupling connector