LEMON Manuals: Even more car manuals for everyone: 1960-2025
Home >> Subaru >> 2017 >> WRX Base >> Repair and Diagnosis >> External Pages >> Different car >> Section 9 (Body Control System (Diagnostics)) >> General Description >> System Block Diagram
April 5, 2026: LEMON Manuals is launched! Read the announcement.

System Block Diagram

WARNING: This page is about a different car, the 2022 Subaru WRX. However, it is still accessible from the selected car via links, so may be relevant.
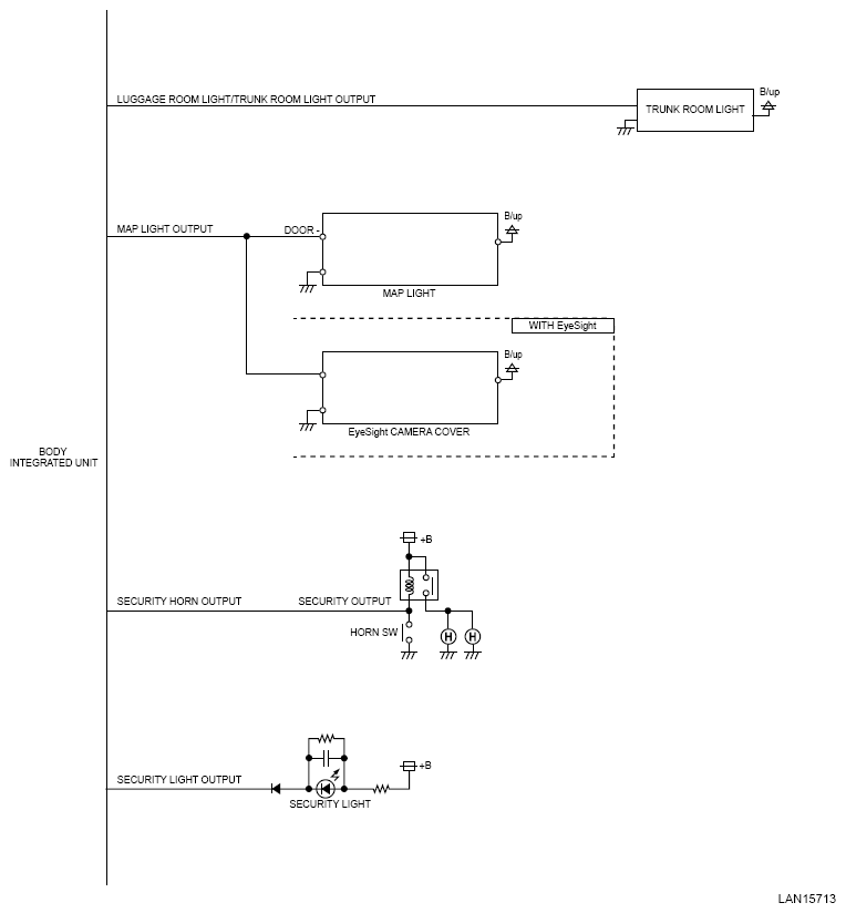
G14615330Courtesy of SUBARU OF AMERICA, INC.
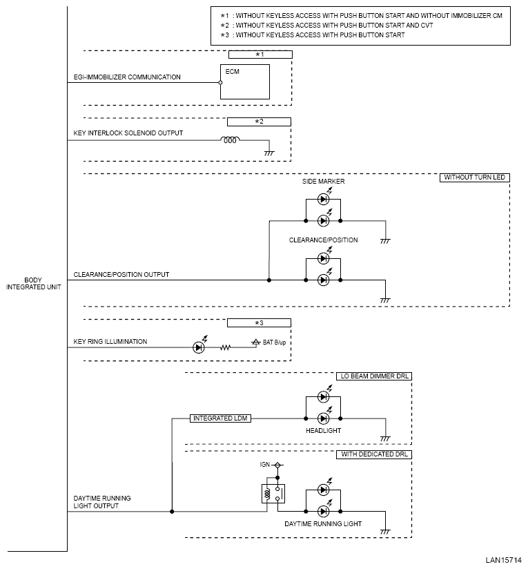
G14615331Courtesy of SUBARU OF AMERICA, INC.
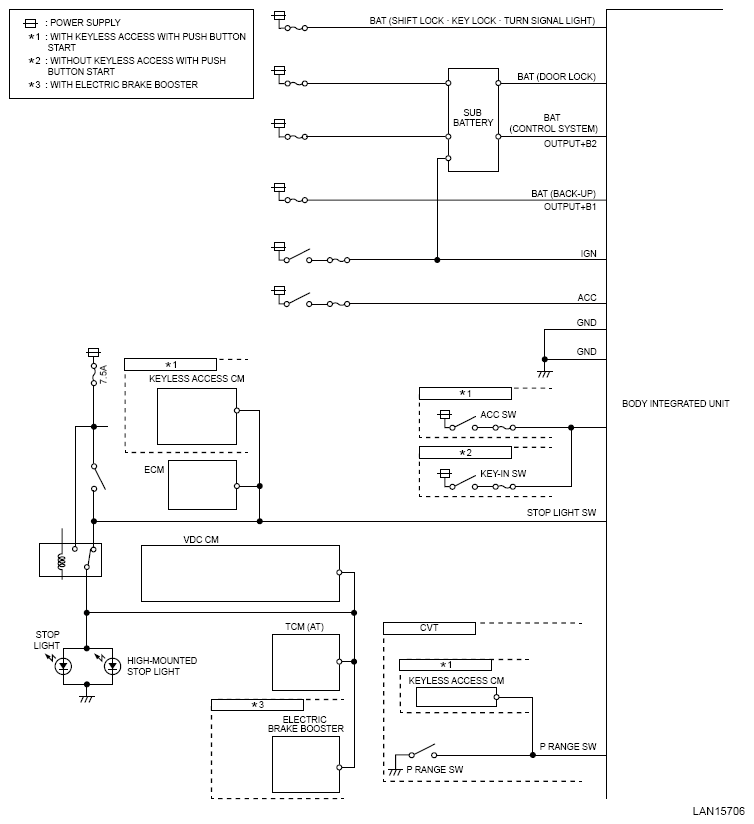
G14615332Courtesy of SUBARU OF AMERICA, INC.
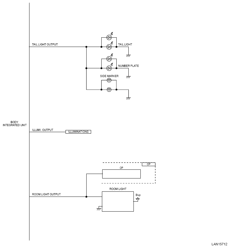
G14615333Courtesy of SUBARU OF AMERICA, INC.
G14615334Courtesy of SUBARU OF AMERICA, INC.
G14615335Courtesy of SUBARU OF AMERICA, INC.
G14615336Courtesy of SUBARU OF AMERICA, INC.
G14615337Courtesy of SUBARU OF AMERICA, INC.
G14615338Courtesy of SUBARU OF AMERICA, INC.