LEMON Manuals: Even more car manuals for everyone: 1960-2025
Home >> Subaru >> 2018 >> Crosstrek Base, Standard Trans >> Repair and Diagnosis >> Engine Performance >> System >> Engine Control System (Diagnostics) (4 Of 4) >> Diagnostic Procedure with Diagnostic Trouble Code (DTC) >> DTC P2270: O2 Sensor Signal Biased/Stuck Lean Bank 1 Sensor 2 >> Notes
April 5, 2026: LEMON Manuals is launched! Read the announcement.

DTC P2270: O2 Sensor Signal Biased/Stuck Lean Bank 1 Sensor 2: Notes

DTC detecting condition: 

Detected when two consecutive driving cycles with fault occur.

CAUTION: Use the check board when measuring the ECM terminal voltage and resistance. Ref. to ENGINE (DIAGNOSTICS) (H4DO)>General Description>PREPARATION TOOL>HOW TO USE CHECK BOARD .
NOTE: After the faulty parts are repaired or replaced, perform the final check in Basic Diagnostic Procedure. Ref. to ENGINE (DIAGNOSTICS) (H4DO)>Basic Diagnostic Procedure>PROCEDURE .

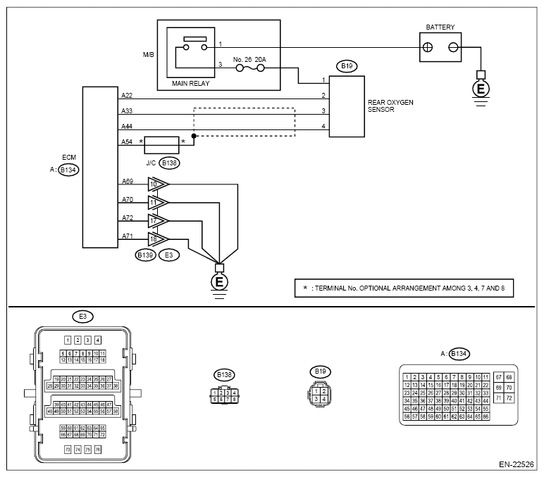
Wiring diagram: 

Engine Electrical System Ref. to WIRING SYSTEM (CROSSTREK MODEL)>Engine Electrical System>WIRING DIAGRAM .

G12399960Courtesy of SUBARU OF AMERICA, INC.
  1. CHECK REAR OXYGEN SENSOR CONNECTOR  .

    Check the rear oxygen sensor connector.

    Has water entered the connector?

    Yes:  Completely remove any water inside.

    No:  Go to  2.

  2. CHECK HARNESS BETWEEN ECM AND REAR OXYGEN SENSOR (OPEN)  .
    1. Turn the ignition switch to OFF.
    2. Disconnect the connector from ECM.
    3. Disconnect the connector from rear oxygen sensor.
    4. Measure the resistance of harness between ECM connector and rear oxygen sensor connector.

      Connector & terminal 

      (B134) No. 44 - (B19) No. 4:

      (B134) No. 33 - (B19) No. 3:

    Is the resistance less than 1 Ω?

    Yes:  Go to  3.

    No:  Repair the open circuit of harness between ECM connector and rear oxygen sensor connector.

  3. CHECK HARNESS BETWEEN ECM AND REAR OXYGEN SENSOR (SHORT TO POWER SUPPLY)  .
    1. Connect the connector to ECM.
    2. Turn the ignition switch to ON.
    3. Measure the voltage between rear oxygen sensor connector and chassis ground.

      Connector & terminal 

      (B19) No. 3 (+) - Chassis ground (-):

    Is the voltage 0.15 V or more?

    Yes:  Repair the short circuit to power in the harness between ECM connector and rear oxygen sensor connector.

    No:  Go to  4.

  4. CHECK EXHAUST SYSTEM  .

    Check exhaust system parts.

    NOTE: Check the following items.
    • Looseness and improper fitting of exhaust system parts
    • Damage (crack, hole etc.) of parts
    • Damage (crack, hole etc.) between front oxygen (A/F) sensor and rear oxygen sensor

    Is there any fault in exhaust system?

    Yes:  Repair or replace faulty parts.

    No:  Replace the rear oxygen sensor. Ref. to FUEL INJECTION (FUEL SYSTEMS) (H4DO)>REAR OXYGEN SENSOR .